LEMON Manuals: Even more car manuals for everyone: 1960-2025
Home >> Buick >> 2020 >> Envision Preferred, AWD >> Repair and Diagnosis (Single Page) >> Accessories & Equipment >> Infotainment >> Cellular, Entertainment, And Navigation System >> Schematic Wiring Diagrams >> Radio/Navigation System Wiring Schematics >> Human Machine Interface Control Module - Power, Ground, Serial Data, and Functions
April 5, 2026: LEMON Manuals is launched! Read the announcement.

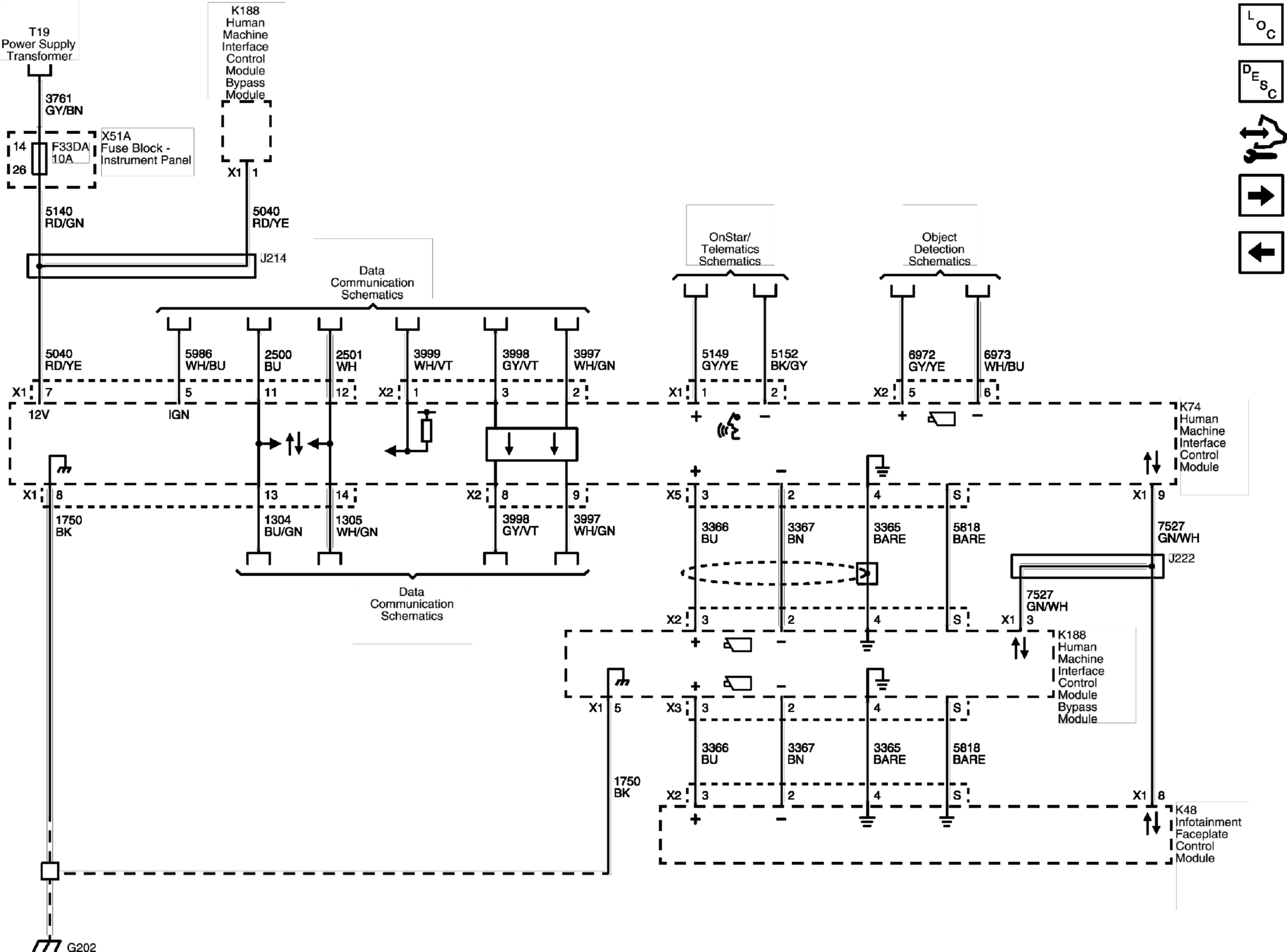
Human Machine Interface Control Module - Power, Ground, Serial Data, and Functions

GM5156232Courtesy of GENERAL MOTORS COMPANY