LEMON Manuals: Even more car manuals for everyone: 1960-2025
Home >> Cadillac >> 1990 >> Seville Base, 4T60/ME9 >> Repair and Diagnosis >> Engine Performance >> System >> Engine Controls - Tests W/Codes >> BCM Trouble Code Charts >> BCM Code B127: PRND321 Sensor >> Note On Intermittents
April 5, 2026: LEMON Manuals is launched! Read the announcement.

Note On Intermittents

Manipulate related BCM and ECM wiring in each gear range while observing BD41 or EI74 values. If a failure is induced, values will change indicating an open or short to ground. Ensure good terminal connections exist at BCM, ECM and PRND321 switch. If terminal contacts are good and Code B127 continues to set, replace BCM.

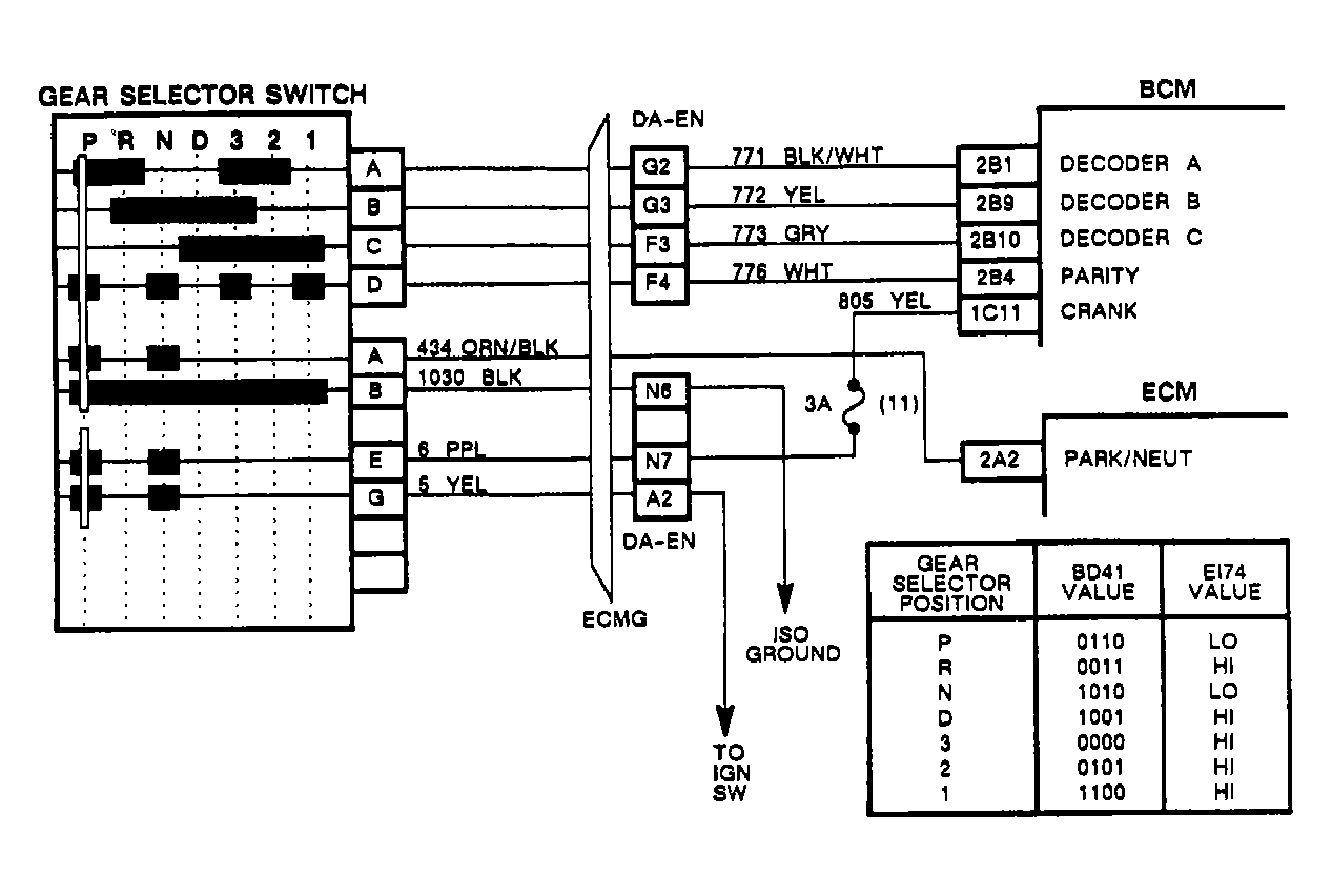
Fig 1: BCM Code B127 Circuit Diagram
G90C21743
Fig 2: BCM Code B127 Flow Chart (1 of 3)
G90D09276
Fig 3: BCM Code B127 Flow Chart (2 of 3)
G90F09277
Fig 4: BCM Code B127 Flow Chart (3 of 3)
G90H09278