LEMON Manuals: Even more car manuals for everyone: 1960-2025
Home >> Cadillac >> 1990 >> Seville Base, 4T60/ME9 >> Repair and Diagnosis >> Engine Performance >> System >> Engine Controls - Tests W/Codes >> ECM Trouble Code Charts >> ECM Code EO68: Cruise Control Command Problem >> Action Taken:
April 5, 2026: LEMON Manuals is launched! Read the announcement.

Action Taken:

ECM continuously compares cruise control servo position sensor to throttle position. This diagnostic test monitors for a throttle position greater than 20 degrees and servo position greater than commanded by ECM for 2 seconds.

NOTE: Test numbers refer to test numbers on diagnostic chart.

Test Number 1)  TPS value should decrease at a steady rate.

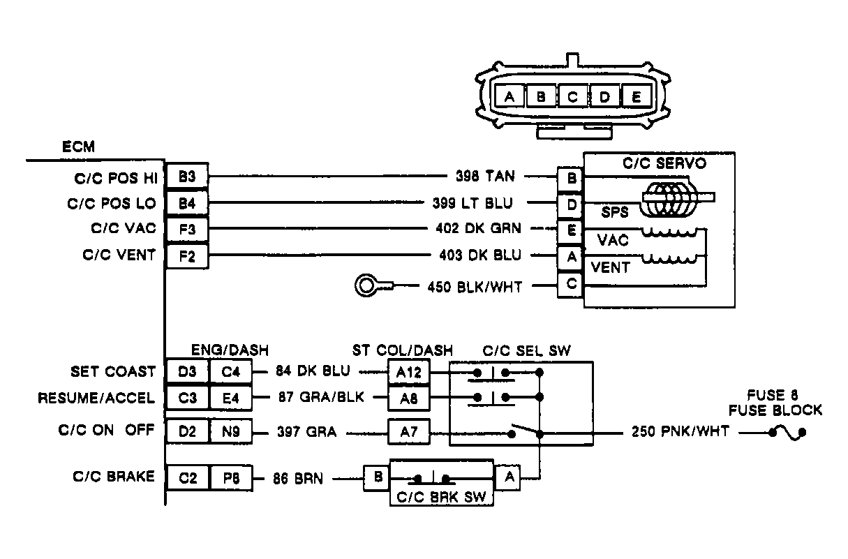
Fig 1: ECM Code EO68 Circuit Diagram
G90F21738
Fig 2: ECM Code EO68 Flow Chart
G90I13894