LEMON Manuals: Even more car manuals for everyone: 1960-2025
Home >> Cadillac >> 2002 >> Escalade EXT >> Repair and Diagnosis >> External Pages >> Different car >> Section 1140 (Lighting Systems) >> Schematic and Routing Diagrams >> Headlights/Daytime Running Lights (DRL) Schematics (Daytime Running Lamps (DRL) Control Module Inputs)
April 5, 2026: LEMON Manuals is launched! Read the announcement.

Headlights/Daytime Running Lights (DRL) Schematics (Daytime Running Lamps (DRL) Control Module Inputs)

WARNING: This page is about a different car, the 2003 Pontiac Grand Prix. However, it is still accessible from the selected car via links, so may be relevant.
Fig 1: Daytime Running Lamps Control Module Inputs Schematics
G01503080Courtesy of GENERAL MOTORS CORP.
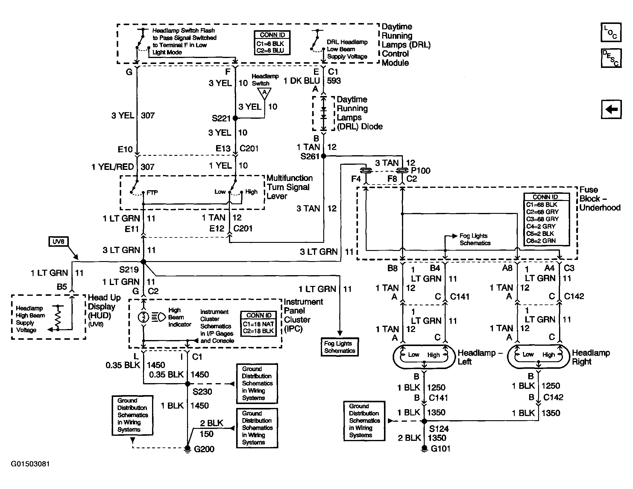
Fig 2: Daytime Running Lamps Control Module Outputs Schematics
G01503081Courtesy of GENERAL MOTORS CORP.