LEMON Manuals: Even more car manuals for everyone: 1960-2025
Home >> Cadillac >> 2003 >> Seville SLS >> Repair and Diagnosis (Single Page) >> Body & Frame >> Seats >> Seat System >> Schematic and Routing Diagrams >> Memory Seats Schematics >> Memory Seats Schematics (Memory/Personalization Function Switch)
April 5, 2026: LEMON Manuals is launched! Read the announcement.

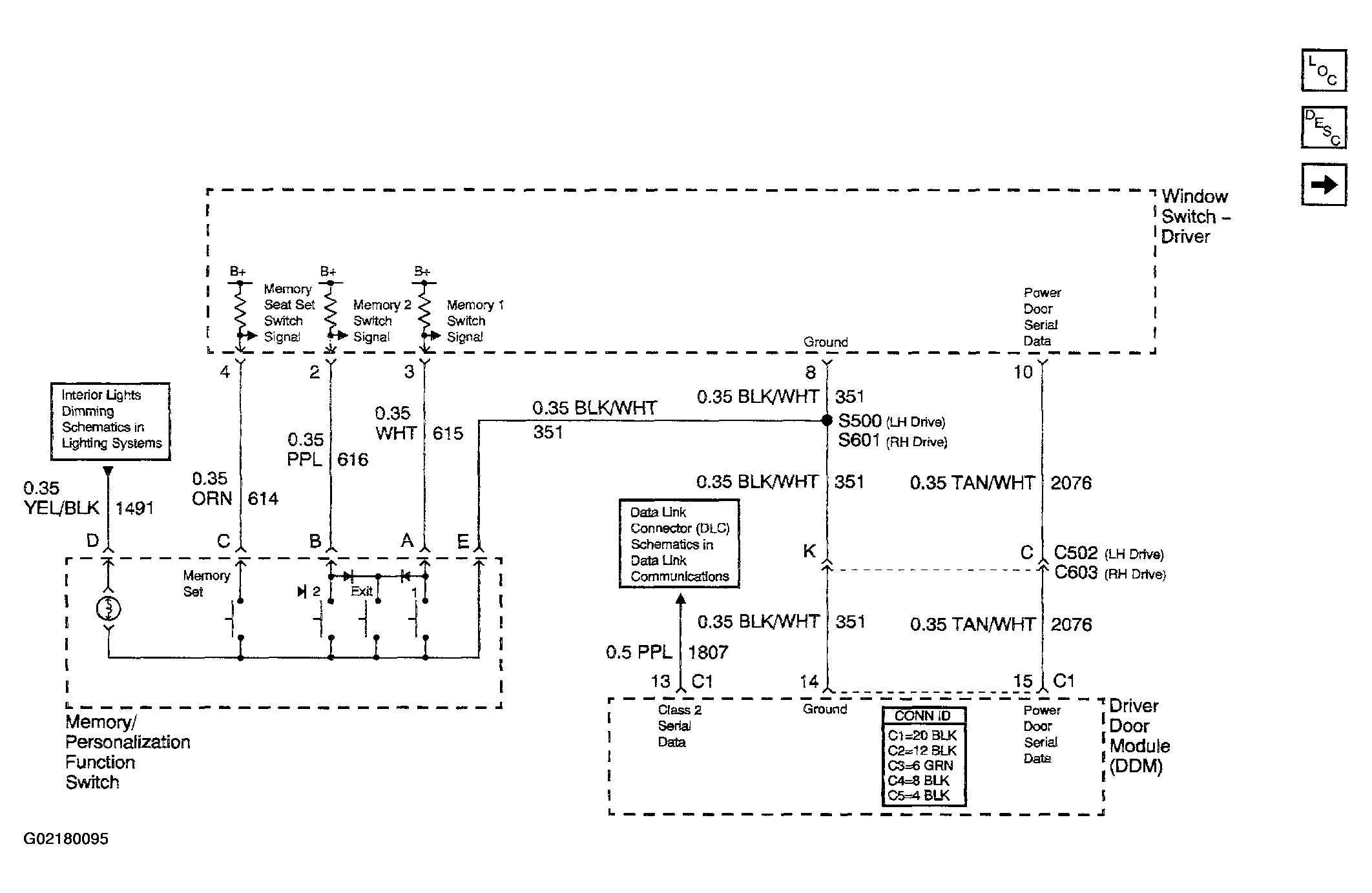
Memory Seats Schematics (Memory/Personalization Function Switch)

Fig 1: Memory Seats Schematics (Memory/Personalization Function Switch)
G02180095Courtesy of GENERAL MOTORS CORP.