LEMON Manuals: Even more car manuals for everyone: 1960-2025
Home >> Cadillac >> 2007 >> CTS Base, 2.8 T, Automatic >> Repair and Diagnosis >> Transmission >> Automatic Trans >> Shift Interlock System >> Schematic and Routing Diagrams >> Shift Lock Control Schematics
April 5, 2026: LEMON Manuals is launched! Read the announcement.

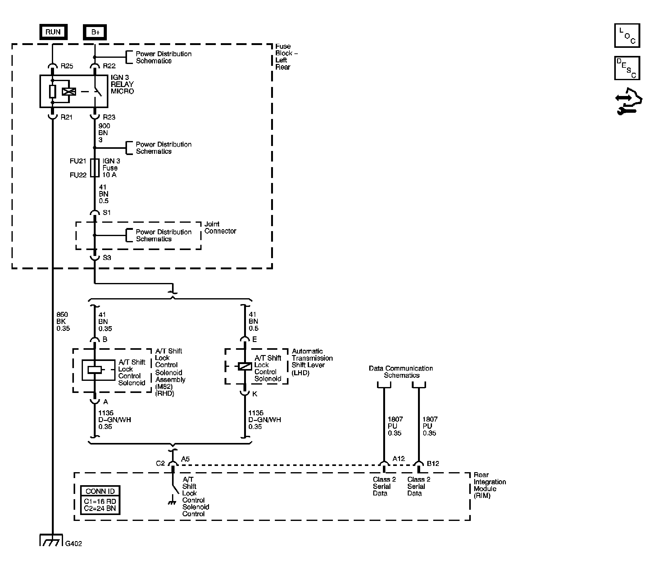
Shift Lock Control Schematics

Fig 1: Shift Lock Control Schematics
GM1787447Courtesy of GENERAL MOTORS CORP.