LEMON Manuals: Even more car manuals for everyone: 1960-2025
Home >> Cadillac >> 2007 >> Escalade AWD V8-6.2L >> Repair and Diagnosis >> Powertrain Management >> Computers and Control Systems >> Air Flow Meter/Sensor >> Service and Repair
April 5, 2026: LEMON Manuals is launched! Read the announcement.

Air Flow Meter/Sensor: Service and Repair



MASS AIRFLOW SENSOR/INTAKE AIR TEMPERATURE SENSOR REPLACEMENT

REMOVAL PROCEDURE

IMPORTANT: Use care when handling the mass air flow (MAF)/intake air temperature (IAT) sensor. Do not dent, puncture, or otherwise damage the honeycell located at the air inlet end of the MAF/IAT. Do not touch the sensing elements or allow anything including cleaning solvents and lubricants to come in contact with them. Use a small amount of a non-silicone based lubricant, on the air duct only, to aid in installation.




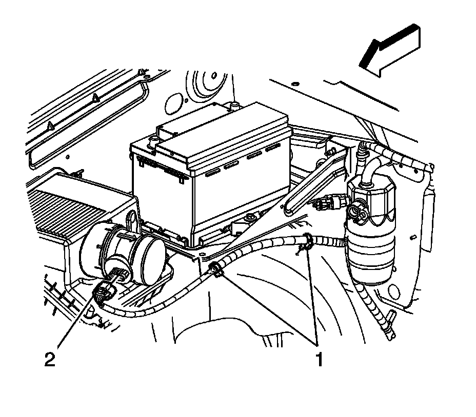
1. Disconnect the engine wiring harness electrical connector (2) from the MAF/IAT sensor.




2. Loosen the MAF/IAT sensor adapter clamp.
3. Remove the MAF/IAT sensor from the air cleaner assembly.

INSTALLATION PROCEDURE

IMPORTANT: The embossed arrow on the MAF/IAT sensor indicates the proper air flow direction. The arrow must point toward the engine.




1. Install the MAF/IAT sensor to the air cleaner assembly.

2. NOTE: Refer to Fastener Notice.

Tighten the MAF/IAT sensor adapter clamp.

Tighten the clamp to 4 N.m (35 lb in).




3. Connect the engine wiring harness electrical connector (2) to the MAF/IAT sensor.