LEMON Manuals: Even more car manuals for everyone: 1960-2025
Home >> Cadillac >> 2007 >> Escalade EXT >> Repair and Diagnosis >> External Pages >> Different car >> Section 1220 (Object Detection System) >> Schematic and Routing Diagrams >> Object Detection Schematics
April 5, 2026: LEMON Manuals is launched! Read the announcement.

Object Detection Schematics

WARNING: This page does not describe the selected car, but rather 8 other vehicles, including the 2008 GMC Yukon XL, 2008 GMC Yukon, 2008 Chevrolet Tahoe, 2008 Chevrolet Suburban, and 2008 Chevrolet Avalanche. However, it is still accessible from the selected car via links, so may be relevant.
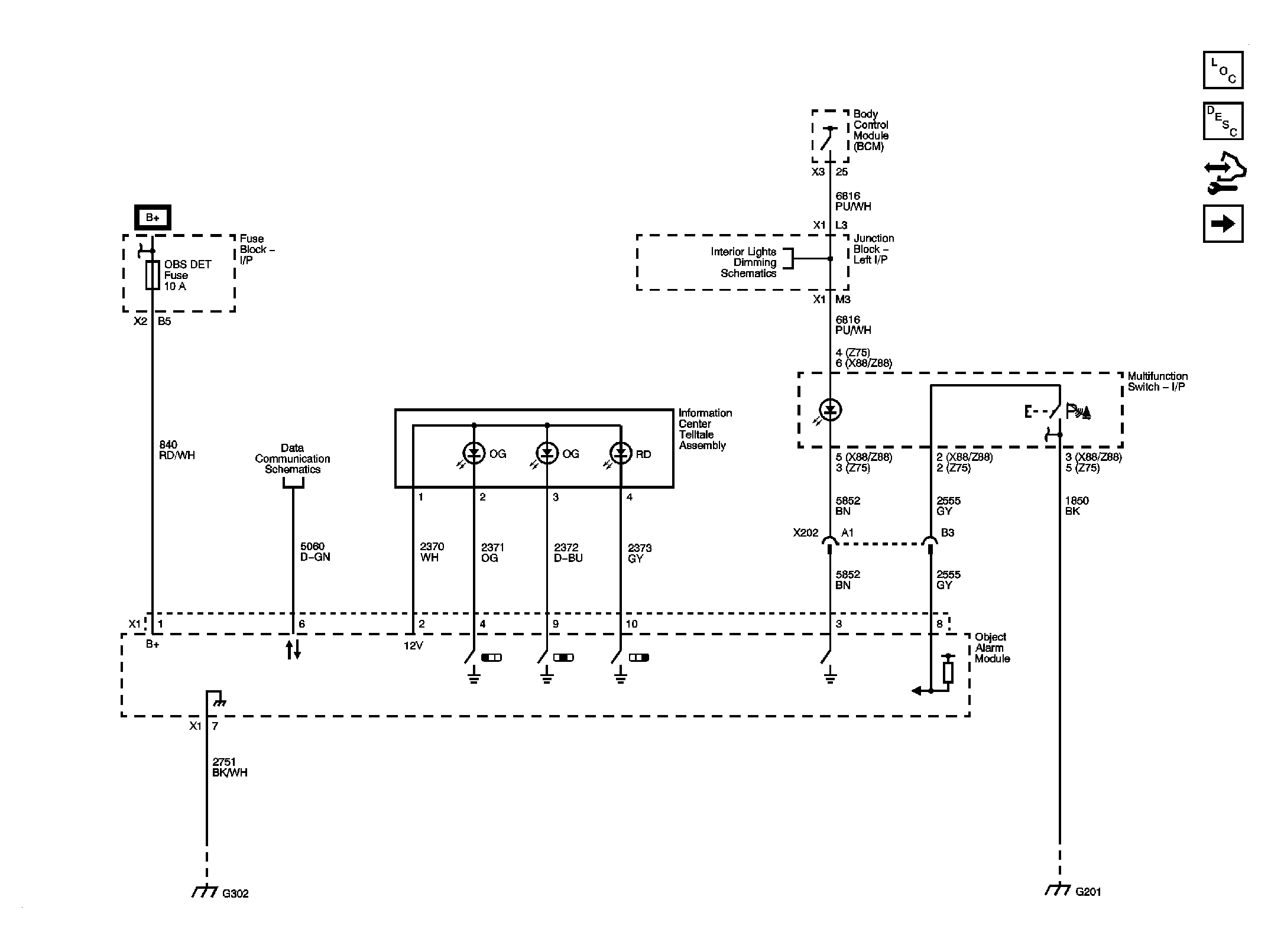
Fig 1: Rear Object Sensing Schematic (UD7)
GM1907295Courtesy of GENERAL MOTORS CORP.
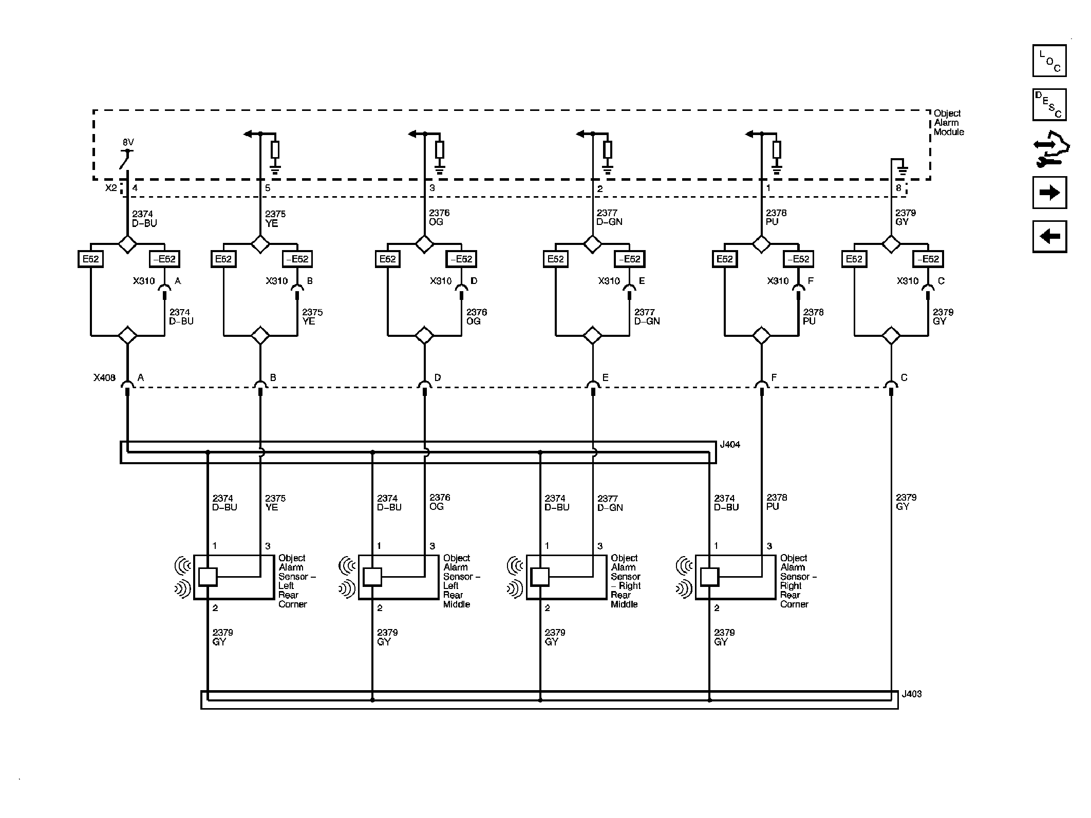
Fig 2: Rear Object Sensors Schematic (UD7)
GM1907299Courtesy of GENERAL MOTORS CORP.
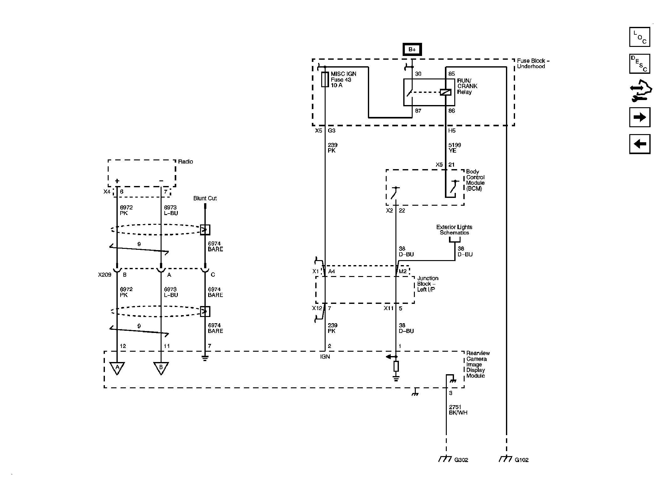
Fig 3: Rear Video Camera Schematic - 1 Of 2 (UVC)
GM1907302Courtesy of GENERAL MOTORS CORP.
Fig 4: Rear Video Camera Schematic 2 of 2 (UVC)
GM1907307Courtesy of GENERAL MOTORS CORP.