LEMON Manuals: Even more car manuals for everyone: 1960-2025
Home >> Cadillac >> 2007 >> Escalade EXT >> Repair and Diagnosis >> External Pages >> Different car >> Section 1970 (Power Door Lock System And Release Systems) >> Schematic Wiring Diagrams >> Liftgate Wiring Schematics >> Module Power, Ground, Serial Data, and Front Switch (E61) Wiring Schematics
April 5, 2026: LEMON Manuals is launched! Read the announcement.

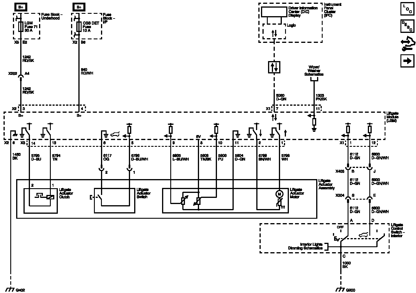
Module Power, Ground, Serial Data, and Front Switch (E61) Wiring Schematics

WARNING: This page does not describe the selected car, but rather 8 other vehicles, including the 2012 GMC Yukon XL, 2012 GMC Yukon, 2012 Chevrolet Tahoe, 2012 Chevrolet Suburban, and 2012 Chevrolet Avalanche. However, it is still accessible from the selected car via links, so may be relevant.
Fig 1: Module Power, Ground, Serial Data, and Front Switch (E61) Wiring Schematics
GM2643736Courtesy of GENERAL MOTORS COMPANY