LEMON Manuals: Even more car manuals for everyone: 1960-2025
Home >> Cadillac >> 2009 >> CTS V, Automatic >> Repair and Diagnosis >> External Pages >> Different car >> Section 300 (Cellular System, Entertainment System & Navigation System) >> Schematic and Routing Diagrams >> Radio/Navigation System Schematics
April 5, 2026: LEMON Manuals is launched! Read the announcement.

Radio/Navigation System Schematics

WARNING: This page is about a different car, the 2009 Buick Lucerne. However, it is still accessible from the selected car via links, so may be relevant.
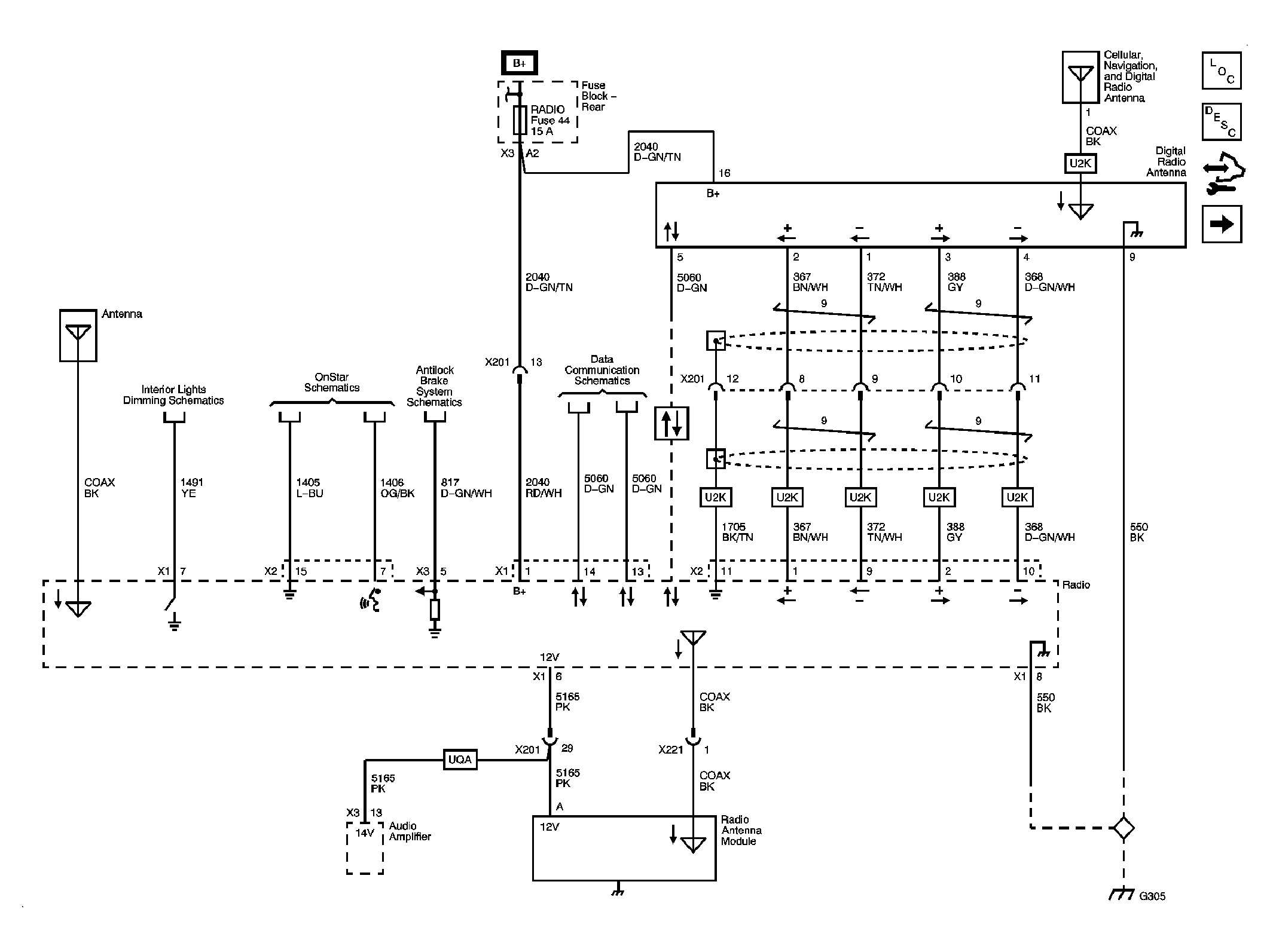
Fig 1: Radio Power and Ground
GM2081256Courtesy of GENERAL MOTORS CORP.
Fig 2: Amplifier (UQA)
GM2081260Courtesy of GENERAL MOTORS CORP.
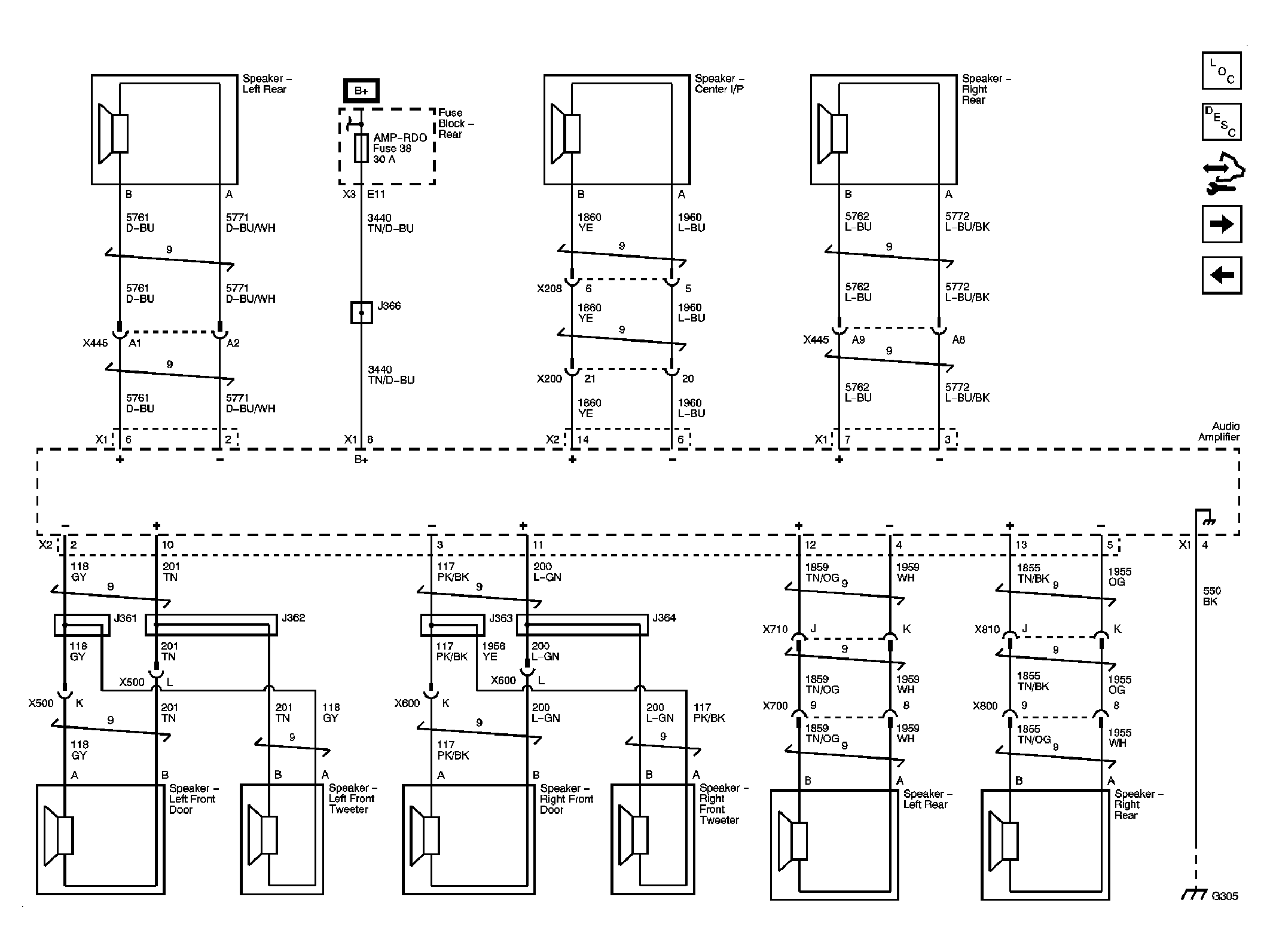
Fig 3: Speakers (UQA)
GM2081262Courtesy of GENERAL MOTORS CORP.
Fig 4: Speakers (UQ3)
GM2081263Courtesy of GENERAL MOTORS CORP.
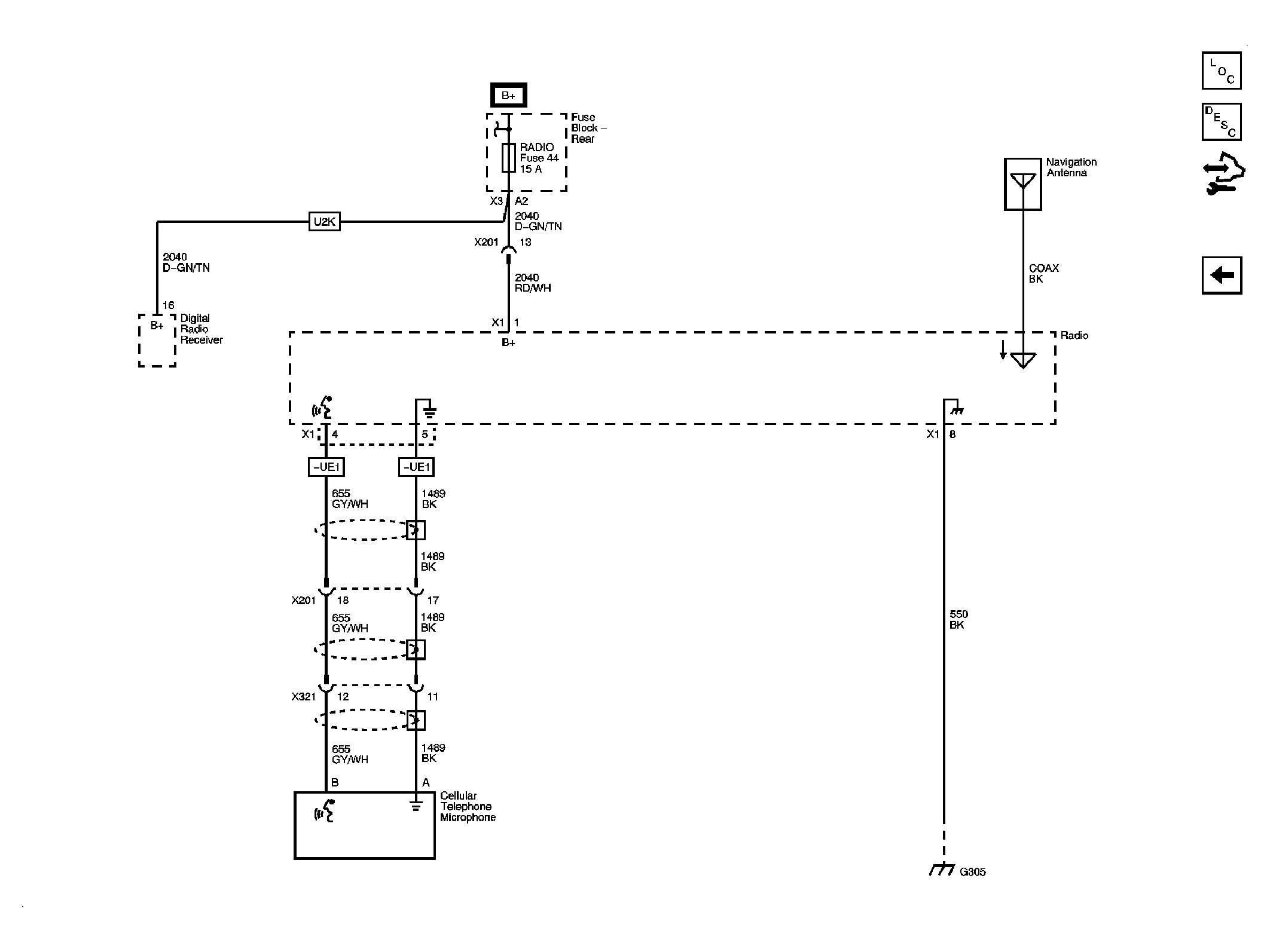
Fig 5: Radio (without UE1)
GM2081265Courtesy of GENERAL MOTORS CORP.