LEMON Manuals: Even more car manuals for everyone: 1960-2025
Home >> Cadillac >> 2009 >> Escalade EXT >> Repair and Diagnosis >> Engine Performance >> System >> Data Communication System >> Schematic and Routing Diagrams >> Data Communication Schematics
April 5, 2026: LEMON Manuals is launched! Read the announcement.

Data Communication Schematics

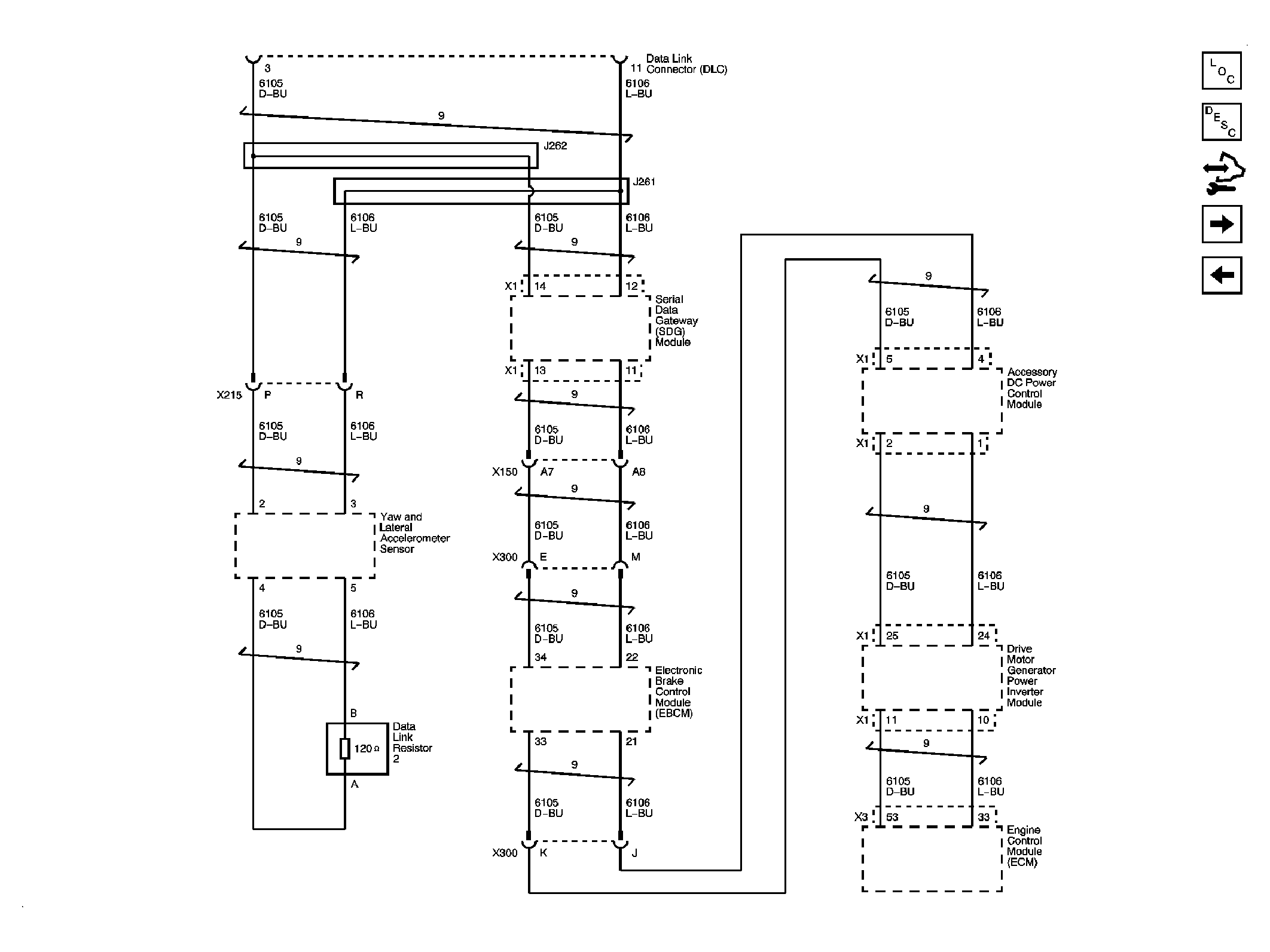
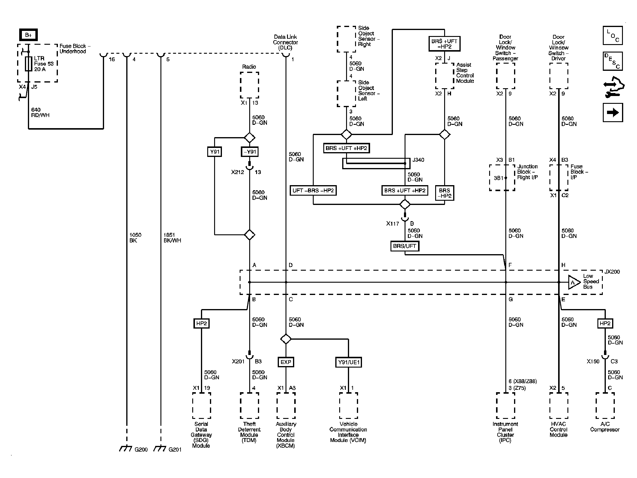
Fig 1: Low Speed Bus - JX200 - 1 of 3
GM2074678Courtesy of GENERAL MOTORS CORP.
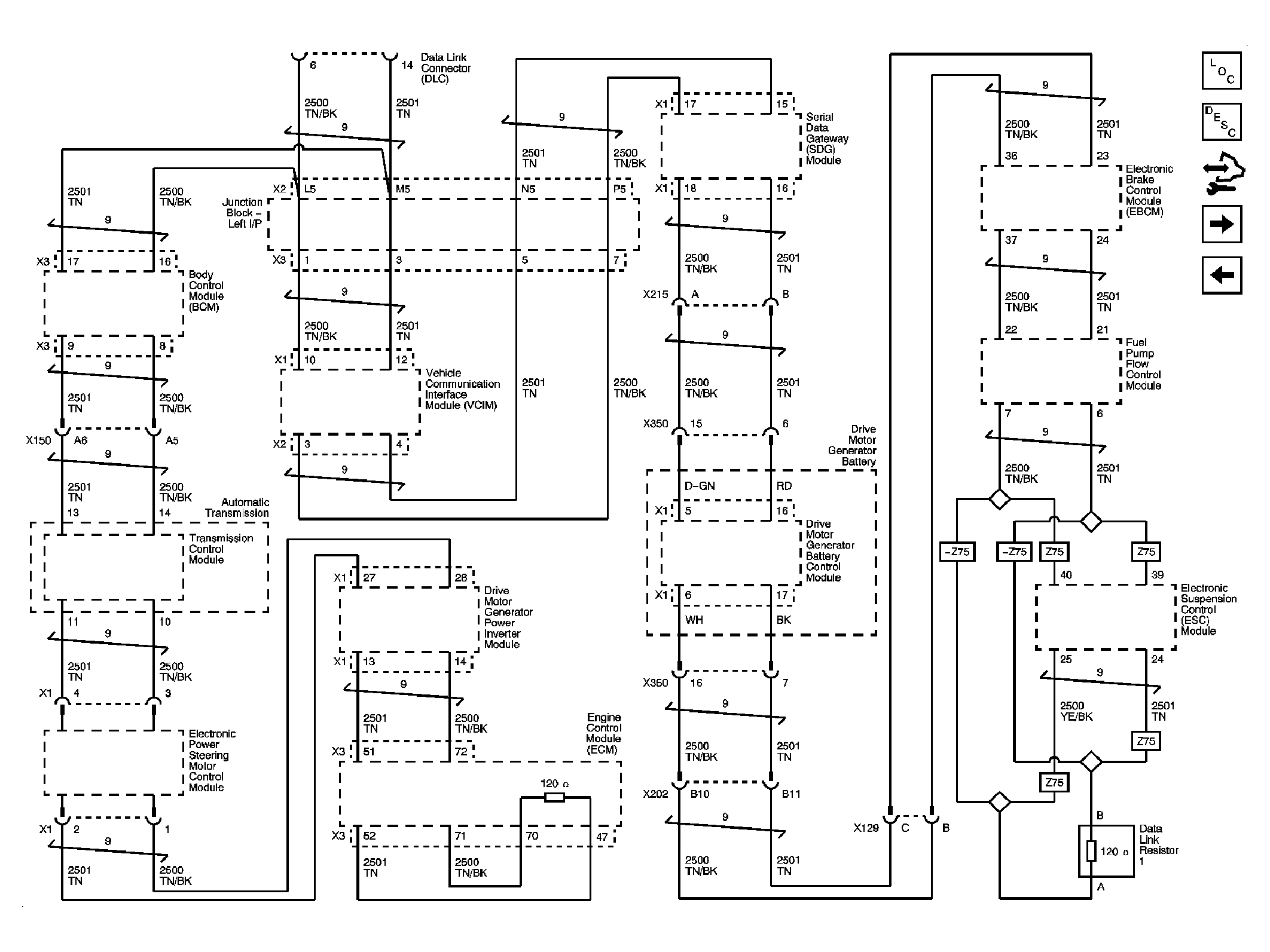
Fig 2: Low Speed Bus - JX200 - 2 of 3
GM2074682Courtesy of GENERAL MOTORS CORP.
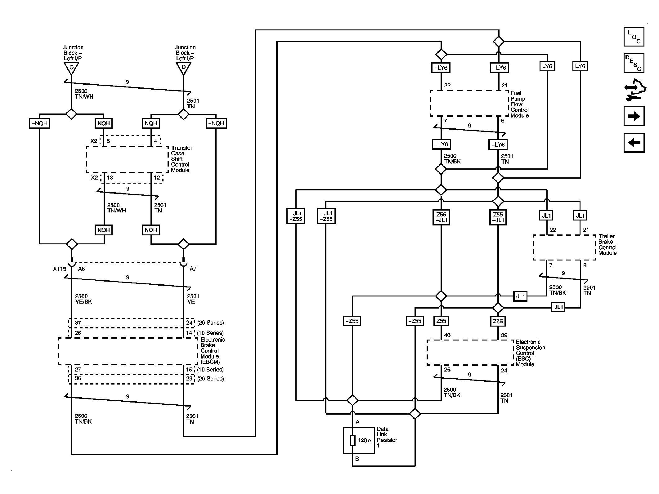
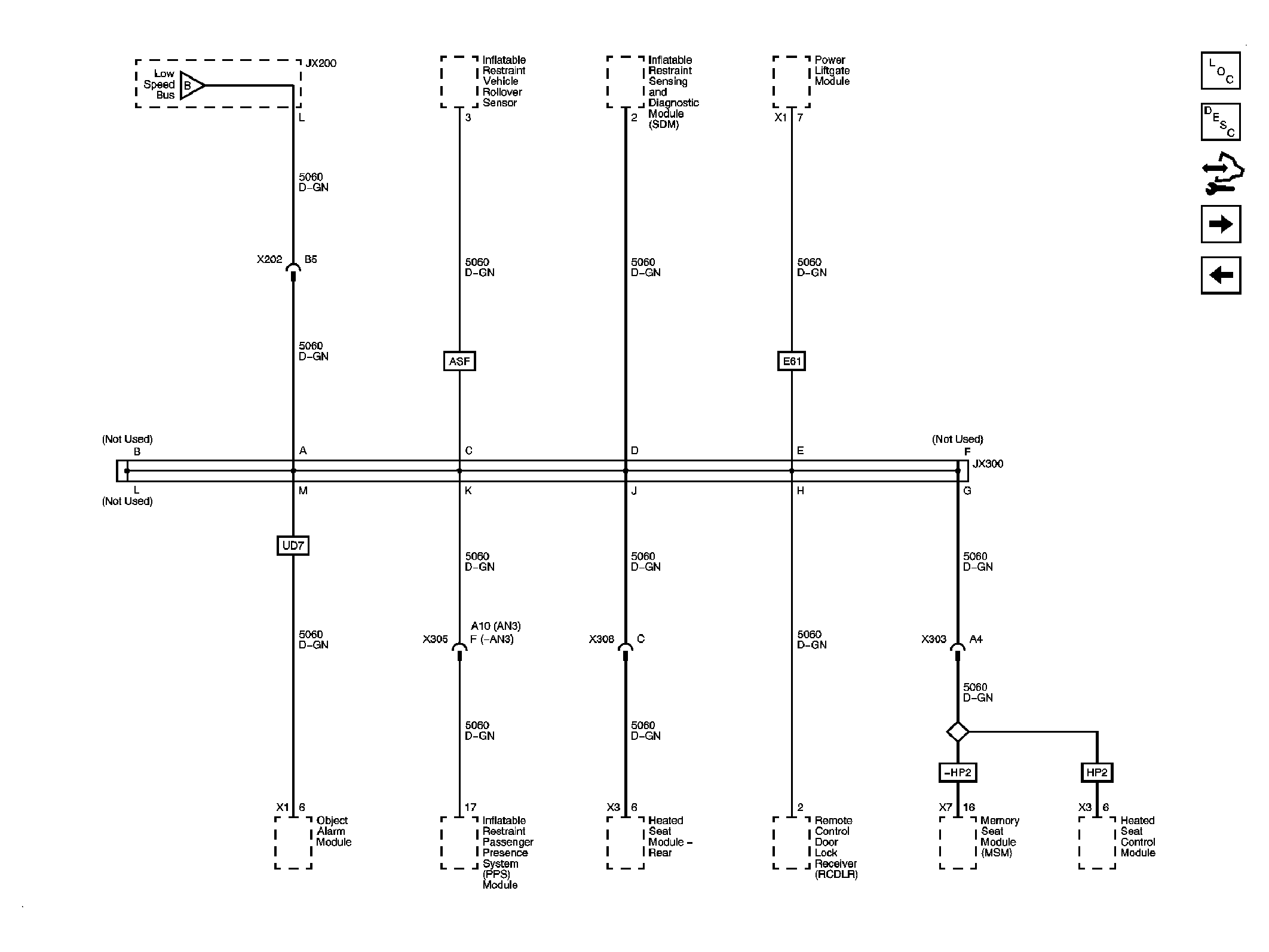
Fig 3: Low Speed Bus - JX200 - 3 of 3 and JX300
GM2074685Courtesy of GENERAL MOTORS CORP.
Fig 4: High Speed Bus - 1 of 2
GM2074688Courtesy of GENERAL MOTORS CORP.
Fig 5: High Speed Bus - 2 of 2
GM2074692Courtesy of GENERAL MOTORS CORP.
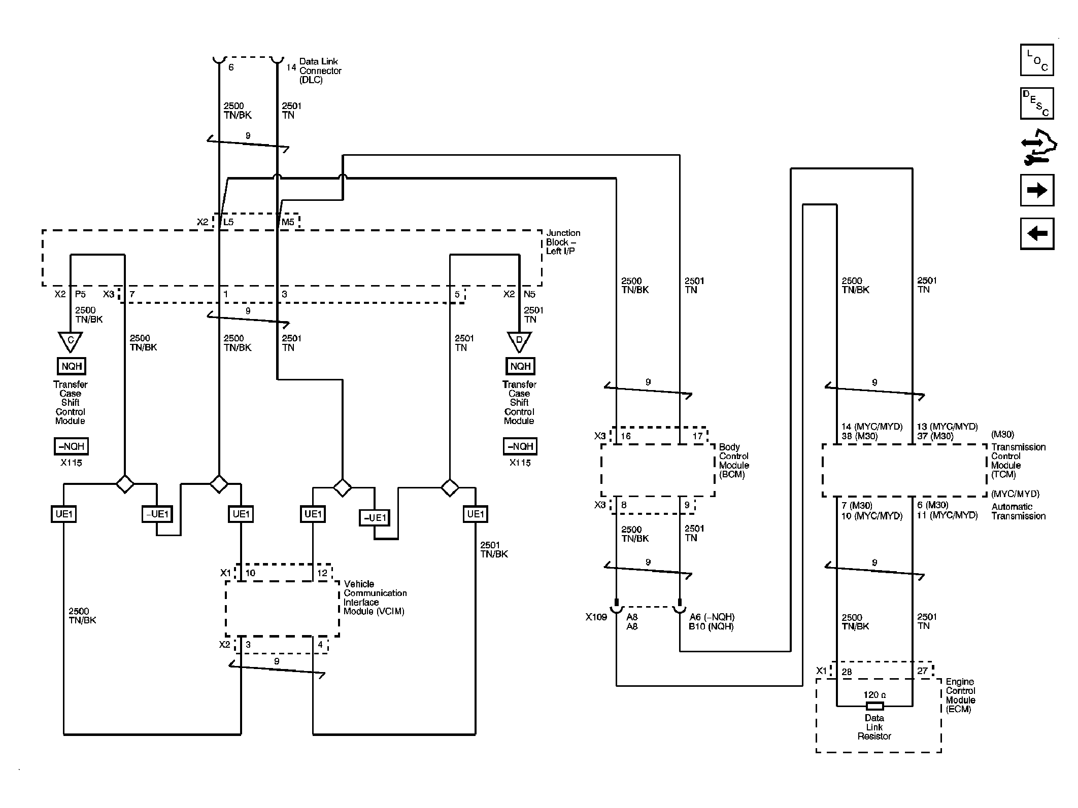
Fig 6: LIN Bus
GM2196614Courtesy of GENERAL MOTORS CORP.
Fig 7: Serial Data Communication Enable and Wake-up Circuits
GM2074697Courtesy of GENERAL MOTORS CORP.
Fig 8: High Speed Bus (HP2)
GM2074699Courtesy of GENERAL MOTORS CORP.
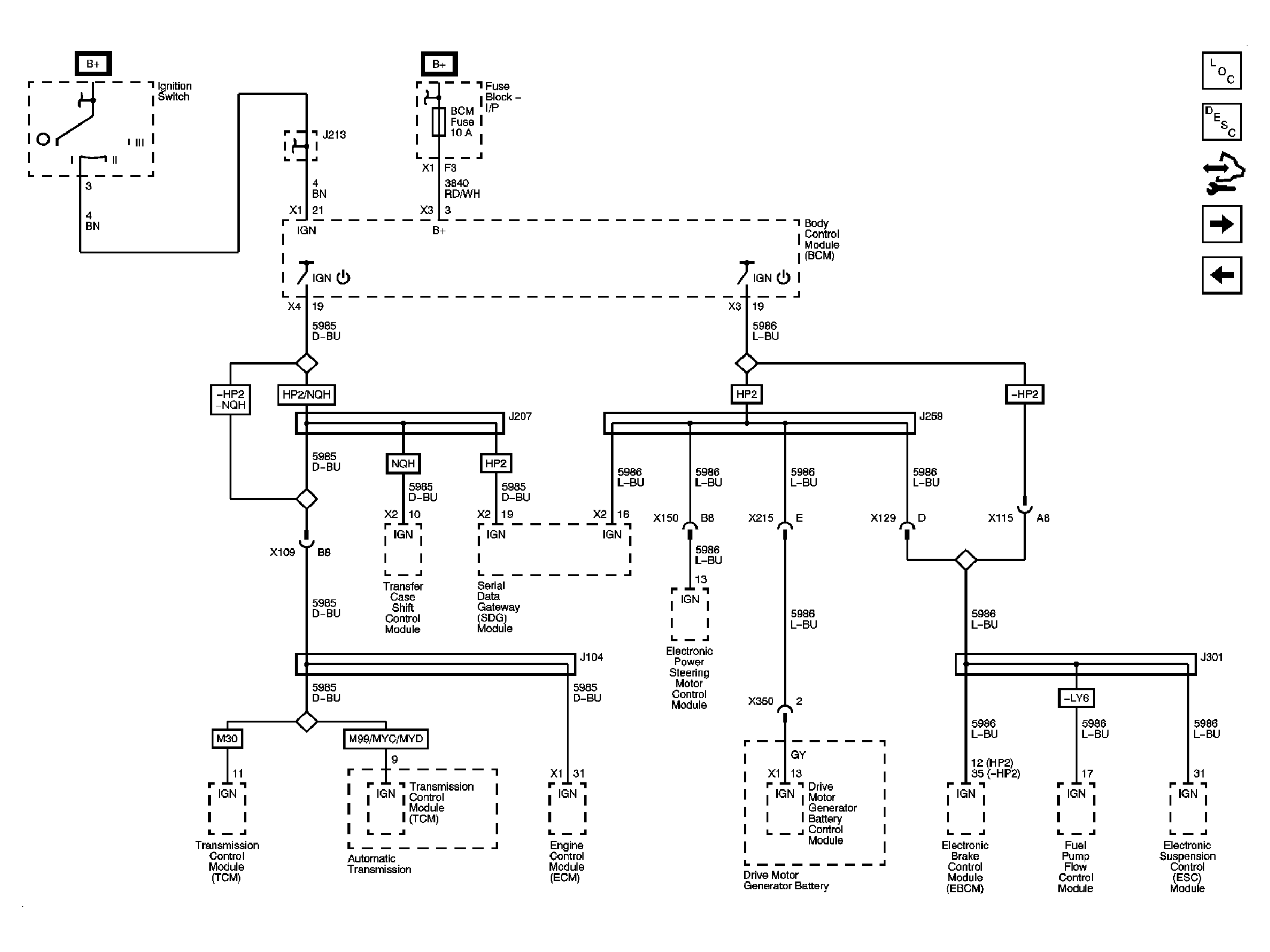
Fig 9: Powertrain Expansion Bus (HP2)
GM2074701Courtesy of GENERAL MOTORS CORP.
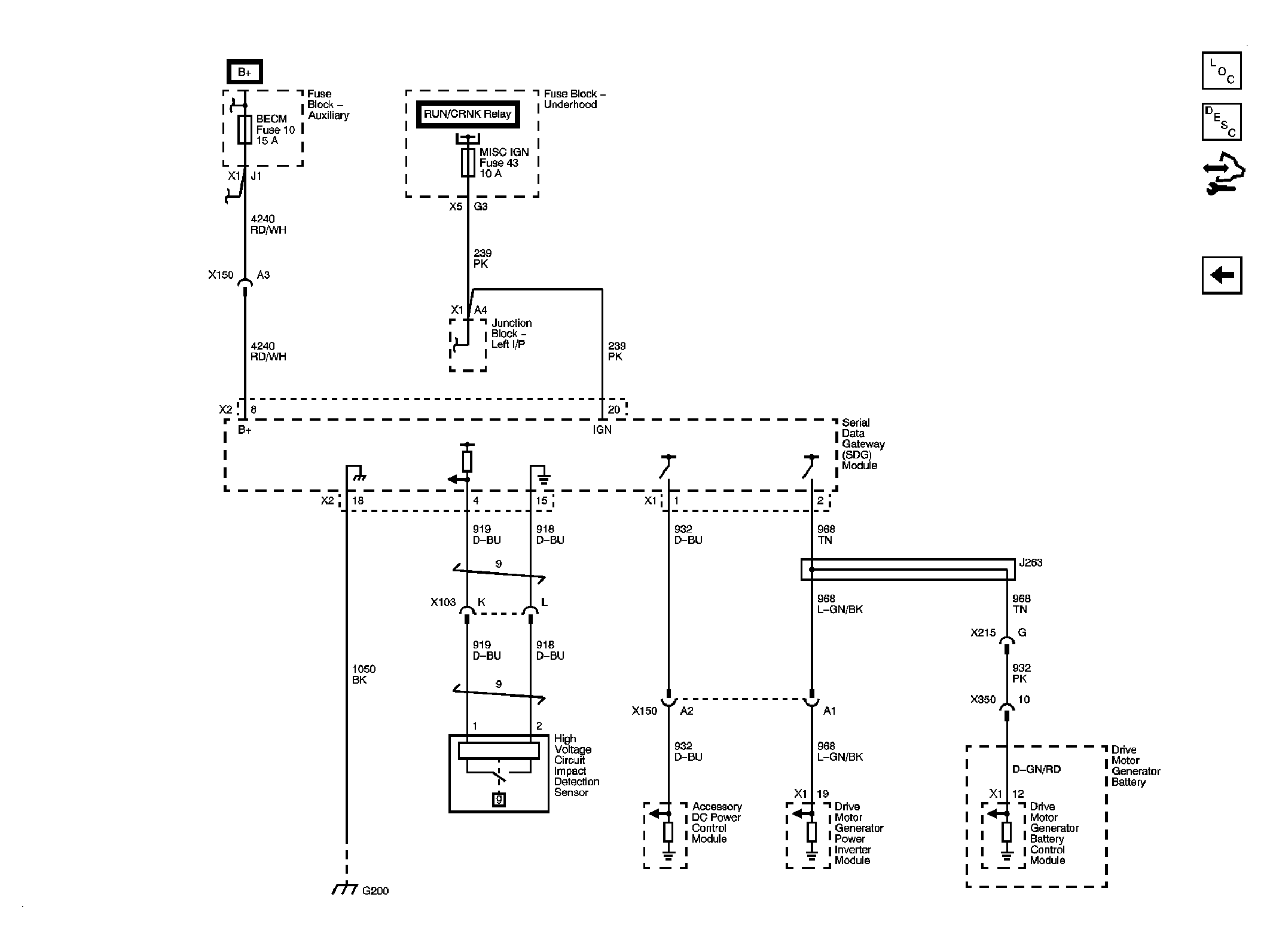
Fig 10: Serial Data Gateway (SDG) Module (HP2)
GM2074703Courtesy of GENERAL MOTORS CORP.