LEMON Manuals: Even more car manuals for everyone: 1960-2025
Home >> Cadillac >> 2010 >> CTS V, Standard >> Repair and Diagnosis >> Engine Performance >> System >> Data Communication System >> Schematic and Routing Diagrams >> Data Communication Schematics
April 5, 2026: LEMON Manuals is launched! Read the announcement.

Data Communication Schematics

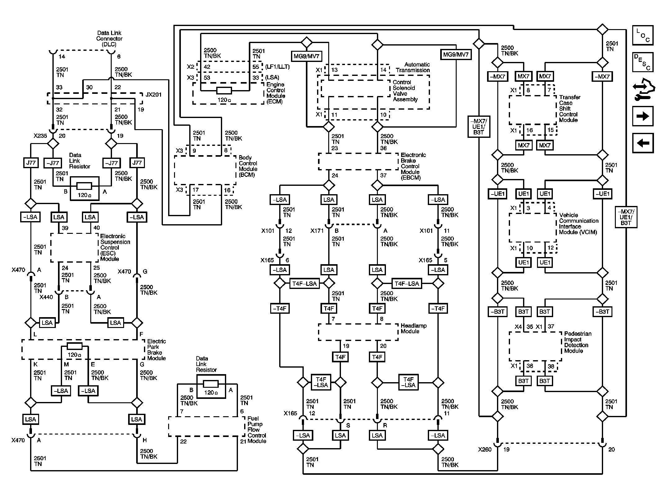
Fig 1: Low Speed GMLAN
GM2219607Courtesy of GENERAL MOTORS CORP.
Fig 2: High Speed GMLAN
GM2219610Courtesy of GENERAL MOTORS CORP.
Fig 3: Communications Enable
GM2219615Courtesy of GENERAL MOTORS CORP.