LEMON Manuals: Even more car manuals for everyone: 1960-2025
Home >> Cadillac >> 2011 >> SRX 2.8 6 >> Repair and Diagnosis >> Engine Performance >> System >> Data Communications System >> Wiring Schematics >> Data Communication Wiring Schematics
April 5, 2026: LEMON Manuals is launched! Read the announcement.

Data Communication Wiring Schematics

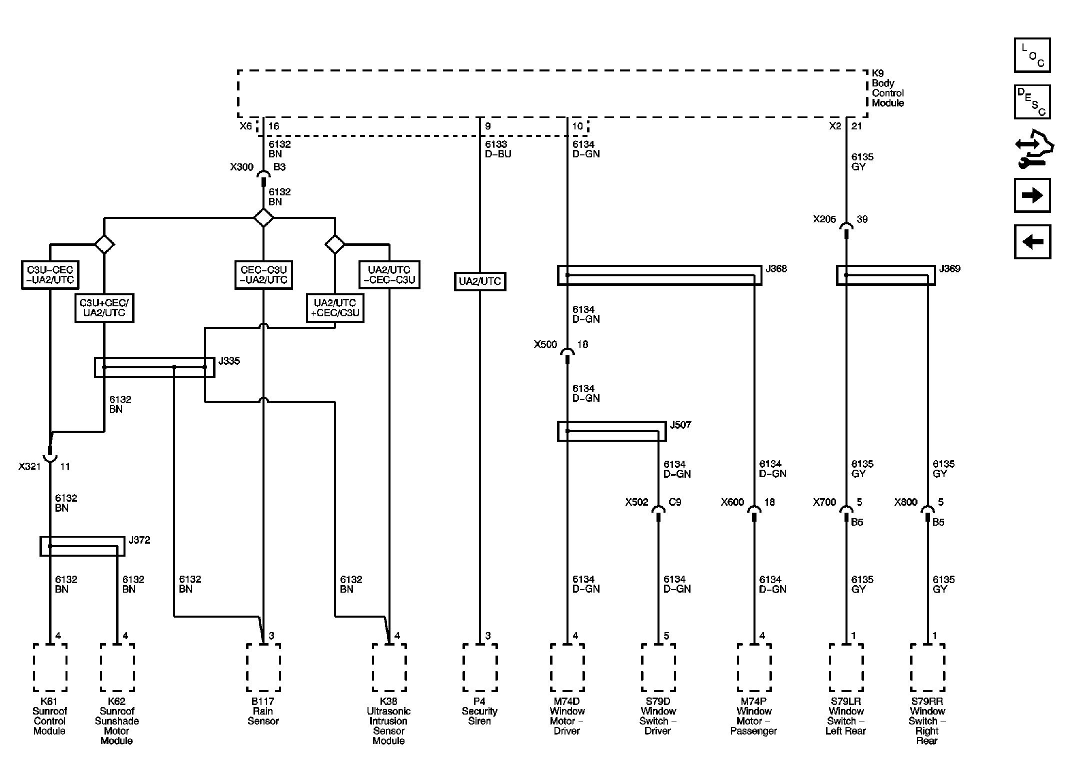
Fig 1: Low Speed GMLAN Wiring Schematic
GM2422560Courtesy of GENERAL MOTORS CORP.
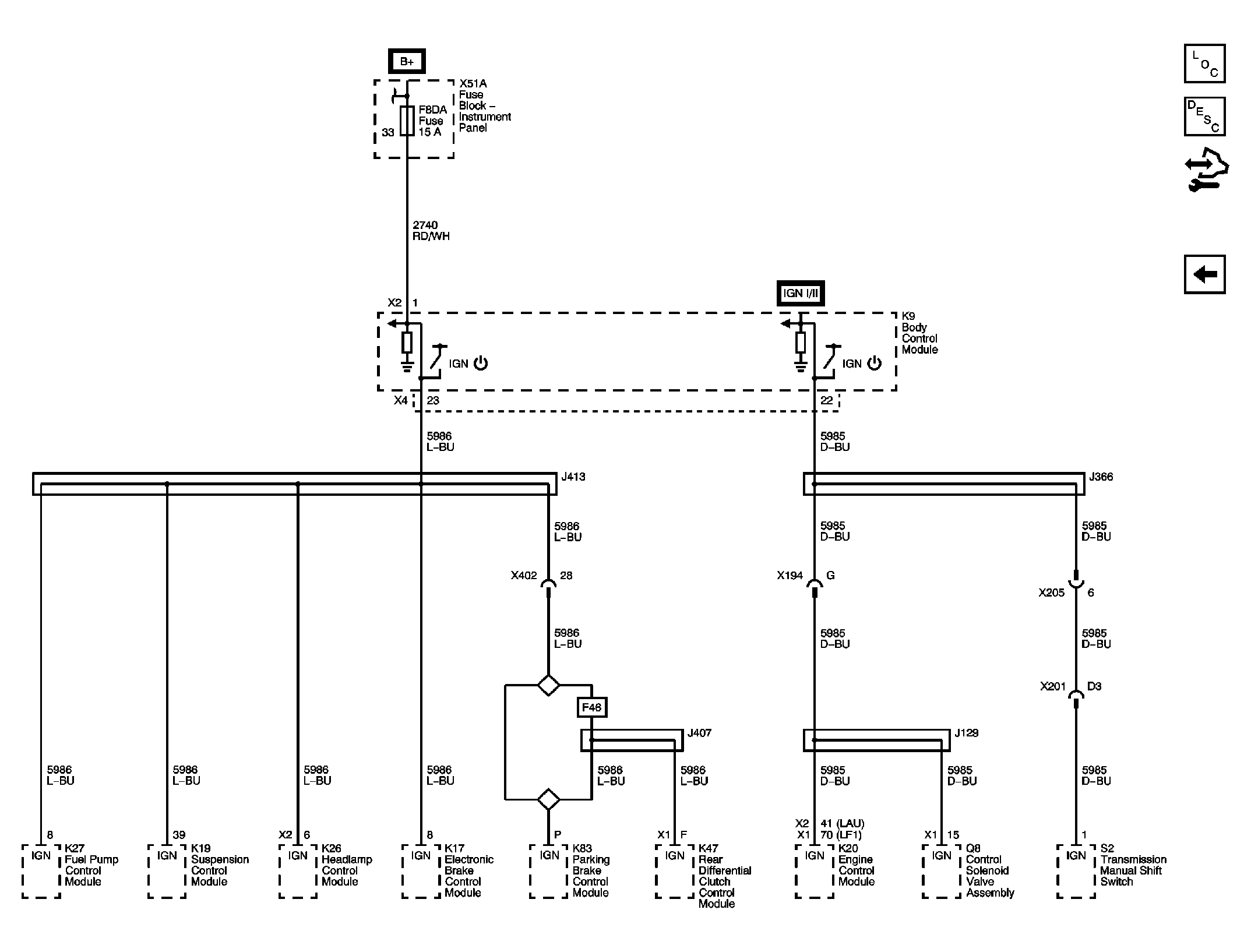
Fig 2: Mid Speed GMLAN Wiring Schematic
GM2422564Courtesy of GENERAL MOTORS CORP.
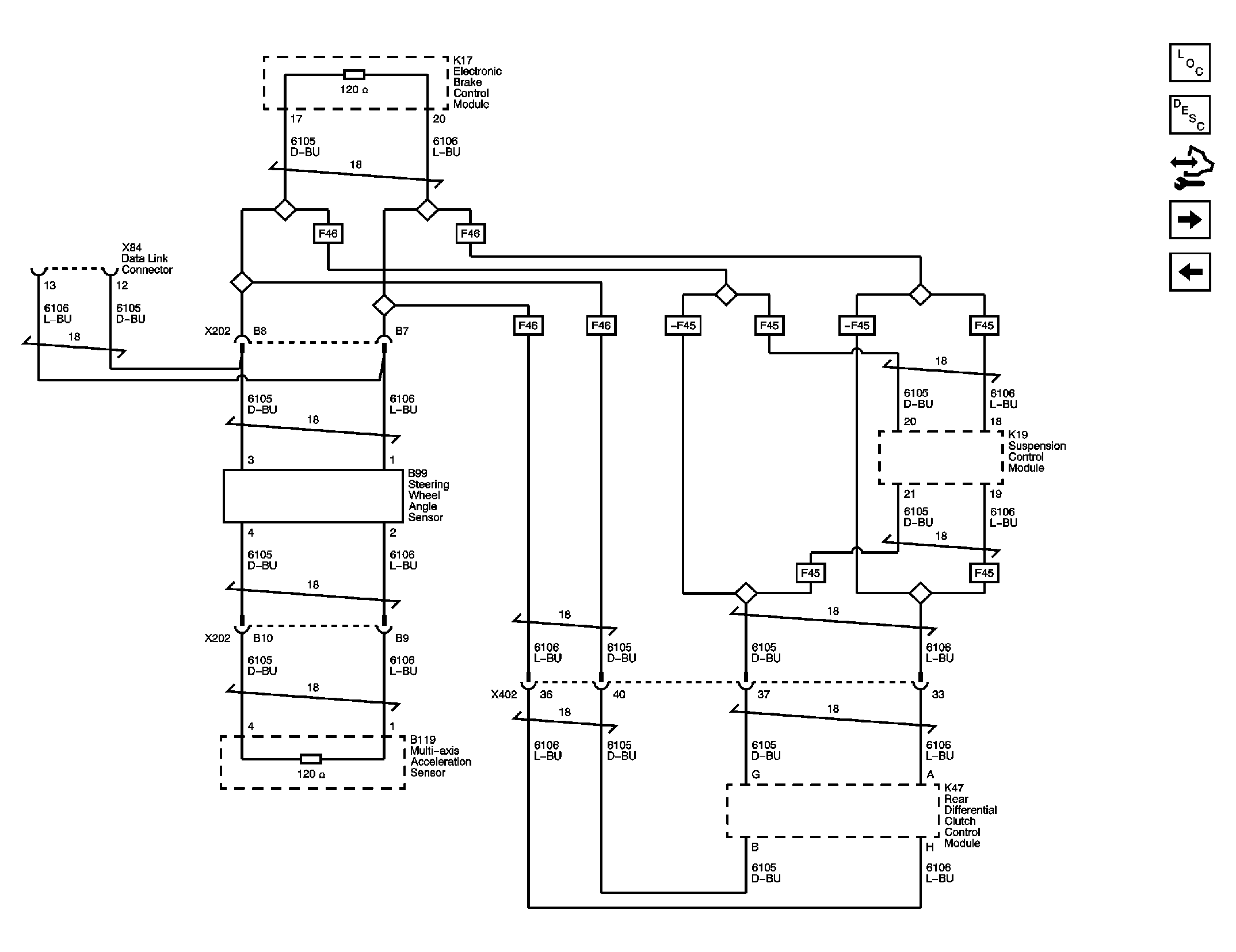
Fig 3: High Speed GMLAN Wiring Schematic
GM2422568Courtesy of GENERAL MOTORS CORP.
Fig 4: Local Interconnect Network Bus Wiring Schematic
GM2422571Courtesy of GENERAL MOTORS CORP.
Fig 5: Chassis Expansion Bus Wiring Schematic
GM2501878Courtesy of GENERAL MOTORS CORP.
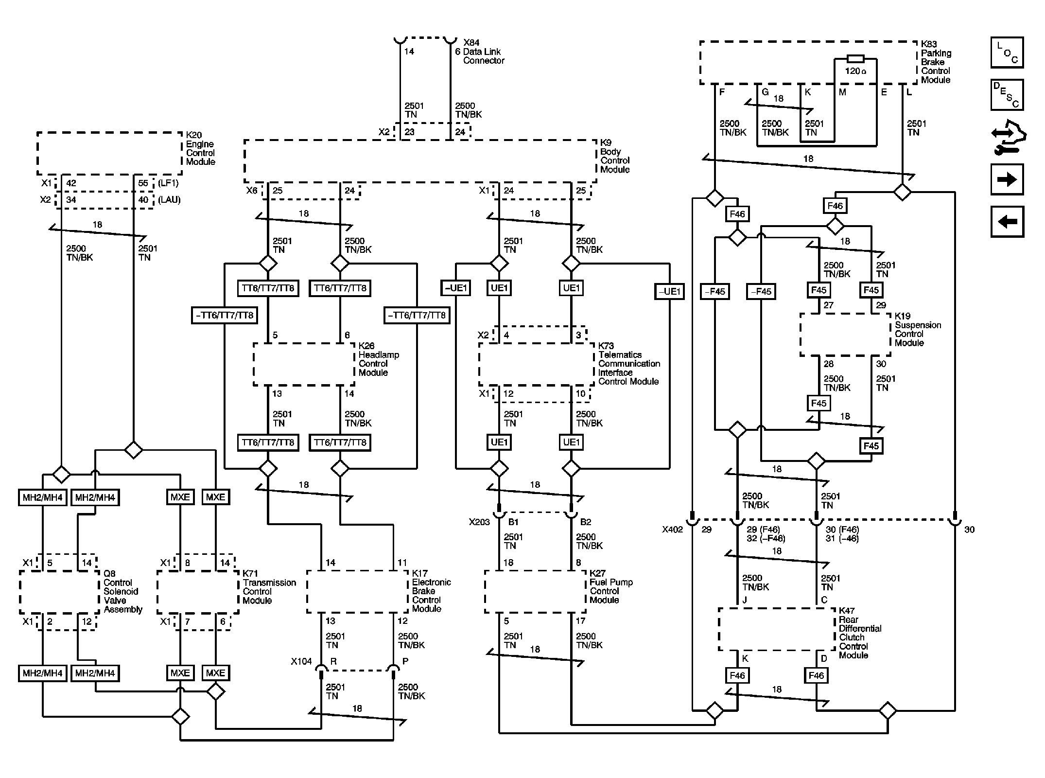
Fig 6: Communication & Enable Wake-up Circuits Wiring Schematic
GM2422574Courtesy of GENERAL MOTORS CORP.