LEMON Manuals: Even more car manuals for everyone: 1960-2025
Home >> Cadillac >> 2012 >> Escalade EXT >> Repair and Diagnosis (Single Page) >> External Pages >> Different car >> Section 1768 (Cellular System, Entertainment System, And Navigation System) >> Repair Instructions >> Audio/Video Disc Player Adapter Replacement (Except Cadillac)
April 5, 2026: LEMON Manuals is launched! Read the announcement.

Audio/Video Disc Player Adapter Replacement (Except Cadillac)

WARNING: This page does not describe the selected car, but rather 8 other vehicles, including the 2011 GMC Yukon XL, 2011 GMC Yukon, 2011 Chevrolet Tahoe, 2011 Chevrolet Suburban, and 2011 Chevrolet Avalanche. However, it is still accessible from the selected car via links, so may be relevant.
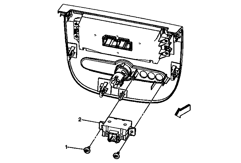
Fig 1: Audio/Video Disc Player Adapter
GM1799112Courtesy of GENERAL MOTORS CORP.
Audio/Video Disc Player Adapter Replacement (Except Cadillac)

Callout Component Name
Preliminary Procedure 
Remove the front floor console compartment bezel. Refer to Front Floor Console Compartment Bezel Replacement (Except Cadillac) , Front Floor Console Compartment Bezel Replacement (Cadillac) .
1 Audio/Video Disc Player Adapter Assembly Screw (Qty: 2)
CAUTION:

Refer to Fastener Caution .


Tighten 
2 N.m (18 lb in)
2 Audio/Video Disc Player Adapter Assembly