LEMON Manuals: Even more car manuals for everyone: 1960-2025
Home >> Cadillac >> 2014 >> ELR >> Repair and Diagnosis >> Accessories & Equipment >> Drivers Assistance Systems - ADAS >> Object Detection System And Pedestrian Protection System >> Schematic Wiring Diagrams >> Object Detection Wiring Schematics >> Safety Alert Seat (A45)
April 5, 2026: LEMON Manuals is launched! Read the announcement.

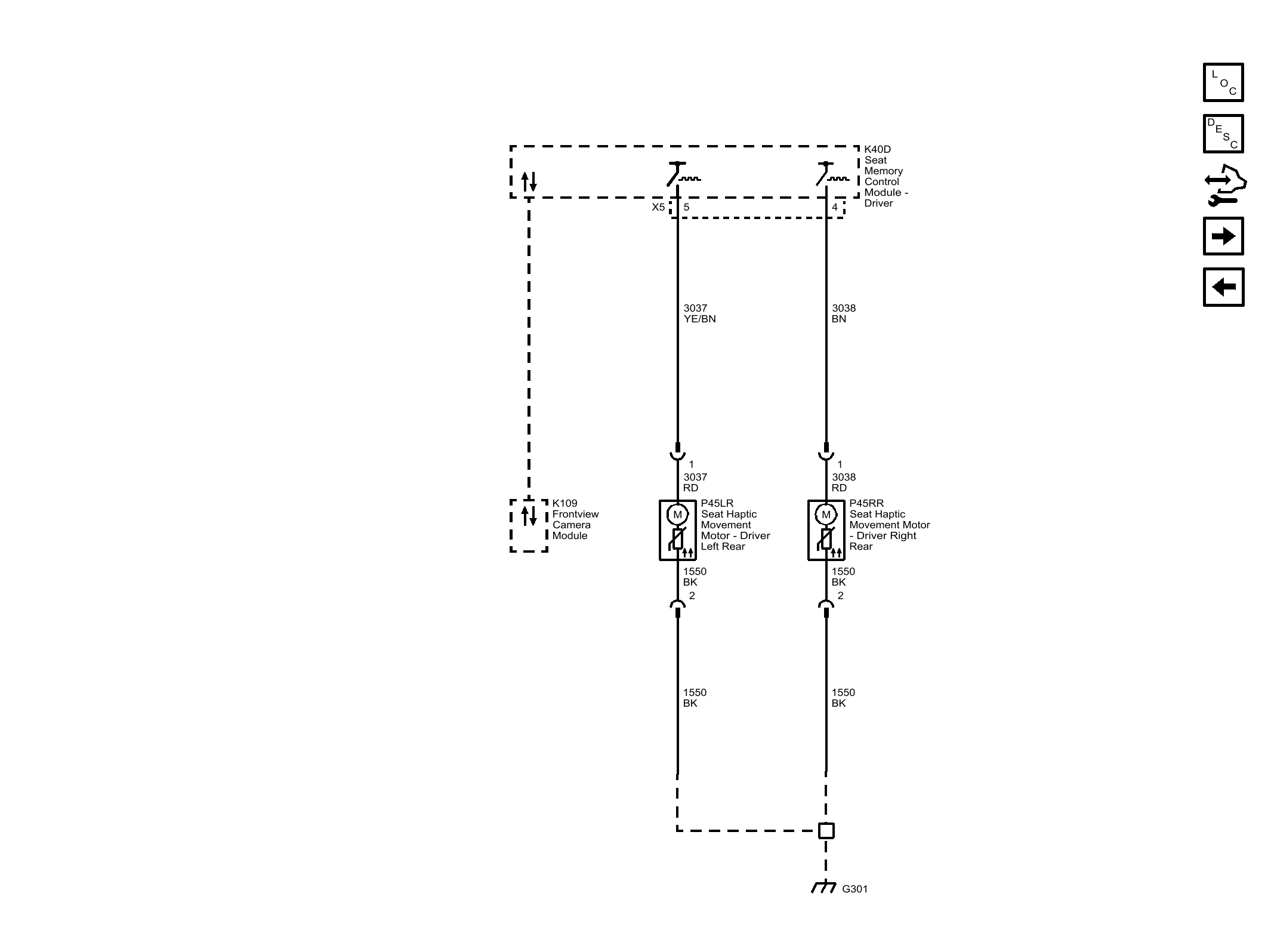
Safety Alert Seat (A45)

Fig 1: Safety Alert Seat (A45)
GM3617688Courtesy of GENERAL MOTORS COMPANY