LEMON Manuals: Even more car manuals for everyone: 1960-2025
Home >> Cadillac >> 2014 >> SRX Base >> Repair and Diagnosis >> Accessories & Equipment >> Drivers Assistance Systems - ADAS >> Object Detection System >> Schematic Wiring Diagrams >> Object Detection Wiring Schematics >> Side Blind Alert (except CZ2 with UFG/UFT)
April 5, 2026: LEMON Manuals is launched! Read the announcement.

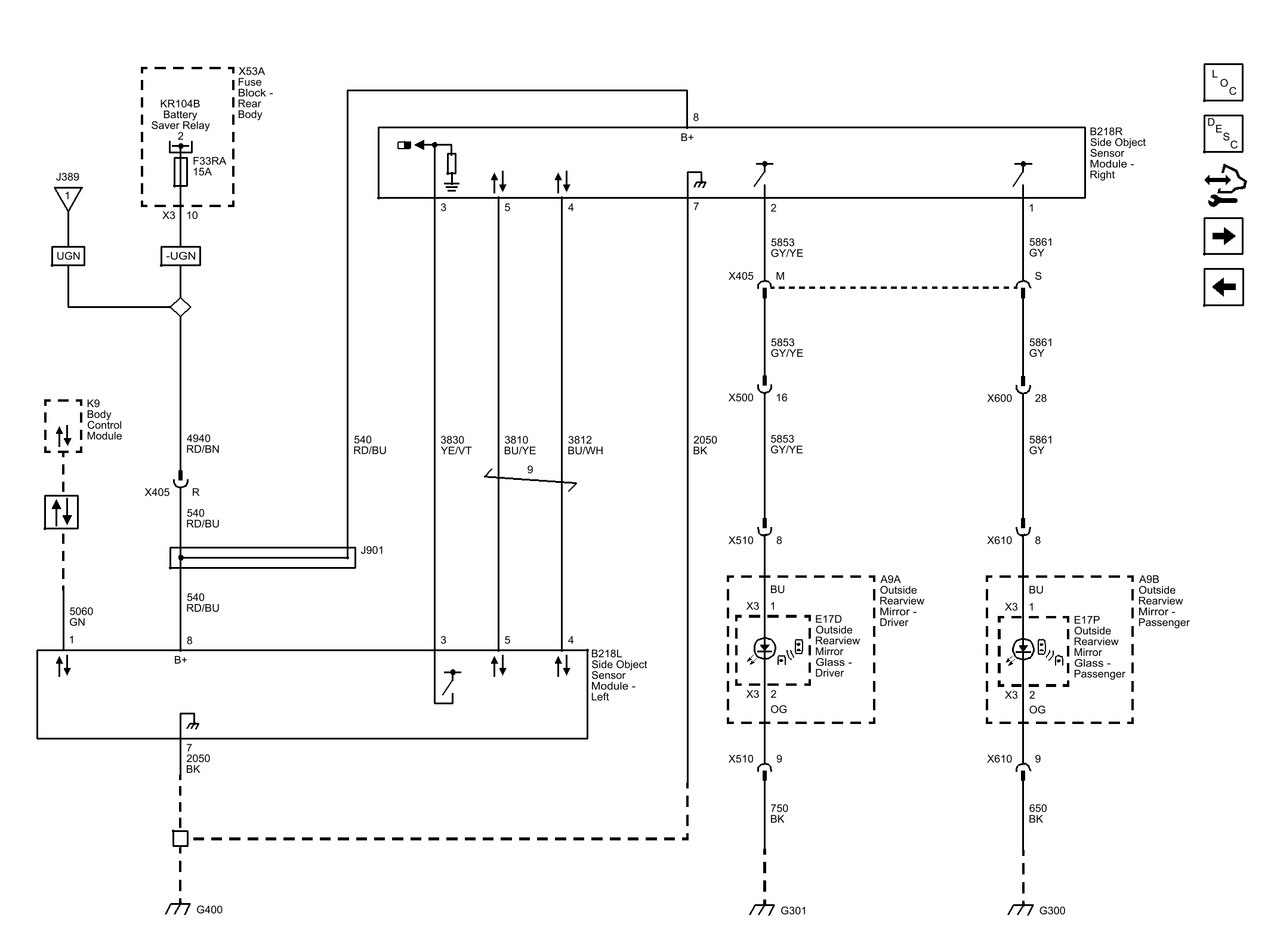
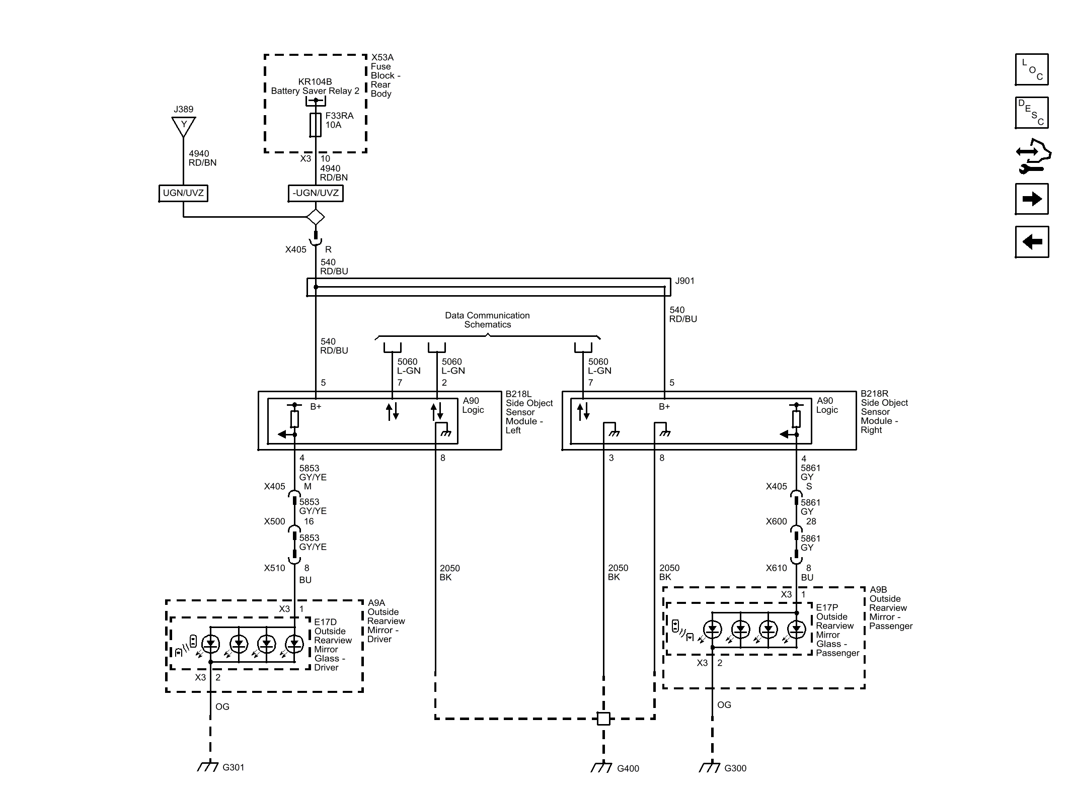
Side Blind Alert (except CZ2 with UFG/UFT)

Fig 1: Side Blind Alert (except CZ2 with UFG/UFT) Wiring Schematic (1 of 2)
GM3412885Courtesy of GENERAL MOTORS COMPANY
Fig 2: Side Blind Alert (except CZ2 with UFG/UFT) Wiring Schematic (2 of 2)
GM3653870Courtesy of GENERAL MOTORS COMPANY