LEMON Manuals: Even more car manuals for everyone: 1960-2025
Home >> Cadillac >> 2017 >> CT6 Plug-In >> Repair and Diagnosis >> Accessories & Equipment >> Drivers Assistance Systems - ADAS >> Object Detection System And Pedestrian Protection System - Schematic Wiring Diagrams >> Schematic Wiring Diagrams >> Object Detection Wiring Schematics >> Collision Alert Indicators and Safety Seat (UEU/UHX)
April 5, 2026: LEMON Manuals is launched! Read the announcement.

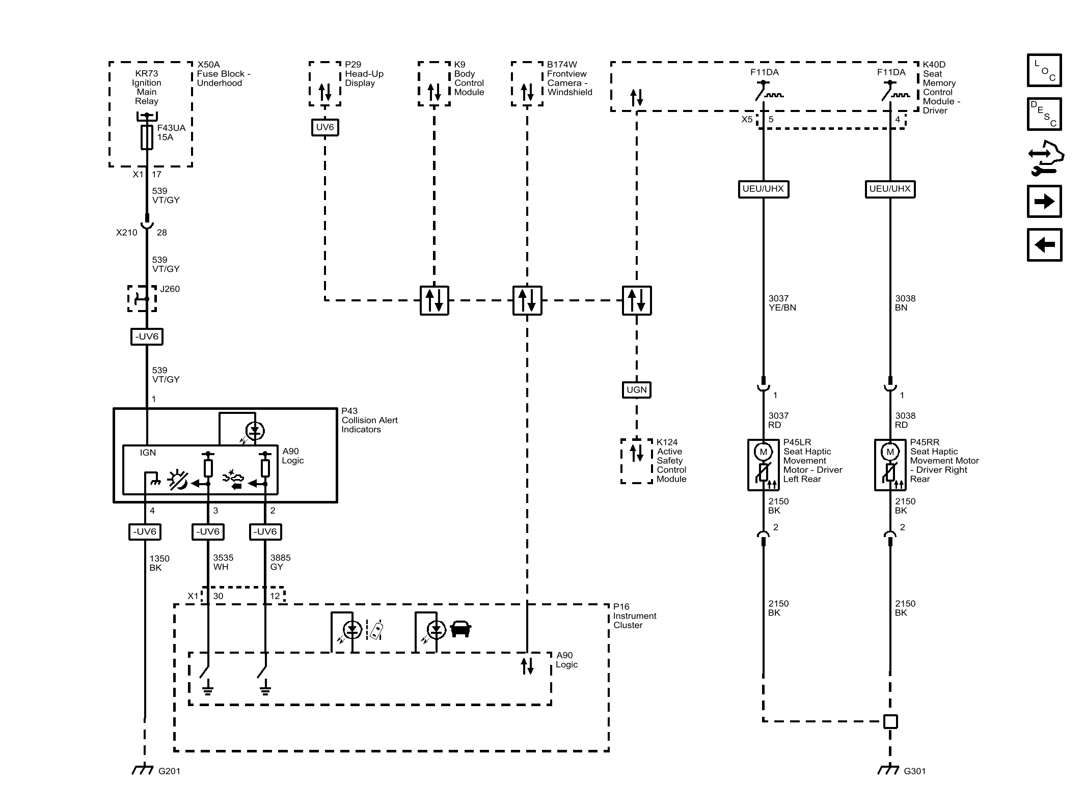
Collision Alert Indicators and Safety Seat (UEU/UHX)

Fig 1: Collision Alert Indicators and Safety Seat (UEU/UHX)
GM4489900Courtesy of GENERAL MOTORS COMPANY