LEMON Manuals: Even more car manuals for everyone: 1960-2025
Home >> Cadillac >> 2017 >> CTS Base, AWD >> Repair and Diagnosis (Single Page) >> Accessories & Equipment >> Entertainment Systems >> Cellular System, Entertainment System, And Navigation System - Schematic And Routing Diagrams >> Schematic Wiring Diagrams >> Radio/Navigation System Wiring Schematics (IO5/IO6) >> Human Machine Interface and Display, Power, Ground, Serial Data and Microphone
April 5, 2026: LEMON Manuals is launched! Read the announcement.

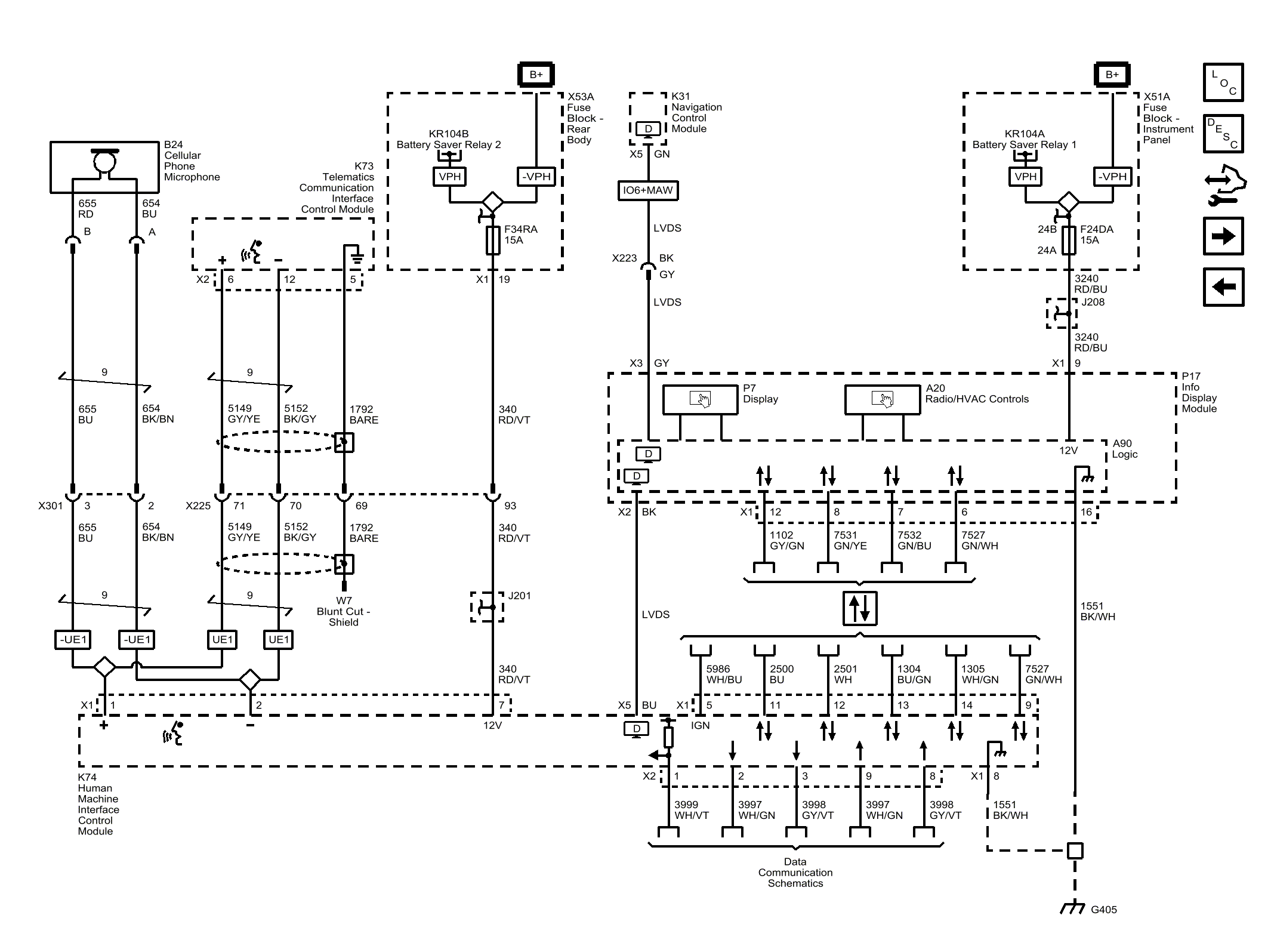
Human Machine Interface and Display, Power, Ground, Serial Data and Microphone

Fig 1: Human Machine Interface and Display, Power, Ground, Serial Data and Microphone
GM4492809Courtesy of GENERAL MOTORS COMPANY