LEMON Manuals: Even more car manuals for everyone: 1960-2025
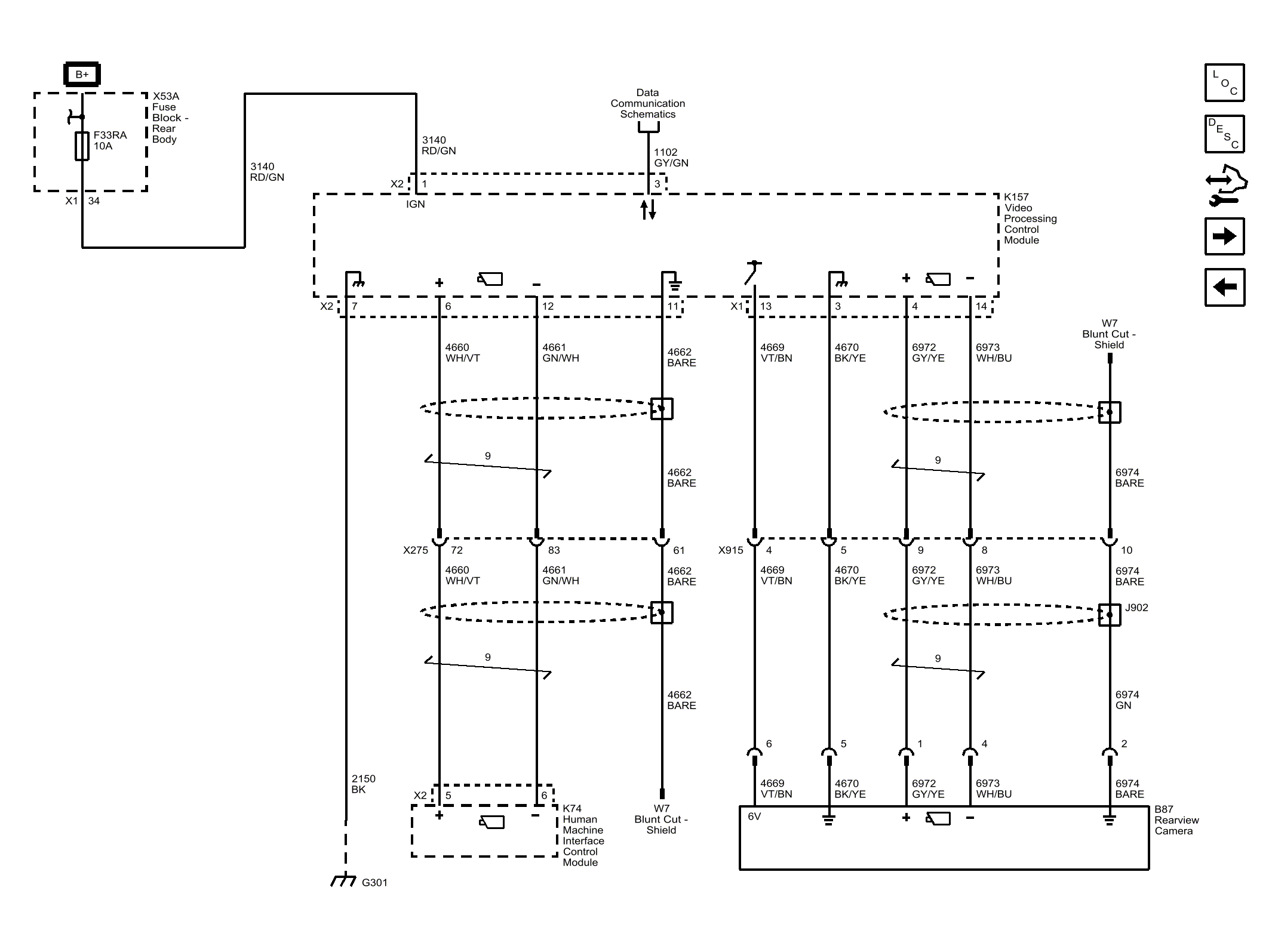
Home >> Cadillac >> 2017 >> CTS Base, AWD >> Repair and Diagnosis >> Accessories & Equipment >> Drivers Assistance Systems - ADAS >> Object Detection System And Pedestrian Protection System >> Schematic Wiring Diagrams >> Object Detection Wiring Schematics >> Curb View Vision - Power, Ground, Serial Data and Rear Camera (UVJ)
April 5, 2026: LEMON Manuals is launched! Read the announcement.

Curb View Vision - Power, Ground, Serial Data and Rear Camera (UVJ)

Fig 1: Curb View Vision - Power, Ground, Serial Data and Rear Camera (UVJ)
GM4493569Courtesy of GENERAL MOTORS COMPANY