LEMON Manuals: Even more car manuals for everyone: 1960-2025
Home >> Cadillac >> 2017 >> CTS Base, AWD >> Repair and Diagnosis >> External Pages >> Different car >> Section 218 (Object Detection System And Pedestrian Protection System - Schematic Wiring Diagrams) >> Schematic Wiring Diagrams >> Object Detection Wiring Schematics >> Curb View Vision - Power, Ground, Serial Data and Rear Camera (UVJ)
April 5, 2026: LEMON Manuals is launched! Read the announcement.

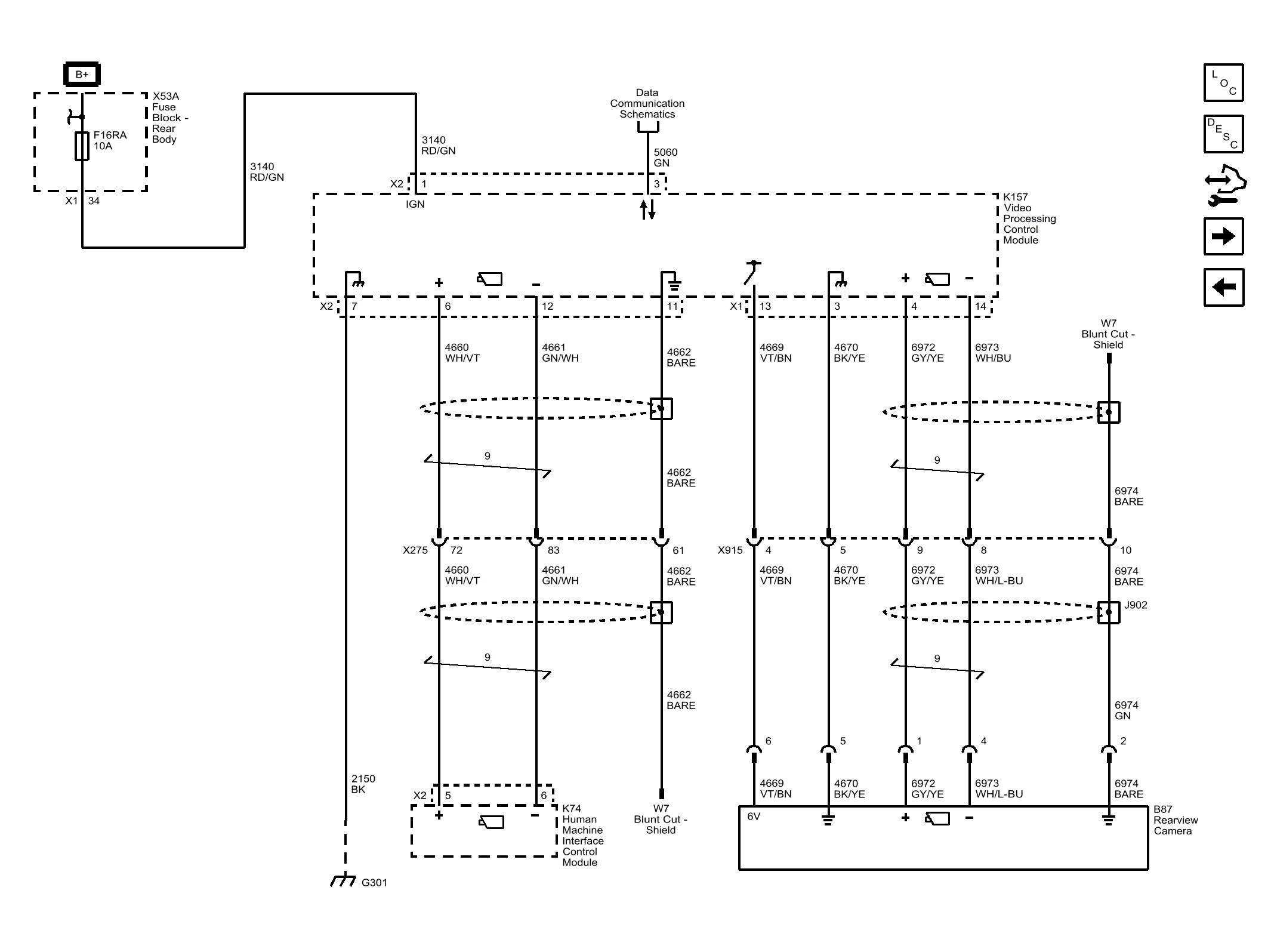
Curb View Vision - Power, Ground, Serial Data and Rear Camera (UVJ)

WARNING: This page is about a different car, the 2016 Cadillac CTS. However, it is still accessible from the selected car via links, so may be relevant.
Fig 1: Curb View Vision - Power, Ground, Serial Data and Rear Camera (UVJ)
GM4296653Courtesy of GENERAL MOTORS COMPANY