LEMON Manuals: Even more car manuals for everyone: 1960-2025
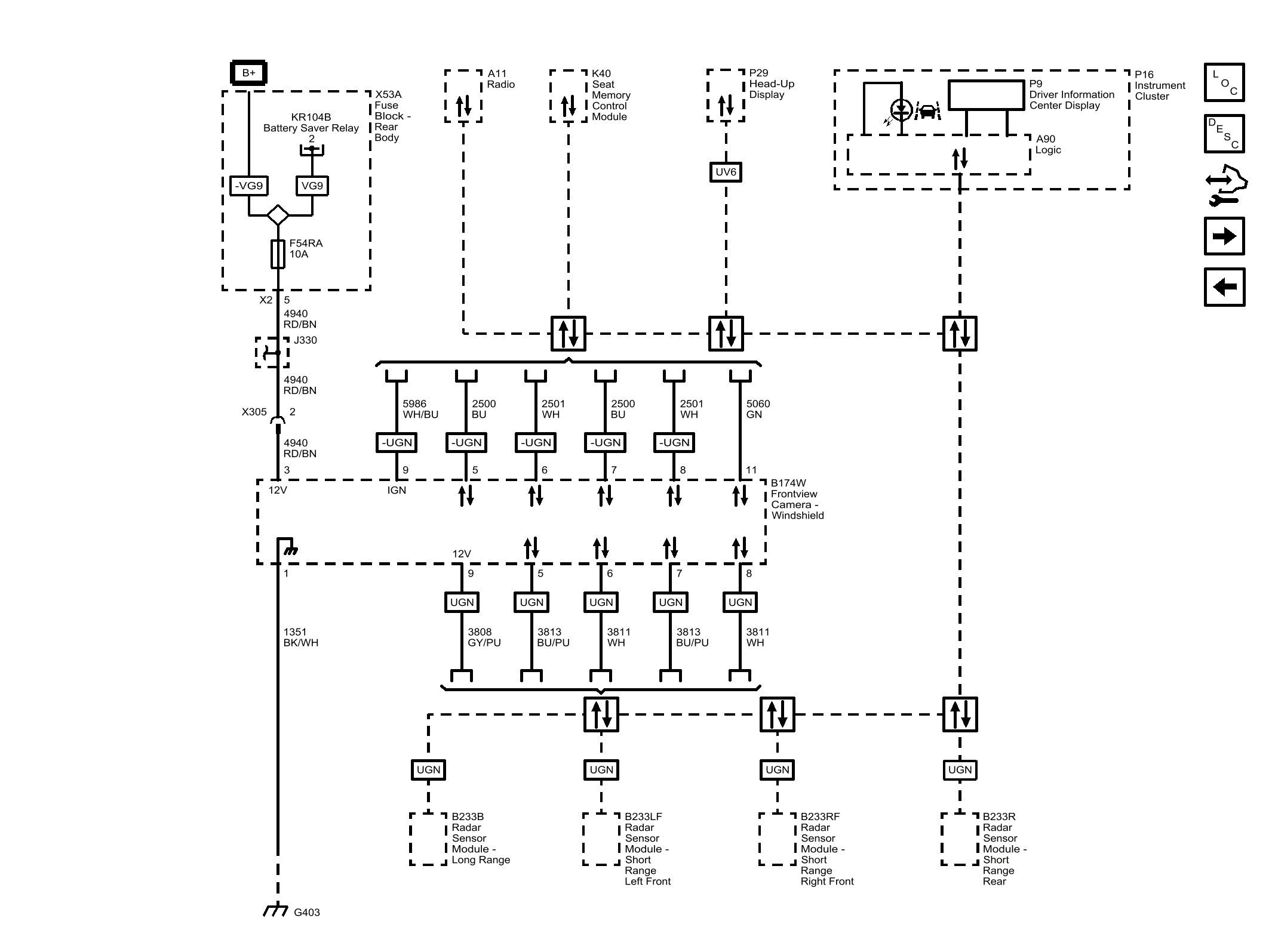
Home >> Cadillac >> 2017 >> XT5 Platinum >> Repair and Diagnosis >> Accessories & Equipment >> Drivers Assistance Systems - ADAS >> Object Detection System And Pedestrian Protection System >> Schematic Wiring Diagrams >> Object Detection Wiring Schematics >> Lane Keep Assist and Forward Collision - Module Power, Ground, and Serial Data (UEU)
April 5, 2026: LEMON Manuals is launched! Read the announcement.

Lane Keep Assist and Forward Collision - Module Power, Ground, and Serial Data (UEU)

Fig 1: Lane Keep Assist and Forward Collision - Module Power, Ground, and Serial Data (UEU)
GM4304634Courtesy of GENERAL MOTORS COMPANY