LEMON Manuals: Even more car manuals for everyone: 1960-2025
Home >> Cadillac >> 2017 >> XTS Base >> Repair and Diagnosis >> Accessories & Equipment >> Infotainment >> Cellular System, Entertainment System, And Navigation System >> Schematic Wiring Diagrams >> Radio/Navigation System Wiring Schematics >> Auxiliary Inputs
April 5, 2026: LEMON Manuals is launched! Read the announcement.

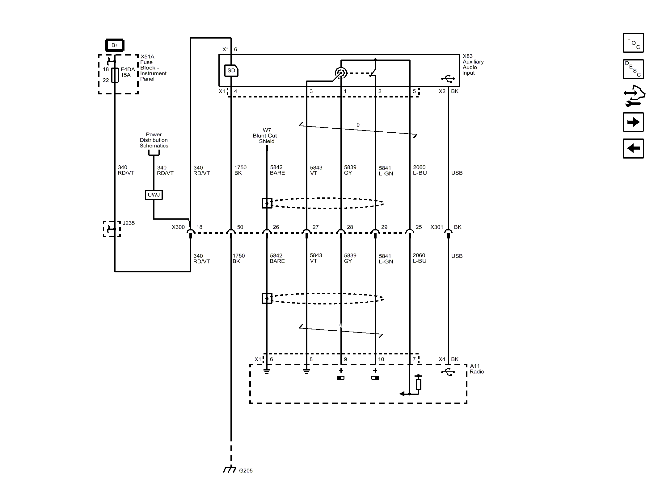
Auxiliary Inputs

Fig 1: Auxiliary Inputs
GM4453991Courtesy of GENERAL MOTORS COMPANY