LEMON Manuals: Even more car manuals for everyone: 1960-2025
Home >> Cadillac >> 2019 >> XT5 Base, FWD >> Repair and Diagnosis >> External Pages >> Different car >> Section 43 (Cellular System, Entertainment System, And Navigation System) >> Schematic and Wiring Diagrams >> Radio/Navigation System Wiring Schematics >> Human Machine Interface and Display, Power, Ground, Serial Data and Microphone
April 5, 2026: LEMON Manuals is launched! Read the announcement.

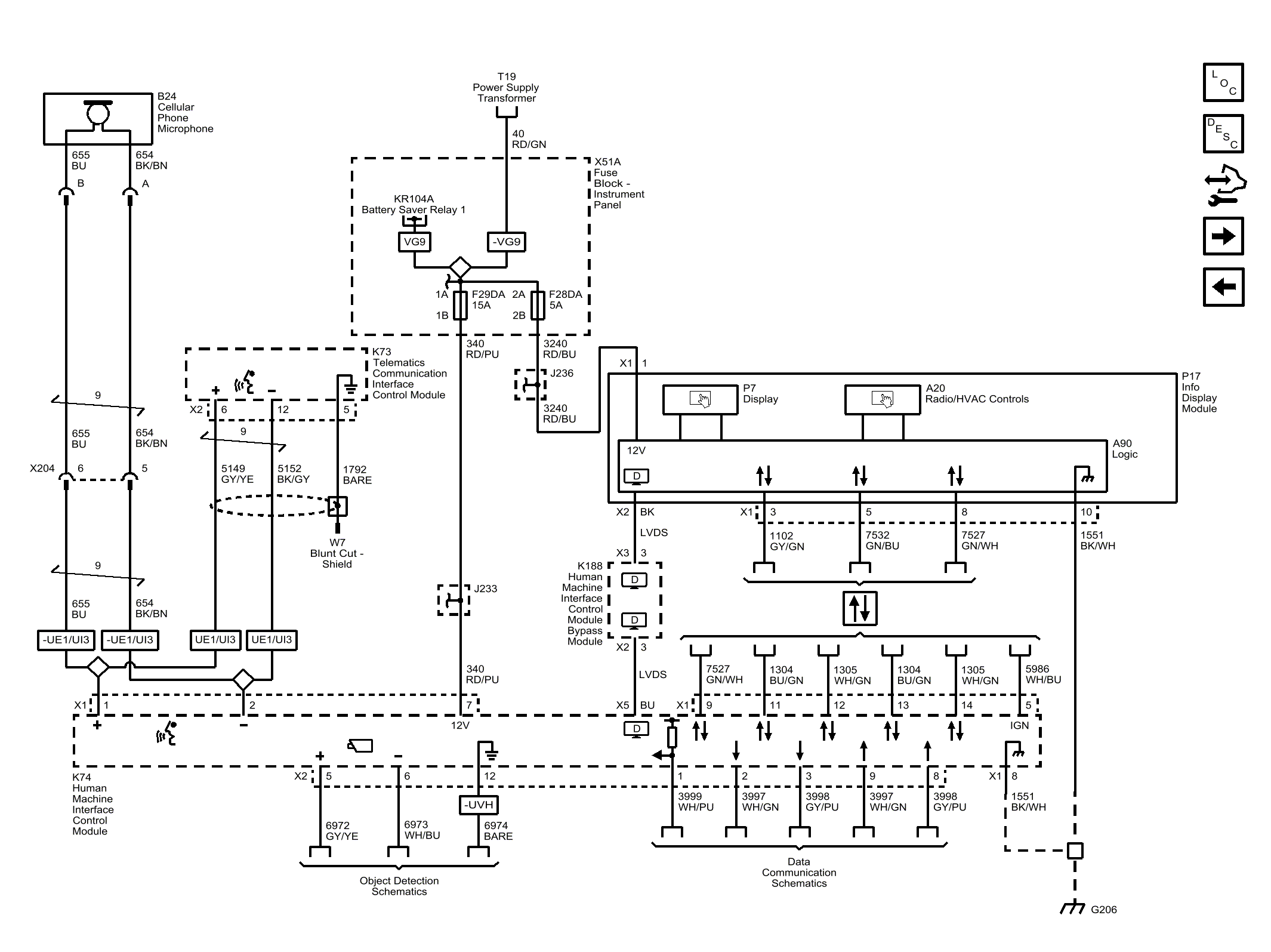
Human Machine Interface and Display, Power, Ground, Serial Data and Microphone

WARNING: This page is about a different car, the 2018 Cadillac XT5. However, it is still accessible from the selected car via links, so may be relevant.
GM4664293Courtesy of GENERAL MOTORS COMPANY