LEMON Manuals
: Even more car manuals for everyone: 1960-2025
Home
>>
Cadillac
>>
2019
>>
XT5 Base, FWD
>>
Repair and Diagnosis
>>
External Pages
>>
Different car
>>
Section 87 (Image Display Camera System)
>>
Schematic Wiring Diagrams
>>
Image Display Camera Wiring Schematics
>>
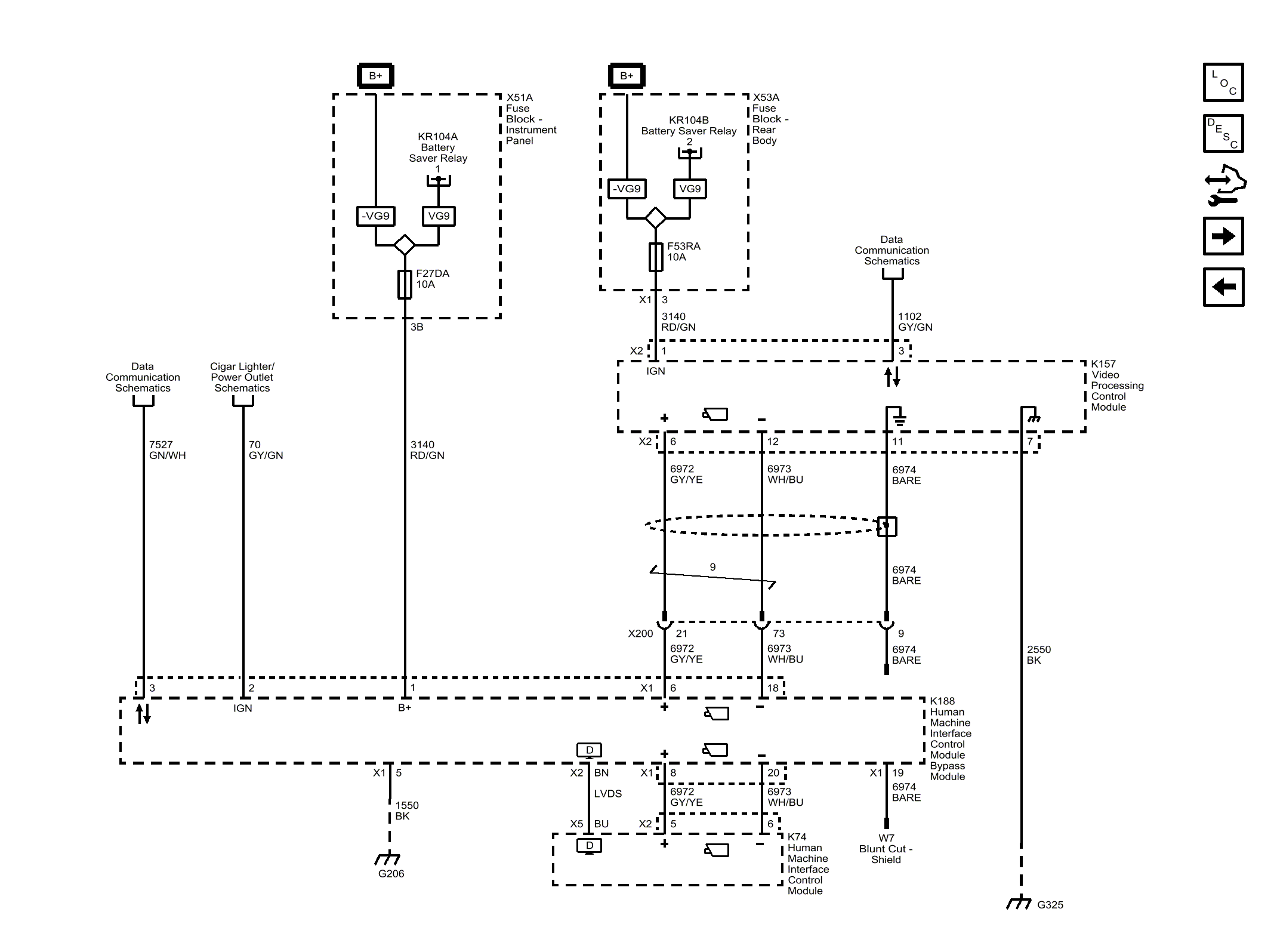
360 Degree Vision - Module Power, Ground, Serial Data, and Camera Signals (UVH)
April 5, 2026:
LEMON Manuals is launched!
Read the announcement.
360 Degree Vision - Module Power, Ground, Serial Data, and Camera Signals (UVH)
WARNING:
This page is about a different car, the 2018 Cadillac XT5. However, it is still accessible from the selected car via links, so may be relevant.