LEMON Manuals: Even more car manuals for everyone: 1960-2025
Home >> Cadillac >> 2019 >> XTS Base >> Repair and Diagnosis >> External Pages >> Different car >> Section 53 (Cellular System, Entertainment System, And Navigation System) >> Schematic Wiring Diagrams >> Radio/Navigation System Wiring Schematics >> Power, Ground, and Serial Data
April 5, 2026: LEMON Manuals is launched! Read the announcement.

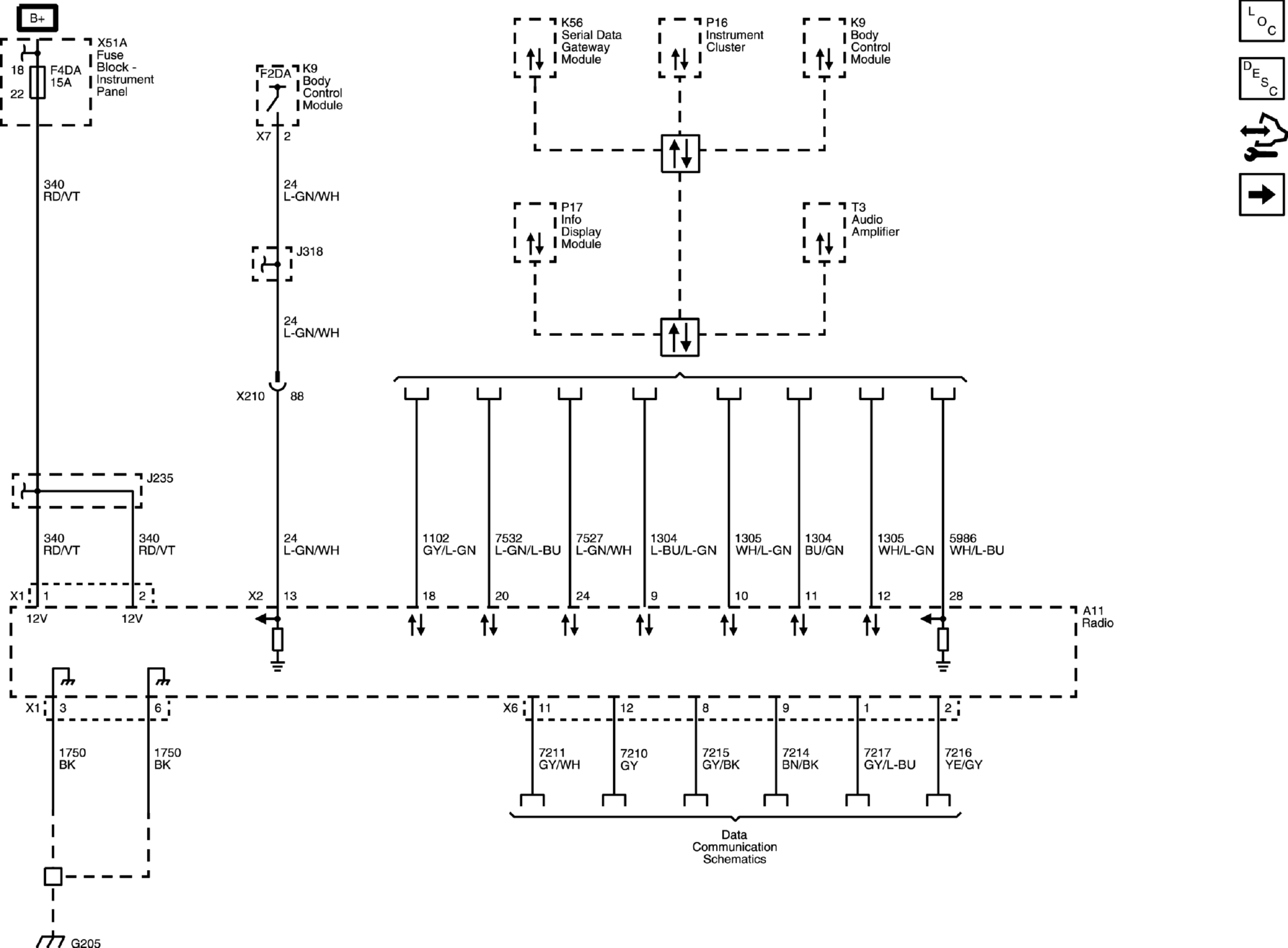
Power, Ground, and Serial Data

WARNING: This page is about a different car, the 2018 Cadillac XTS. However, it is still accessible from the selected car via links, so may be relevant.
GM4732161Courtesy of GENERAL MOTORS COMPANY