LEMON Manuals: Even more car manuals for everyone: 1960-2025
Home >> Chevrolet >> 1985 >> Spectrum L4-91.5 1.5L >> Repair and Diagnosis >> Powertrain Management >> Ignition System >> Distributor >> Service and Repair >> Distributor Service
April 5, 2026: LEMON Manuals is launched! Read the announcement.

Distributor Service

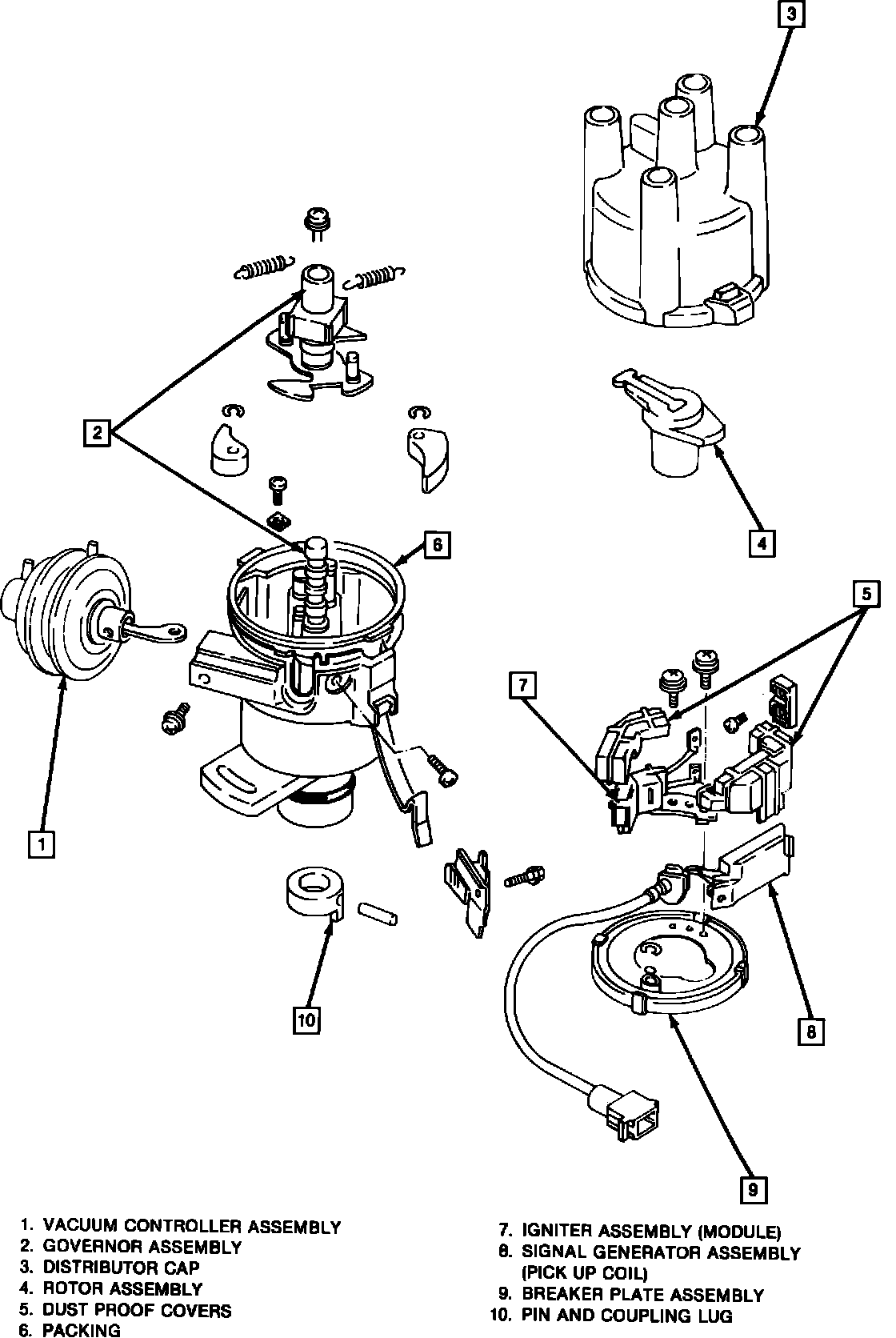
Fig. 4 Disassembled view of distributor assembly. 1985:





DISASSEMBLY

1985

1. Remove distributor from engine.
2. Remove distributor cap, rotor and packing, Fig. 4.
3. Remove dust proof covers and igniter (module) from distributor.
4. Remove signal generator from distributor.
5. Remove vacuum advance assembly from distributor.
6. Remove breaker assembly from distributor.
7. Break away caulking on the coupling lug, then remove pin.
8. Remove governor assembly from distributor.
9. Replace any worn and/or damaged parts as required.



ASSEMBLY

1985

1. Install governor assembly into distributor.
2. Install pin, then the coupling nut.
3. Install breaker assembly into distributor.
4. Install vacuum advance assembly into distributor.
5. Install signal generator into distributor.
6. Install igniter assembly into distributor.
7. Install dust proof covers and packing into distributor.