LEMON Manuals: Even more car manuals for everyone: 1960-2025
Home >> Chevrolet >> 1994 >> Lumina Base >> Repair and Diagnosis >> Engine Performance >> System >> Engine Controls - Tests W/Codes - 3.1L >> ECM/Pcm Code Charts >> Code 41, Cylinder Select Error >> Diagnostic Aids
April 5, 2026: LEMON Manuals is launched! Read the announcement.

Diagnostic Aids

Scan tester does not have the ability to help diagnose Code

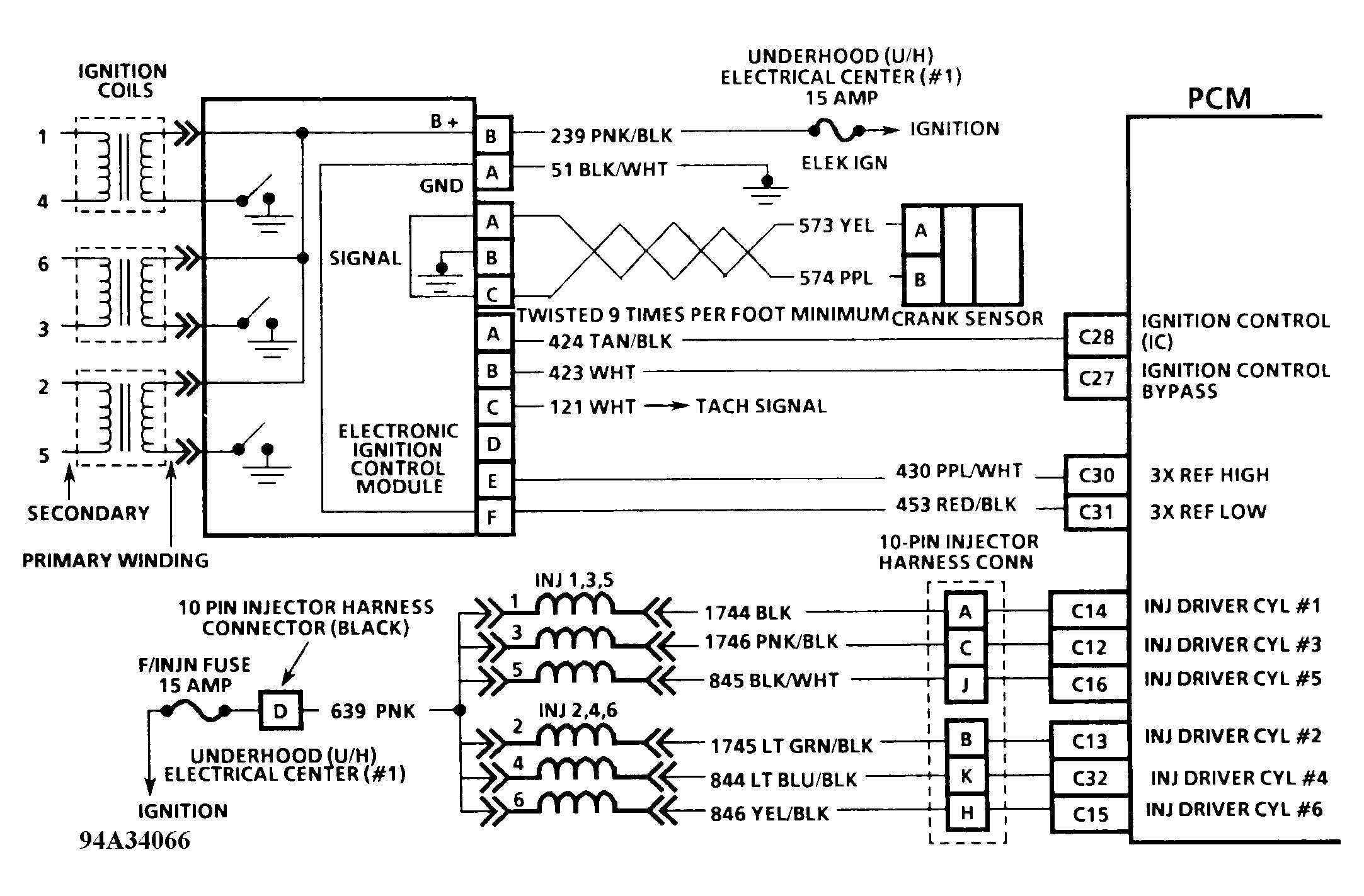
Fig 1: Code 41 Schematic (3.1L) Cylinder Select Error
G94A34066
Fig 2: Code 41 Flow Chart (3.1L) Cylinder Select Error
G94B35072
Fig 3: Code 41 Flow Chart
GB0013324