LEMON Manuals: Even more car manuals for everyone: 1960-2025
Home >> Chevrolet >> 2000 >> Impala V6-3.8L VIN K >> Repair and Diagnosis >> Powertrain Management >> Computers and Control Systems >> Fuel Level Sensor >> Service and Repair
April 5, 2026: LEMON Manuals is launched! Read the announcement.

Fuel Level Sensor: Service and Repair




REMOVAL PROCEDURE

IMPORTANT: Always maintain cleanliness when servicing fuel system components.

1. Relieve fuel system pressure. Refer to Fuel Pressure Relief Procedure. Service and Repair
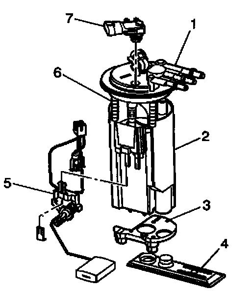
2. Remove the modular fuel sender assembly.
3. Remove the fuel level sensor (5) from the modular fuel sender.

INSTALLATION PROCEDURE
1. Install the fuel level sensor (5) to modular fuel sender.
2. Reinstall the fuel sender assembly.
3. Tighten the fuel fill cap.
4. Connect the negative battery cable.
5. Inspect for fuel leaks.
5.1.Turn ON the ignition, for 2 seconds.
5.2.Turn OFF the ignition, for 10 seconds.
5.3.Turn ON the ignition.
5.4.Inspect for fuel leaks.
6. Install the fuel injection sight shield.