LEMON Manuals: Even more car manuals for everyone: 1960-2025
Home >> Chevrolet >> 2000 >> Impala V6-3.8L VIN K >> Repair and Diagnosis >> Powertrain Management >> Computers and Control Systems >> Relays and Modules - Computers and Control Systems >> Body Control Module >> Diagrams >> Electrical Diagrams >> Traction Control Switch
April 5, 2026: LEMON Manuals is launched! Read the announcement.

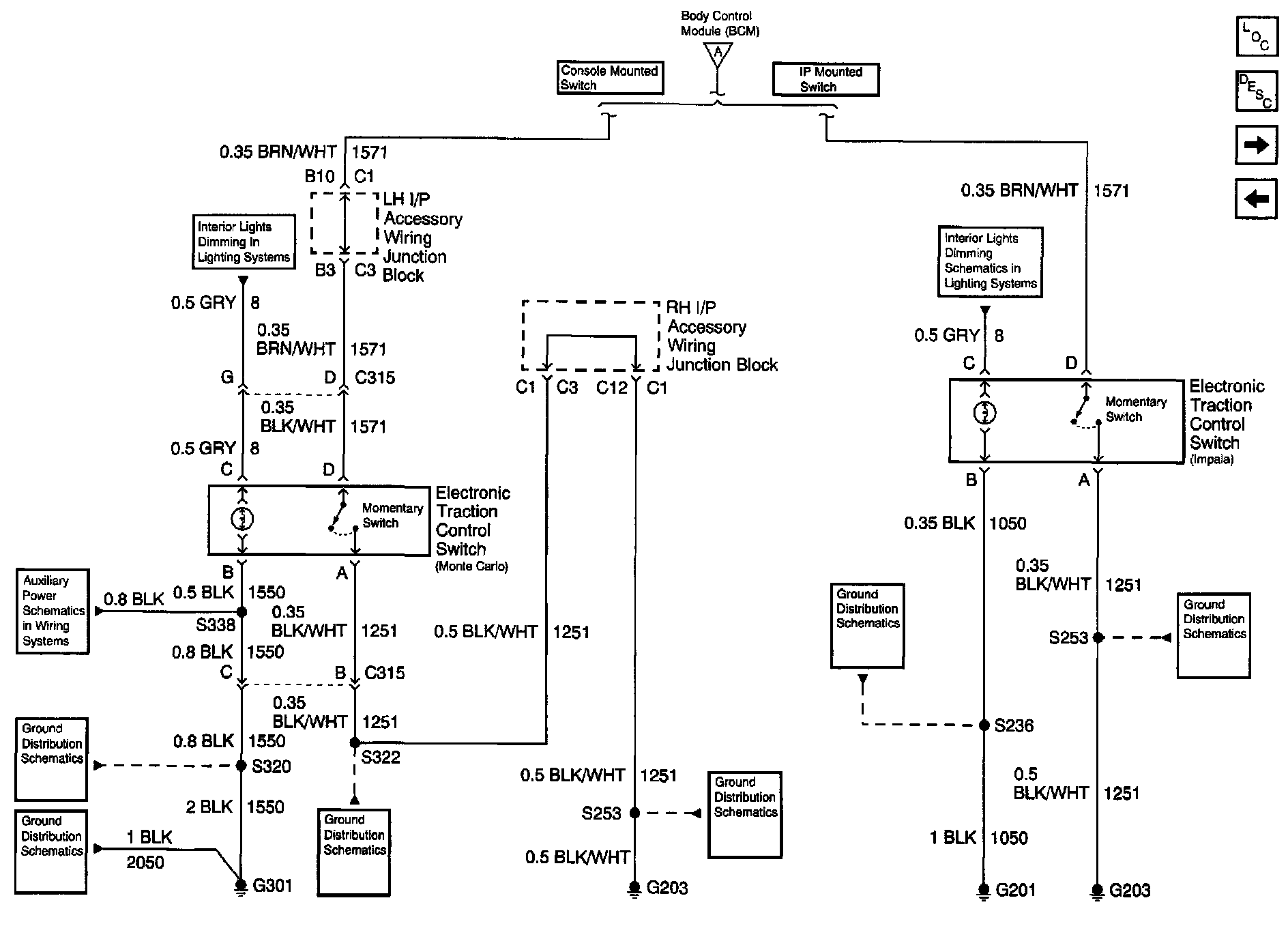
Traction Control Switch

Body Control Module Schematics: Traction Control Switch: