LEMON Manuals: Even more car manuals for everyone: 1960-2025
Home >> Chevrolet >> 2003 >> Impala LS >> Repair and Diagnosis >> Body & Frame >> Door Locks >> Keyless Entry System >> Component Locator >> Keyless Entry Component Views
April 5, 2026: LEMON Manuals is launched! Read the announcement.

Keyless Entry Component Views

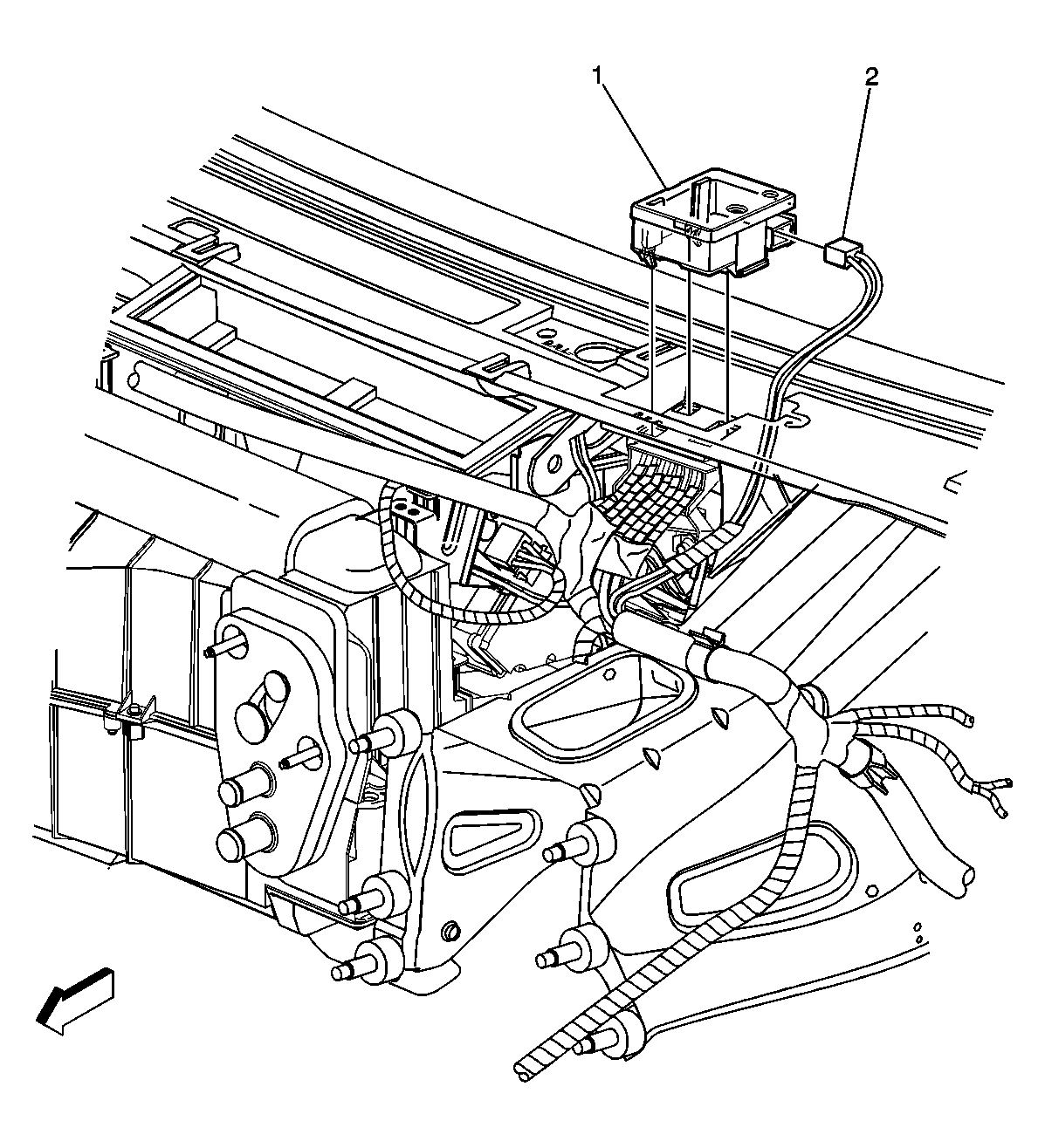
Fig 1: Top Left Center Of Instrument Panel Component View
GM498359Courtesy of GENERAL MOTORS CORP.
Callout Component Name
1 Remote Control Door Lock Receiver (RCDLR)
2 Remote Control Door Lock Receiver (RCDLR) Connector