LEMON Manuals: Even more car manuals for everyone: 1960-2025
Home >> Chevrolet >> 2003 >> Tracker 2D Utility, RWD, Automatic >> Repair and Diagnosis >> Brakes >> Traction Control >> Antilock Brake System >> Schematic and Routing Diagrams >> ABS Schematics (Electronic Brake Control Module (EBCM) Power and Ground) >> ABS Schematics (Electronic Brake Control Module (EBCM), ABS Indicator, Accelerometer)
April 5, 2026: LEMON Manuals is launched! Read the announcement.

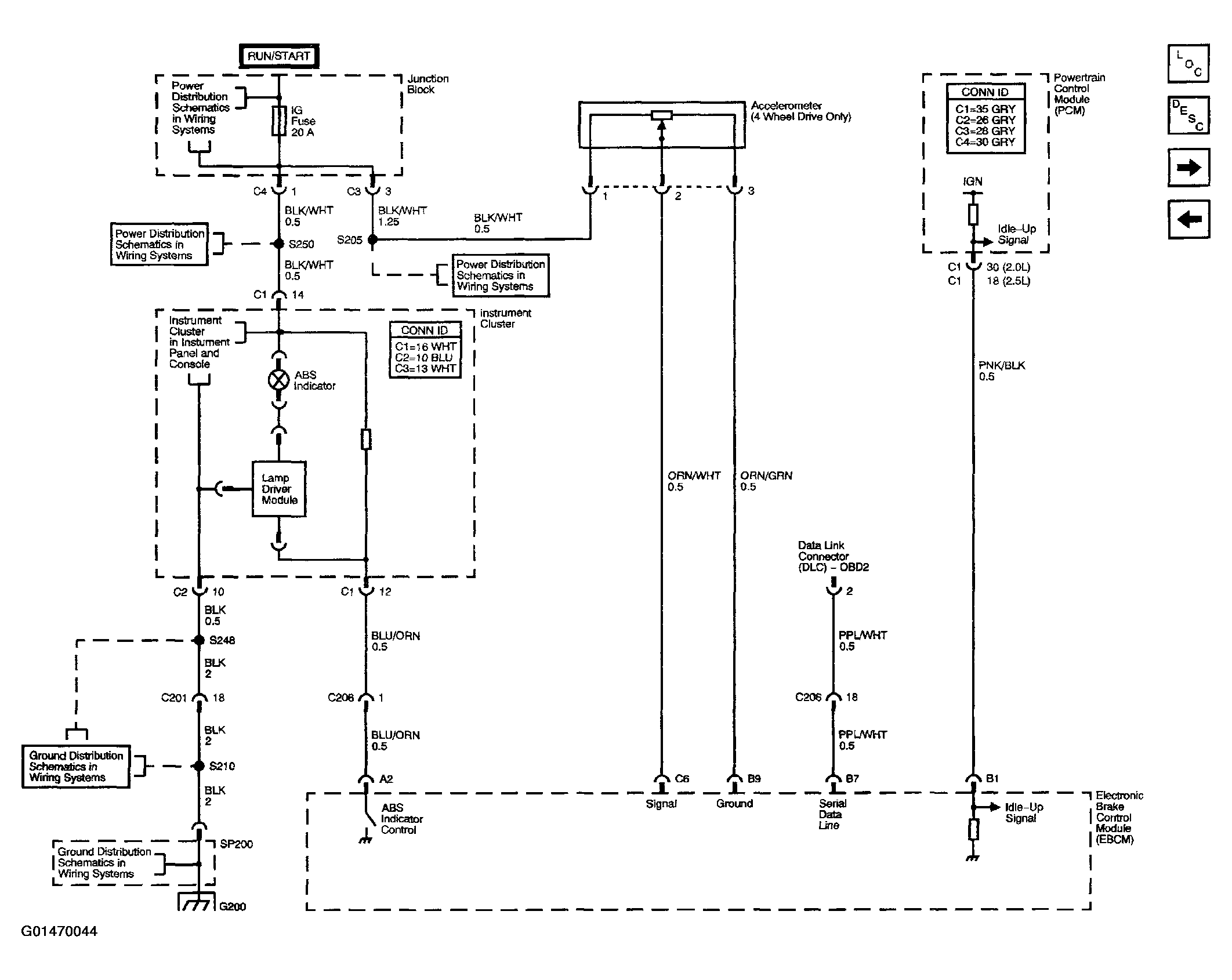
ABS Schematics (Electronic Brake Control Module (EBCM), ABS Indicator, Accelerometer)

Fig 1: ABS Schematics (Electronic Brake Control Module (EBCM), ABS Indicator, Accelerometer)
G01470044Courtesy of GENERAL MOTORS CORP.