LEMON Manuals: Even more car manuals for everyone: 1960-2025
Home >> Chevrolet >> 2004 >> Classic >> Repair and Diagnosis >> External Pages >> Different car >> Section 13 (Lighting Systems) >> Component Locator >> Lighting Systems Component Views
April 5, 2026: LEMON Manuals is launched! Read the announcement.

Lighting Systems Component Views

WARNING: This page is about a different car, the 2004 Pontiac Grand Am and 2004 Oldsmobile Alero. However, it is still accessible from the selected car via links, so may be relevant.
Fig 1: Front Fascia Component View
GM1374319Courtesy of GENERAL MOTORS CORP.
Callout Component Name
1 Park/Turn Signal Lamp - RF
2 Auxiliary Park Lamp - RF
3 Headlamp - Right
4 Marker Lamp - RF
5 Marker Lamp - LF
6 Headlamp - Left
7 Auxiliary Park Lamp - LF
8 Park/Turn Signal Lamp - LF
9 Fog Lamp - LF
10 Fog Lamp - RF
Fig 2: Top Of The Transmission Component View
GM1335107Courtesy of GENERAL MOTORS CORP.
Callout Component Name
1 Backup Lamp Switch (M86)
Fig 3: Front Of The Engine Compartment Component View
GM879500Courtesy of GENERAL MOTORS CORP.
Callout Component Name
1 Daytime Running Lamps (DRL) Resistor
Fig 4: Left Side Of Instrument Panel Component View
GM328110Courtesy of GENERAL MOTORS CORP.
Callout Component Name
1 Horn Switch
2 Inflatable Restraint Steering Wheel Module Connector
3 G201
4 G202
5 Fuse Block - Left I/P
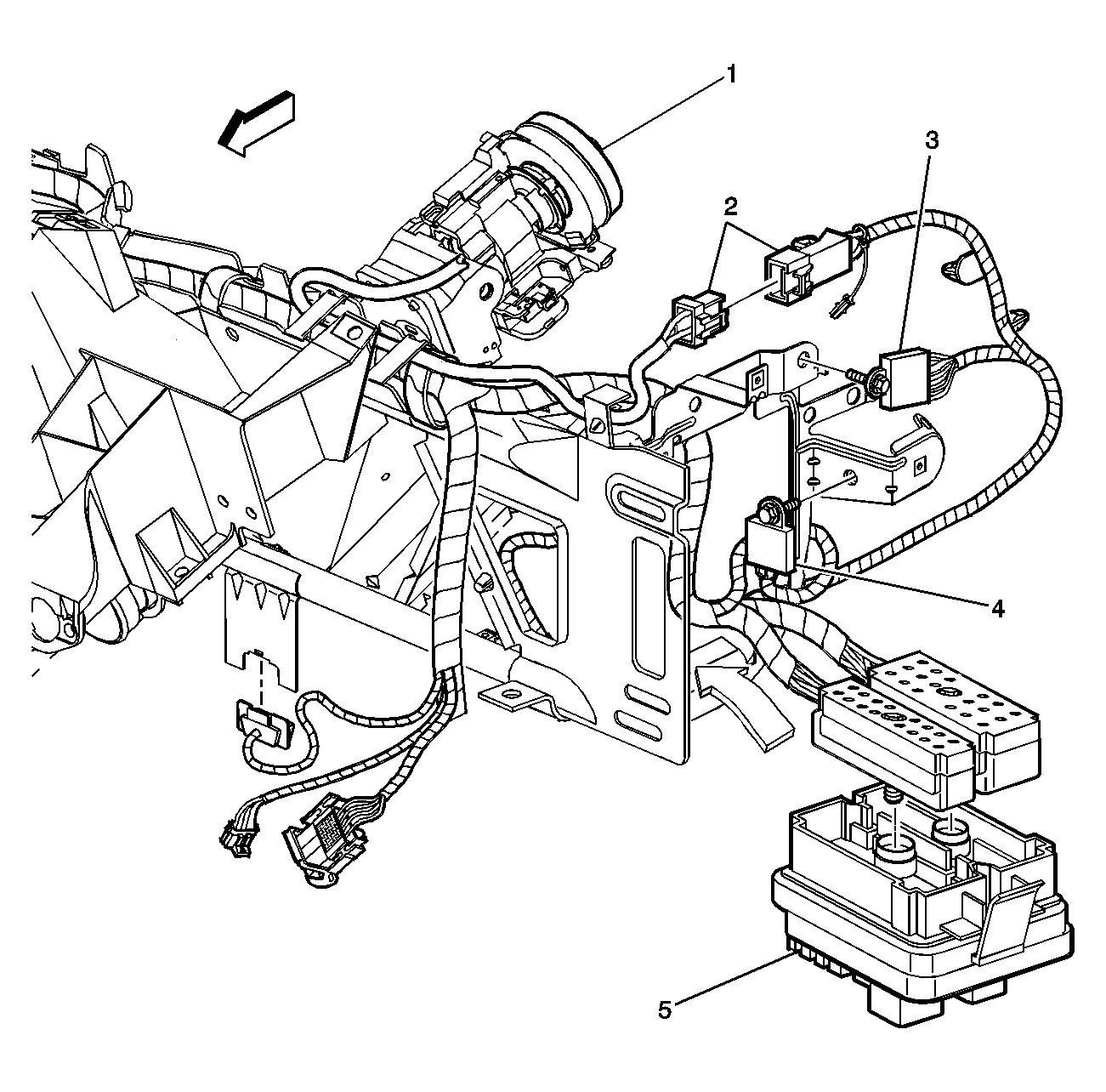
Fig 5: I/P Harness - RH Component View
GM728841Courtesy of GENERAL MOTORS CORP.
Callout Component Name
1 Blower Motor Resistor Assembly Connector
2 Blower Motor
3 Fuse Block - Right I/P, C1 and C2
4 Inflatable Restraint I/P Module Connector
5 Splice Pack, SP203
6 G203
7 Body Control Module (BCM)
8 Blower Motor Resistor Assembly
Fig 6: Top Right Side Of I/P Component View
GM328271Courtesy of GENERAL MOTORS CORP.
Callout Component Name
1 I/P Compartment Lamp
2 Air Temperature Actuator
3 Accessory Power Outlet
Fig 7: I/P Wiring Harness Component View
GM331005Courtesy of GENERAL MOTORS CORP.
Callout Component Name
1 I/P Dimming Module
Fig 8: Top Of Instrument Panel Component View
GM329080Courtesy of GENERAL MOTORS CORP.
Callout Component Name
1 Ambient Light Sensor
Fig 9: I/P Wiring Harness Component View
GM390006Courtesy of GENERAL MOTORS CORP.
Callout Component Name
1 Cruise Control ON/OFF Switch Connector
2 Turn Signal/Multifunction Switch Connector
3 Odometer Reset Switch Connector - Oldsmobile
4 Hazard Switch Connector
5 Instrument Panel Cluster (IPC) Connector
6 Ignition Switch Connectors
7 Passlock Sensor Connector
8 Turn Signal/Multifunction Switch Connector
Fig 10: I/P Compartment Lamp Component View
GM612512Courtesy of GENERAL MOTORS CORP.
Callout Component Name
1 I/P Compartment Lamp/Switch
2 I/P Compartment Lamp/Switch Connector
Fig 11: Below Left Side Of Instrument Panel Component View
GM328264Courtesy of GENERAL MOTORS CORP.
Callout Component Name
1 TCC/Brake Switch
2 Stop Lamp Switch
Fig 12: Under Center Console Component View
GM329095Courtesy of GENERAL MOTORS CORP.
Callout Component Name
1 A/T Shift Lock Control Solenoid
2 Shift Indicator Lamp
Fig 13: Headliner Component View
GM264448Courtesy of GENERAL MOTORS CORP.
Callout Component Name
1 Headliner Harness
2 Inside Rearview Mirror w/Reading Lamps Connector
3 Dome Lamp Connector
Fig 14: Rear Package Shelf Component View
GM461273Courtesy of GENERAL MOTORS CORP.
Callout Component Name
1 Rear Compartment Courtesy Lamp
Fig 15: Exterior View Component View
GM330150Courtesy of GENERAL MOTORS CORP.
Callout Component Name
1 Rear Window Defogger Grid
2 Radio Antenna
3 Lamp Assembly - RR (LR Similar)
4 Center High Mounted Stop Lamp (CHMSL)
5 License Lamp
6 Backup Lamp - Left (Right Similar)