LEMON Manuals: Even more car manuals for everyone: 1960-2025
Home >> Chevrolet >> 2005 >> Cobalt L4-2.2L VIN F >> Repair and Diagnosis >> Powertrain Management >> Computers and Control Systems >> Relays and Modules - Computers and Control Systems >> Engine Control Module >> Locations
April 5, 2026: LEMON Manuals is launched! Read the announcement.

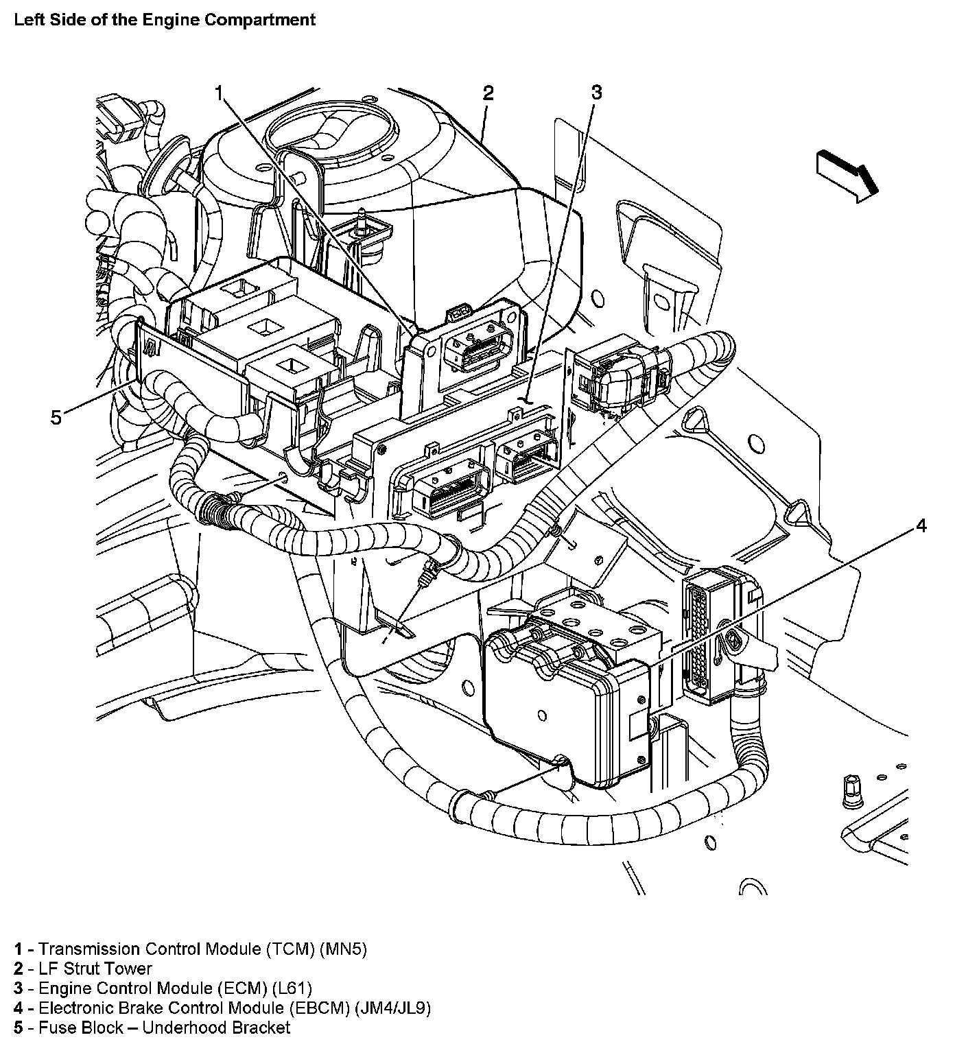
Engine Control Module: Locations

Left Side of the Engine Compartment: