LEMON Manuals: Even more car manuals for everyone: 1960-2025
Home >> Chevrolet >> 2005 >> Epica (CANADA) L6-2.5L >> Repair and Diagnosis >> Powertrain Management >> Computers and Control Systems >> Relays and Modules - Computers and Control Systems >> Body Control Module >> Diagrams >> Electrical Diagrams
April 5, 2026: LEMON Manuals is launched! Read the announcement.

Electrical Diagrams




Intelligent Switching Unit Schematics

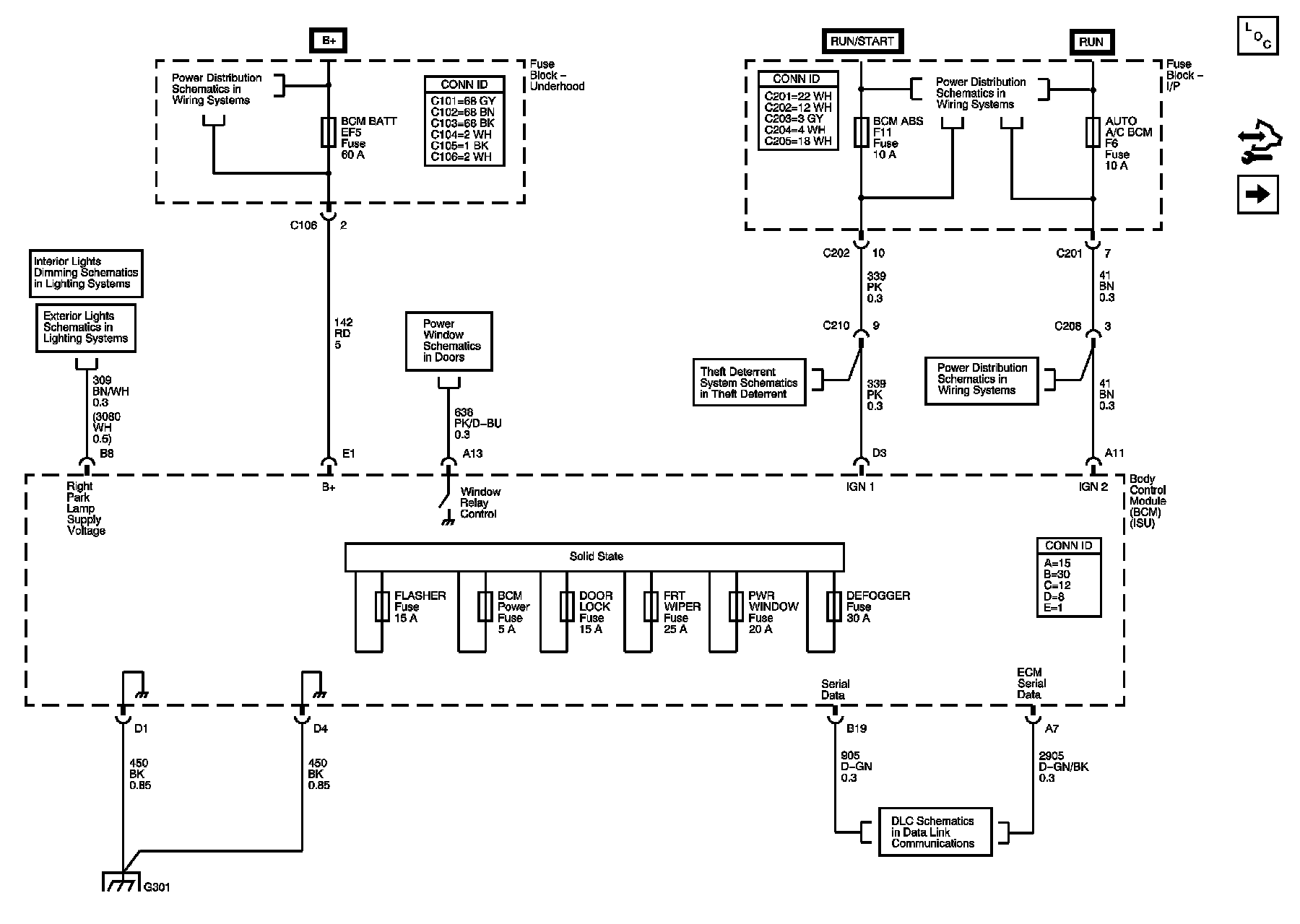
Body Control Module (BCM) Power, Ground, Serial Data





Master Electrical Component List
Rear Defogger, Audible Warnings, Door Lock, Exterior Lights, Trunk Release, Wiper System References
ABS, BCM BATT, ILLUM RT, ILLUM LT Fuses
ABS, BCM BATT, ILLUM RT, ILLUM LT Fuses
Interior Lights Dimming Schematics
Park Lamps - North America
Theft Deterrent System Schematics
Power Window Schematics (1 of 2)
IGN 2 Fuse, Ignition Switch, I/P Fuse Block - AUTO A/C BCM, HVAC EPS, TPMS, ABS, HTD MIR FusesIGN 2 Fuse, Ignition Switch, I/P Fuse Block - AUTO A/C BCM, HVAC EPS, TPMS, ABS, HTD MIR Fuses
DLC Schematics
G301

Rear Defogger, Audible Warnings, Door Lock, Exterior Lights, Trunk Release, and Wiper/Washer System References





Master Electrical Component List
Theft Deterent, Vehicle Speed, Power Window, Interior Lights System References
Body Control Module (BCM) Power, Ground, Serial Data
Defogger Schematics
Audible Warnings Schematics
Door Lock/Indicator Schematics
Turn and Hazard Lamps - North America
DLC Schematics
Wipers/Washer Systems Schematics (North America)
Turn and Hazard Lamps - North America

Theft Deterrent, Vehicle Speed, Power Window, and Interior Lights System References





Master Electrical Component List
Rear Defogger, Audible Warnings, Door Lock, Exterior Lights, Trunk Release, Wiper System References
Link target Object 1265281 does not exist in this publication.
Vehicle Speed Signal
Manual Transmission - 2.0L MR 140
Power Window Schematics (1 of 2)
Door Courtesy Lamps and Door Jamb switches