LEMON Manuals: Even more car manuals for everyone: 1960-2025
Home >> Chevrolet >> 2005 >> Equinox LS, AWD >> Repair and Diagnosis >> Engine Performance >> System >> Engine Controls - 3.4L - Introduction >> Component Locator >> Engine Controls Component Views
April 5, 2026: LEMON Manuals is launched! Read the announcement.

Engine Controls Component Views

Fig 1: LF Of Engine Compartment Component View
GM1454879Courtesy of GENERAL MOTORS CORP.
Callout Component Name
1 Engine Harness
2 Underhood Fuse Block C1
3 Powertrain Control Module (PCM)
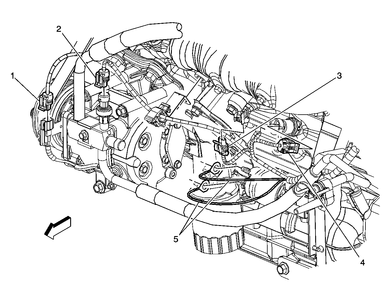
Fig 2: Top Rear Side Of Engine Component View
GM1381483Courtesy of GENERAL MOTORS CORP.
Callout Component Name
1 Exhaust Gas Recirculation (EGR) Valve
2 Throttle Actuator Control (TAC) Module
3 Mass Air Flow (MAF)/Intake Air Temperature (IAT) Sensor
4 Evaporative Emissions (EVAP) Canister Purge Solenoid
5 Generator
6 C150
7 Heated Oxygen Sensor (HO2S) 1
8 Engine Coolant Temperature (ECT) Sensor
9 Ignition Control Module (ICM)
10 Manifold Absolute Pressure (MAP) Sensor
Fig 3: Fuel Injectors Component View
GM1486156Courtesy of GENERAL MOTORS CORP.
Callout Component Name
1 Fuel Injector 2
2 Fuel Injector 1
3 Fuel Injector 3
4 Fuel Injector 5
5 Fuel Injector 4
6 Fuel Injector 6
Fig 4: Right Side Of Engine Component View
GM1465120Courtesy of GENERAL MOTORS CORP.
Callout Component Name
1 Camshaft Position (CMP) Sensor
2 Belt
Fig 5: Lower Rear Side Of Engine Component View
GM1381485Courtesy of GENERAL MOTORS CORP.
Callout Component Name
1 Knock Sensor (KS) 1
2 Crankshaft Position (CKP) Sensor
3 G107 Lead
Fig 6: Front Of Engine Component View
GM1381486Courtesy of GENERAL MOTORS CORP.
Callout Component Name
1 A/C Compressor Clutch
2 A/C Refrigerant Pressure Sensor
3 Knock Sensor (KS) 2
4 Engine Oil Pressure (EOP) Switch
5 Starter Motor Leads
Fig 7: Top Of Transmission, Left Side Of Engine Compartment Component View
GM1381487Courtesy of GENERAL MOTORS CORP.
Callout Component Name
1 G105
2 Park/Neutral Position (PNP) Switch
3 A/T Input Speed Shaft (ISS) Sensor
4 A/T Output Speed Shaft (OSS) Sensor
5 C100
Fig 8: Under Left Side Of I/P Component View
GM1469599Courtesy of GENERAL MOTORS CORP.
Callout Component Name
1 Accelerator Pedal Position (APP) Sensor
2 Accelerator Pedal Bracket
Fig 9: Under Rear Of Vehicle Component View
GM1469604Courtesy of GENERAL MOTORS CORP.
Callout Component Name
1 Evaporative Emissions (EVAP) Canister Vent Solenoid
Fig 10: Fuel Tank Components View
GM1439792Courtesy of GENERAL MOTORS CORP.
Callout Component Name
1 Fuel Tank Pressure (FTP) Sensor Connector
2 Fuel Pump and Sender Assembly Connector - Primary
3 Fuel Pump
4 Lead - Primary Sender to Secondary Sender Assembly
5 Fuel Level Sensor
6 Fuel Pump and Sender Assembly Connector - Secondary