LEMON Manuals: Even more car manuals for everyone: 1960-2025
Home >> Chevrolet >> 2006 >> HHR L4-2.2L >> Repair and Diagnosis >> Powertrain Management >> Computers and Control Systems >> Body Control Module >> Locations
April 5, 2026: LEMON Manuals is launched! Read the announcement.

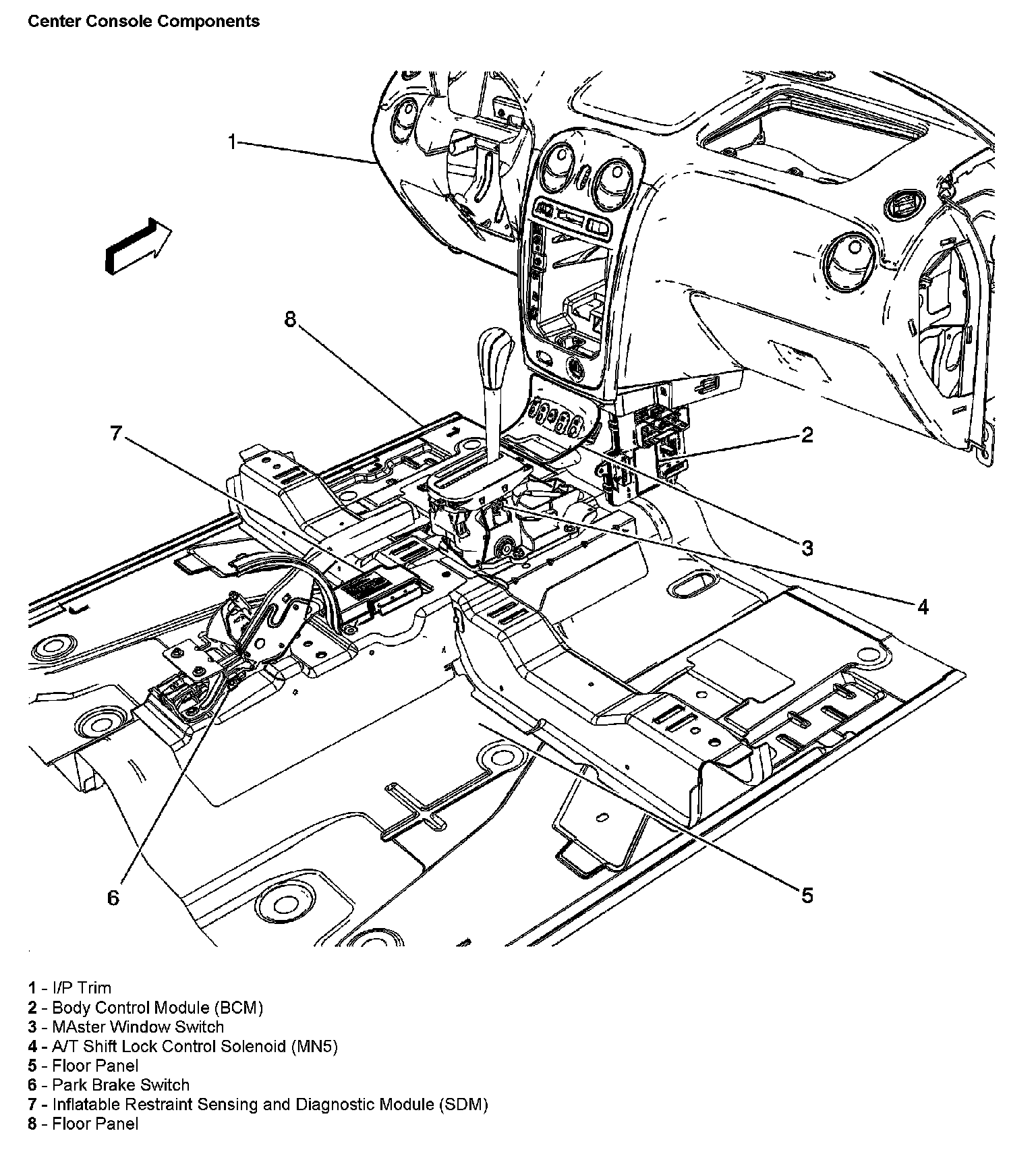
Body Control Module: Locations

Center Console Components: