LEMON Manuals: Even more car manuals for everyone: 1960-2025
Home >> Chevrolet >> 2007 >> HHR LS, Automatic >> Repair and Diagnosis >> External Pages >> Different car >> Section 584 (Cellular System, Entertainment System, And Navigation System) >> Wiring Schematics >> Radio/Navigation System Wiring Schematics >> Amplifier (UQ3)
April 5, 2026: LEMON Manuals is launched! Read the announcement.

Amplifier (UQ3)

WARNING: This page is about a different car, the 2011 Chevrolet HHR. However, it is still accessible from the selected car via links, so may be relevant.
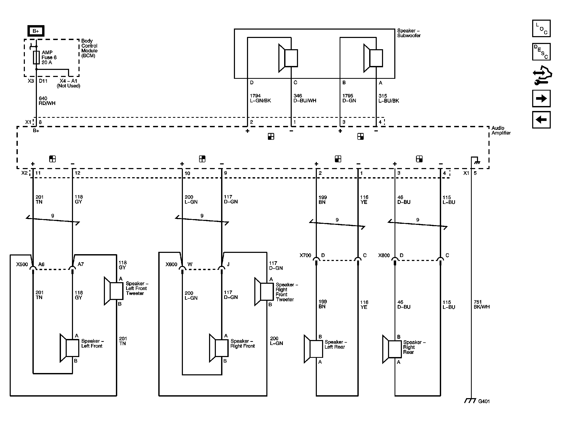
Fig 1: Amplifier (UQ3) Wiring Schematic
GM2376906Courtesy of GENERAL MOTORS COMPANY