LEMON Manuals: Even more car manuals for everyone: 1960-2025
Home >> Chevrolet >> 2008 >> Corvette Base, 2D Convertible, Automatic >> Repair and Diagnosis >> Accessories & Equipment >> Infotainment >> Cellular System, Entertainment System, And Navigation System >> Schematic and Routing Diagrams >> Radio/Navigation System Schematics
April 5, 2026: LEMON Manuals is launched! Read the announcement.

Radio/Navigation System Schematics

Fig 1: Power, Ground, Serial Data, Radio, Amplifier and Audio Signals (US8/U66) Schematic
GM1892864Courtesy of GENERAL MOTORS CORP.
Fig 2: Speakers (U66) Schematic
GM1892869Courtesy of GENERAL MOTORS CORP.
Fig 3: Power, Ground, Serial Data, Radio, Amplifier, Audio Signals and Front Speakers (U65) Schematic
GM1893004Courtesy of GENERAL MOTORS CORP.
Fig 4: Speakers and Noise Compensation Microphone (U65) Schematic
GM1893086Courtesy of GENERAL MOTORS CORP.
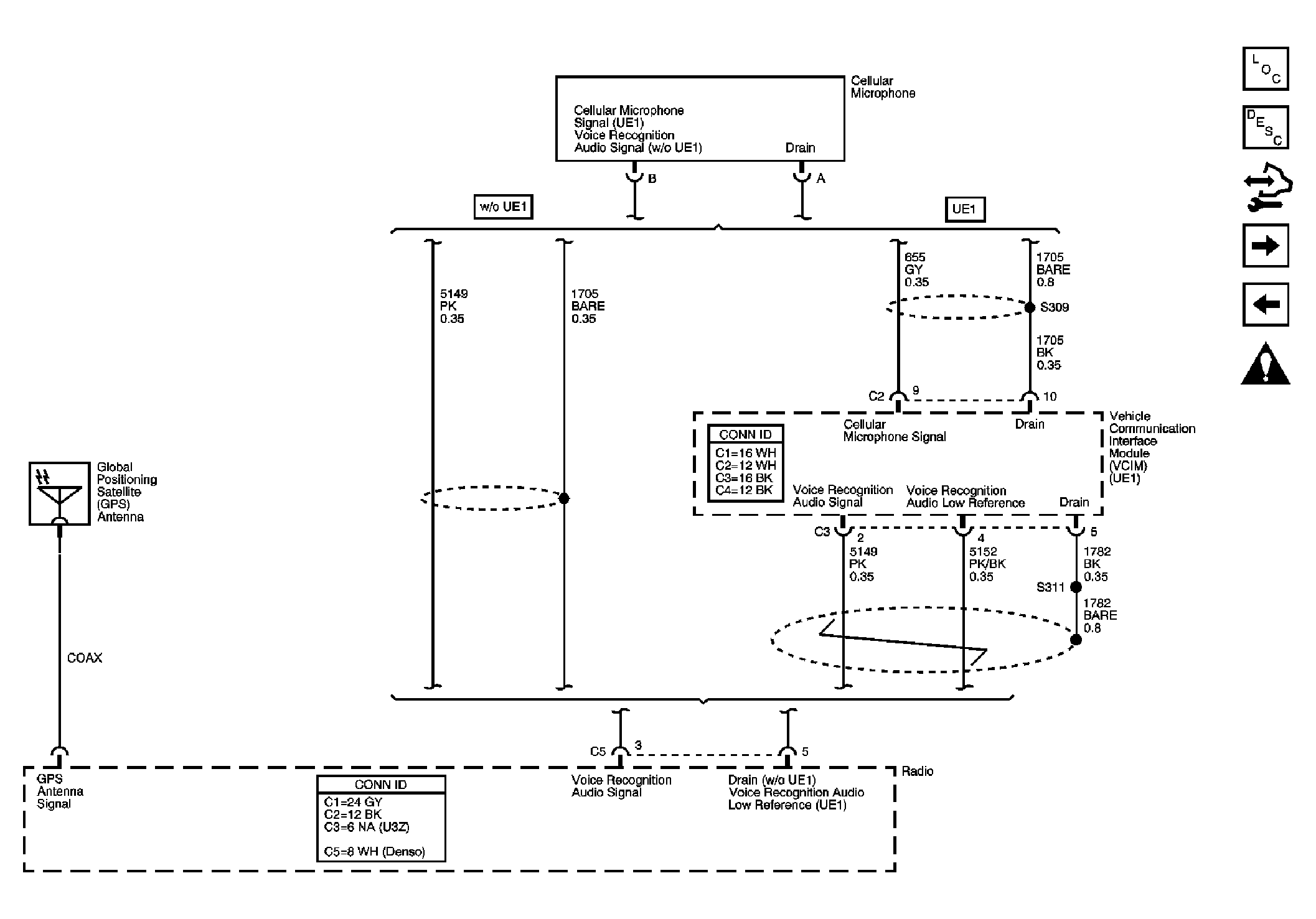
Fig 5: Antennas Except (U2K), Navigation and OnStar References Schematic
GM1893091Courtesy of GENERAL MOTORS CORP.
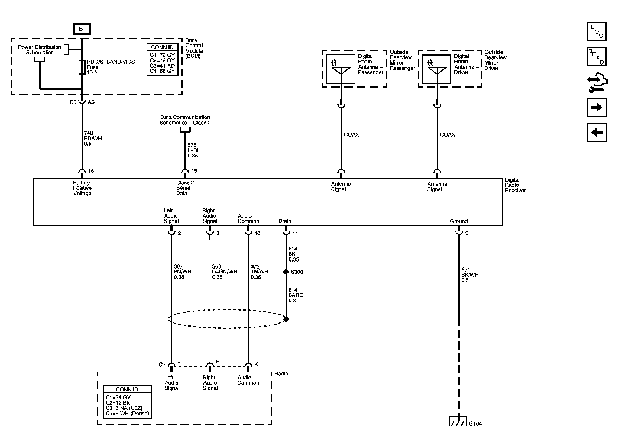
Fig 6: Satellite Radio (U2K) Schematic
GM1893093Courtesy of GENERAL MOTORS CORP.
Fig 7: Steering Wheel Controls (UK3) Schematic
GM1893107Courtesy of GENERAL MOTORS CORP.
Fig 8: Navigation - Except Japan Schematic
GM1893109Courtesy of GENERAL MOTORS CORP.
Fig 9: Japan (U32) Schematic
GM1893126Courtesy of GENERAL MOTORS CORP.