LEMON Manuals: Even more car manuals for everyone: 1960-2025
Home >> Chevrolet >> 2008 >> HHR SS, Standard >> Repair and Diagnosis (Single Page) >> Accessories & Equipment >> Memory Modules >> Configurable Customer Control System >> Schematic and Routing Diagrams >> Steering Wheel Secondary/Configurable Control Schematics
April 5, 2026: LEMON Manuals is launched! Read the announcement.

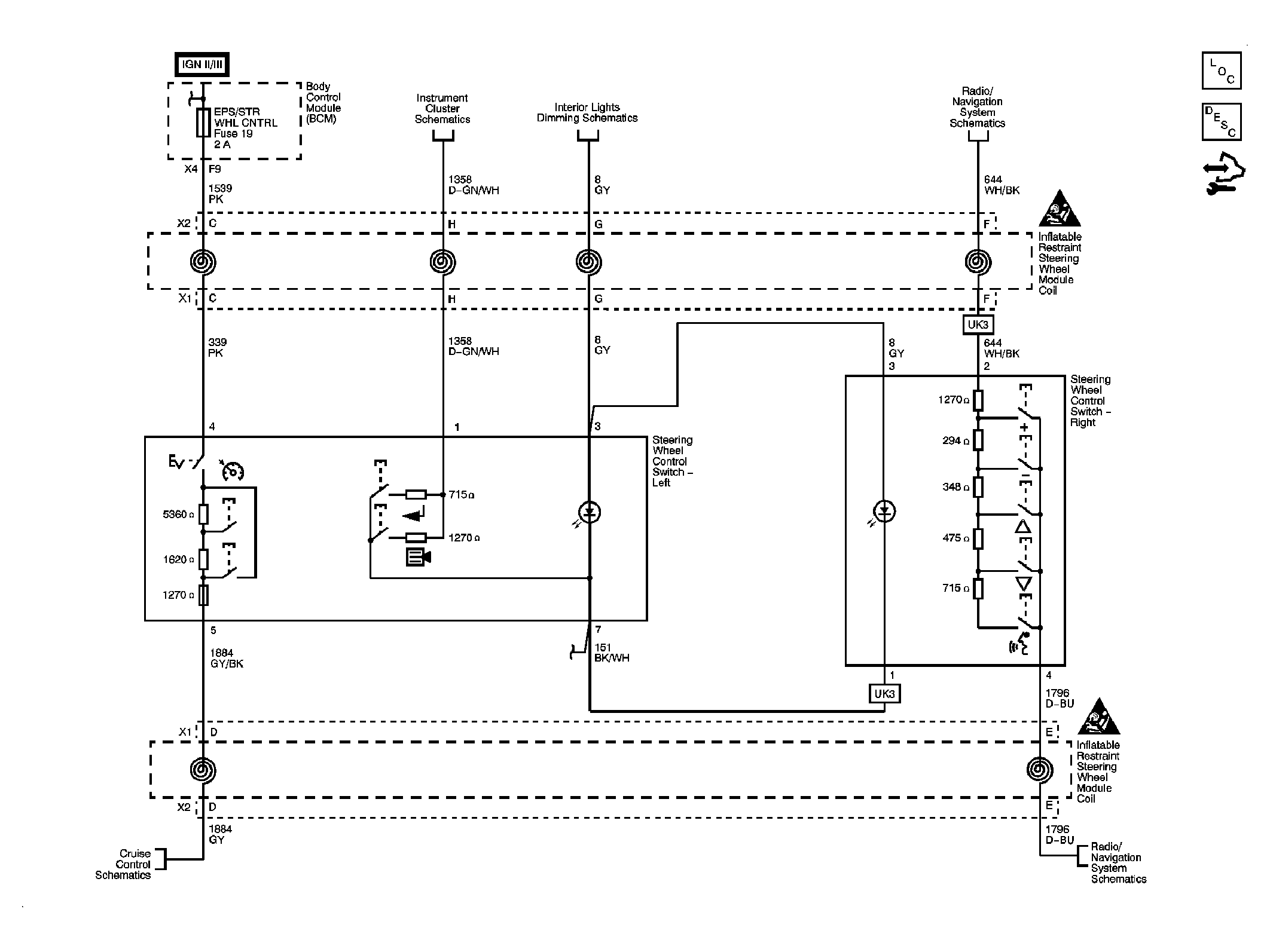
Steering Wheel Secondary/Configurable Control Schematics

Fig 1: Steering Wheel Secondary/Configurable Control Schematic
GM1887739Courtesy of GENERAL MOTORS CORP.