LEMON Manuals: Even more car manuals for everyone: 1960-2025
Home >> Chevrolet >> 2008 >> Uplander Base, 3.9 1 >> Repair and Diagnosis >> Accessories & Equipment >> Infotainment >> Cellular System, Entertainment System, And Navigation System >> Schematic and Routing Diagrams >> Radio/Navigation System Schematics
April 5, 2026: LEMON Manuals is launched! Read the announcement.

Radio/Navigation System Schematics

Fig 1: Antennas, Ground, Power, and Subsystem References
GM1921759Courtesy of GENERAL MOTORS CORP.
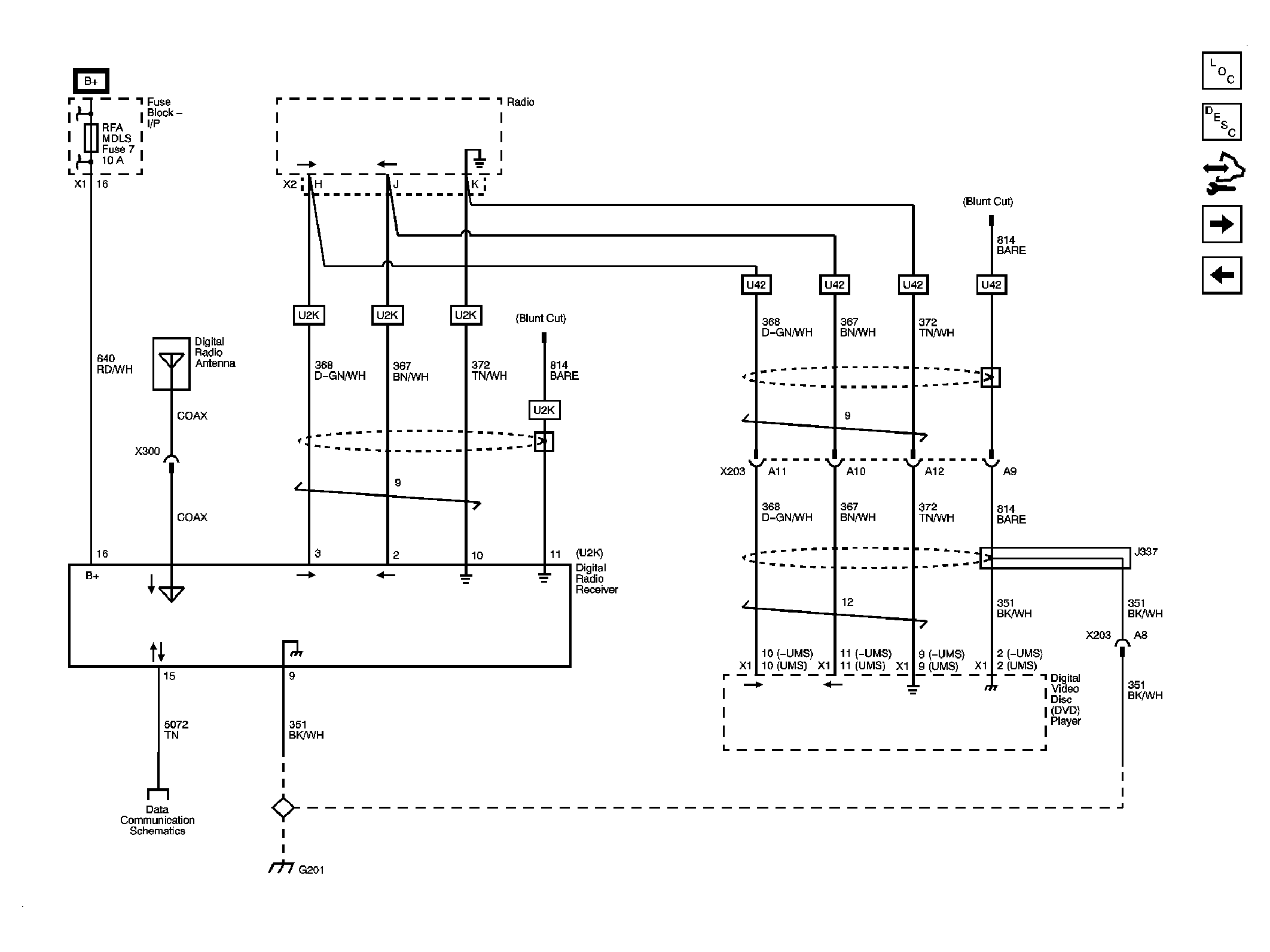
Fig 2: DVD and Satellite Audio Sources
GM1921761Courtesy of GENERAL MOTORS CORP.
Fig 3: Front Speakers
GM1921763Courtesy of GENERAL MOTORS CORP.
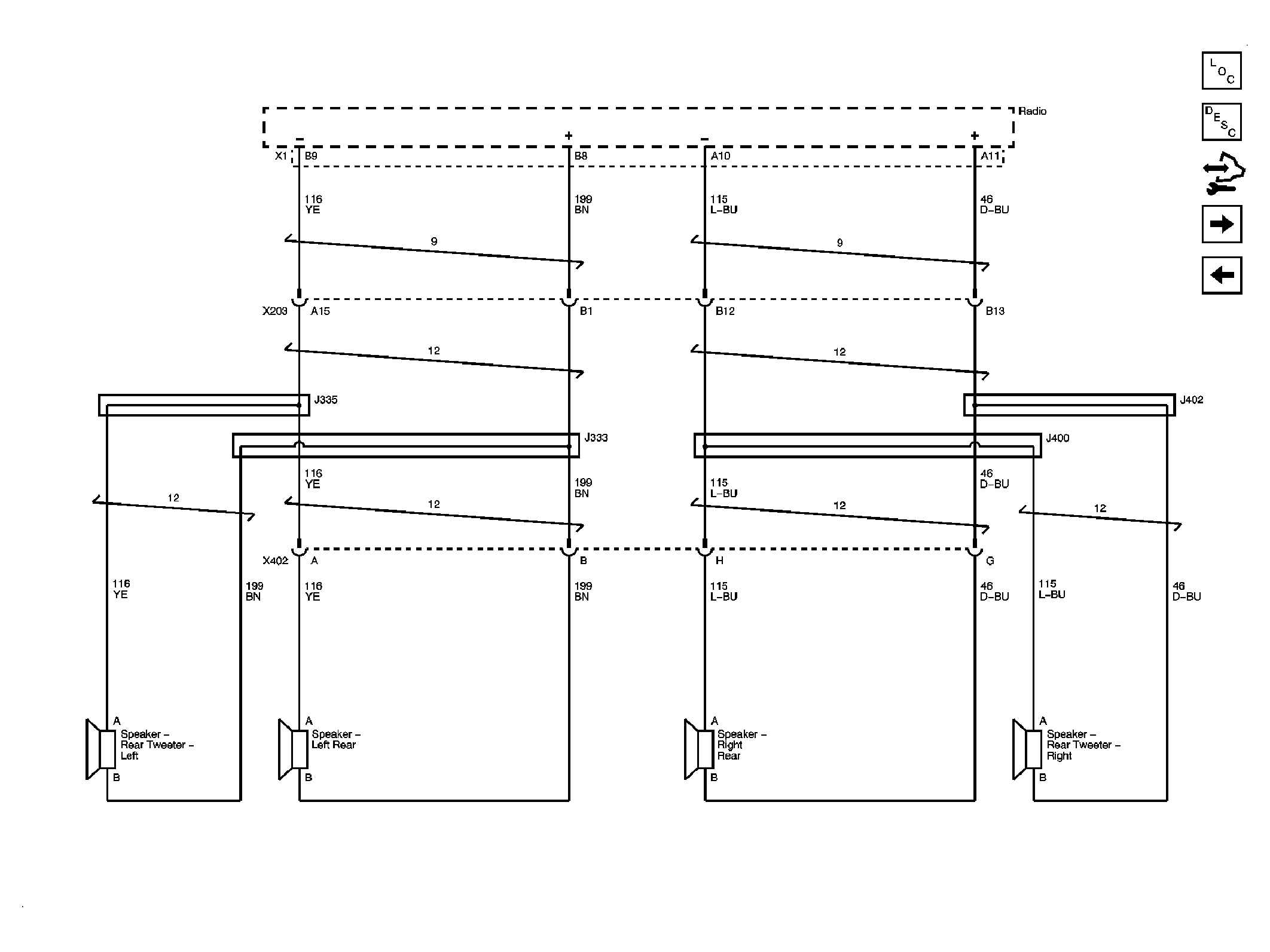
Fig 4: Rear Speakers (-U42)
GM1921765Courtesy of GENERAL MOTORS CORP.
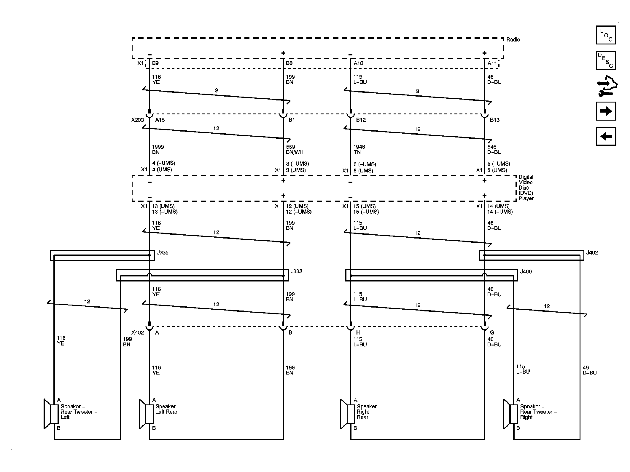
Fig 5: Rear Speakers (U42)
GM1923045Courtesy of GENERAL MOTORS CORP.
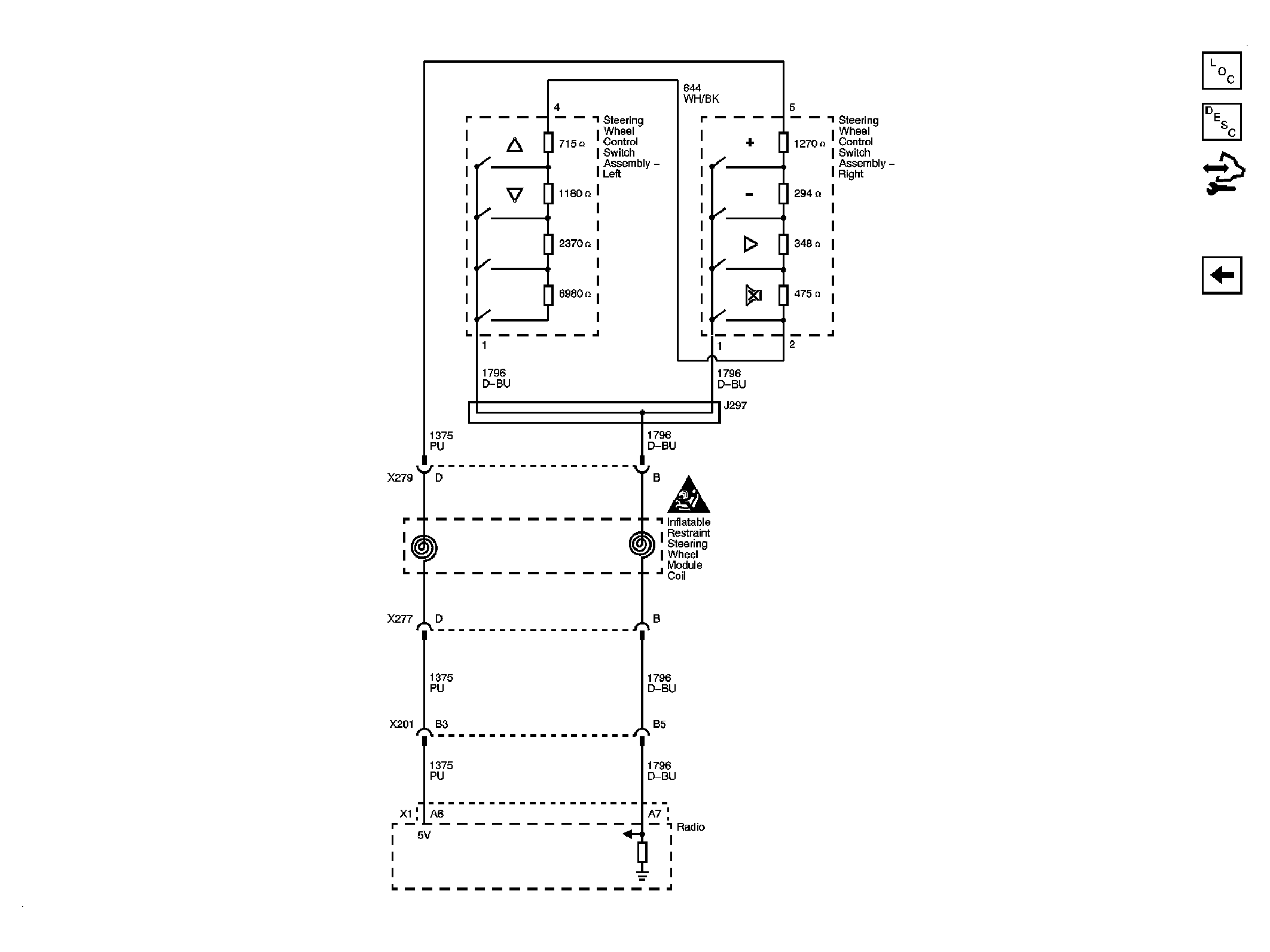
Fig 6: Steering Wheel Controls
GM1921768Courtesy of GENERAL MOTORS CORP.