LEMON Manuals: Even more car manuals for everyone: 1960-2025
Home >> Chevrolet >> 2009 >> Traverse AWD V6-3.6L >> Repair and Diagnosis >> Body and Frame >> Frame >> Subframe >> Front Subframe Mount >> Service and Repair
April 5, 2026: LEMON Manuals is launched! Read the announcement.

Front Subframe Mount: Service and Repair







Drivetrain and Front Suspension Frame Front Insulator Replacement


Special Tools


J 45725 Frame Bushing Installer

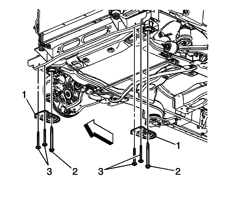
Removal Procedure

1.Raise and support the vehicle. Refer to Lifting and Jacking the Vehicle .





Note:Whenever the frame is moved in relation to the body, disconnect the intermediate shaft from the steering gear stub shaft.

2.Disconnect the intermediate shaft from the steering gear stub shaft. Refer to Intermediate Steering Shaft Replacement .

Note:In order to remove any frame insulator, loosen the adjacent frame insulator to permit the frame to separate from the body. Use caution when lowering or tilting the frame to prevent damage to other components.

3.Install a jackstand under the center of the frame, between the front frame insulators.





4.Remove the front crossmember brace bolts (3).

Note:When the frame insulator bolts are removed, always discard the bolts and replace with new bolts.

5.Remove the front frame to body bolts (2).

6.Remove the crossmember brace (1).





7.Lower the front of the frame only enough to service the insulator, approximately 38 mm (1.5 in).

8.Remove the upper insulator.





9.Remove the lower insulator using a flat chisel. Begin extracting the insulator by guiding the wedge of the chisel tip between the insulator flange lip and the vehicle frame.





10.Continue extracting the insulator until it is fully removed from the frame.

Installation Procedure

1.Clean the frame insulator opening.

2.Apply a thin coat of rubber lubricant GM P/N 1051717 (Canadian P/N 5728223), or equivalent to the inside of the frame insulator opening.

3.Apply a thin coat of rubber lubricant GM P/N 1051717 (Canadian P/N 5728223), or equivalent to the frame insulator.





4.Install clamp
J 45725 Installer onto the insulator about 1/8 inch from the top of the insulator.





5.Align the split of the insulator to the front of the frame.

6.Install
J 45725 Installer to the insulator and the frame.





7.Using
J 45725 Installer install the insulator until the insulator is halfway recessed in the frame.

8.Remove only the clamp
J 45725 Installer.





9.Using
J 45725 Installer continue installing the insulator until the flange lip of the insulator is fully seated to the bottom of the frame.

10.Remove
J 45725 Installer from the insulator and the frame.





11.Install the upper insulator.

12.Raise the front of the frame.





13.Install the front crossmember brace (1).

Caution:Refer to Fastener Caution .

Note:If the frame insulator bolt does not screw in smoothly, run a tap through the frame nut in the body in order to remove foreign material. Ensure the tap does not punch through the underbody.
Do not over tighten the insulator. Over tightening may collapse a spacer or strip a bolt.

14.Install the NEW front frame to body bolts (2).

TightenTighten the bolts to 110 N �m (81 lb ft) plus 90 degrees.

15.Install the NEW front crossmember brace bolts (3).

TightenTighten the bolt to 50 N �m (37 lb ft).

16.Remove the jackstand.





17.Connect the intermediate shaft to the steering gear stub shaft. Refer to Intermediate Steering Shaft Replacement .

18.Lower the vehicle.