LEMON Manuals: Even more car manuals for everyone: 1960-2025
Home >> Chevrolet >> 2009 >> Traverse LS, AWD >> Repair and Diagnosis >> Body & Frame >> Door Locks >> Keyless Entry System And Remote Functions >> Schematic and Routing Diagrams >> Remote Function Schematics
April 5, 2026: LEMON Manuals is launched! Read the announcement.

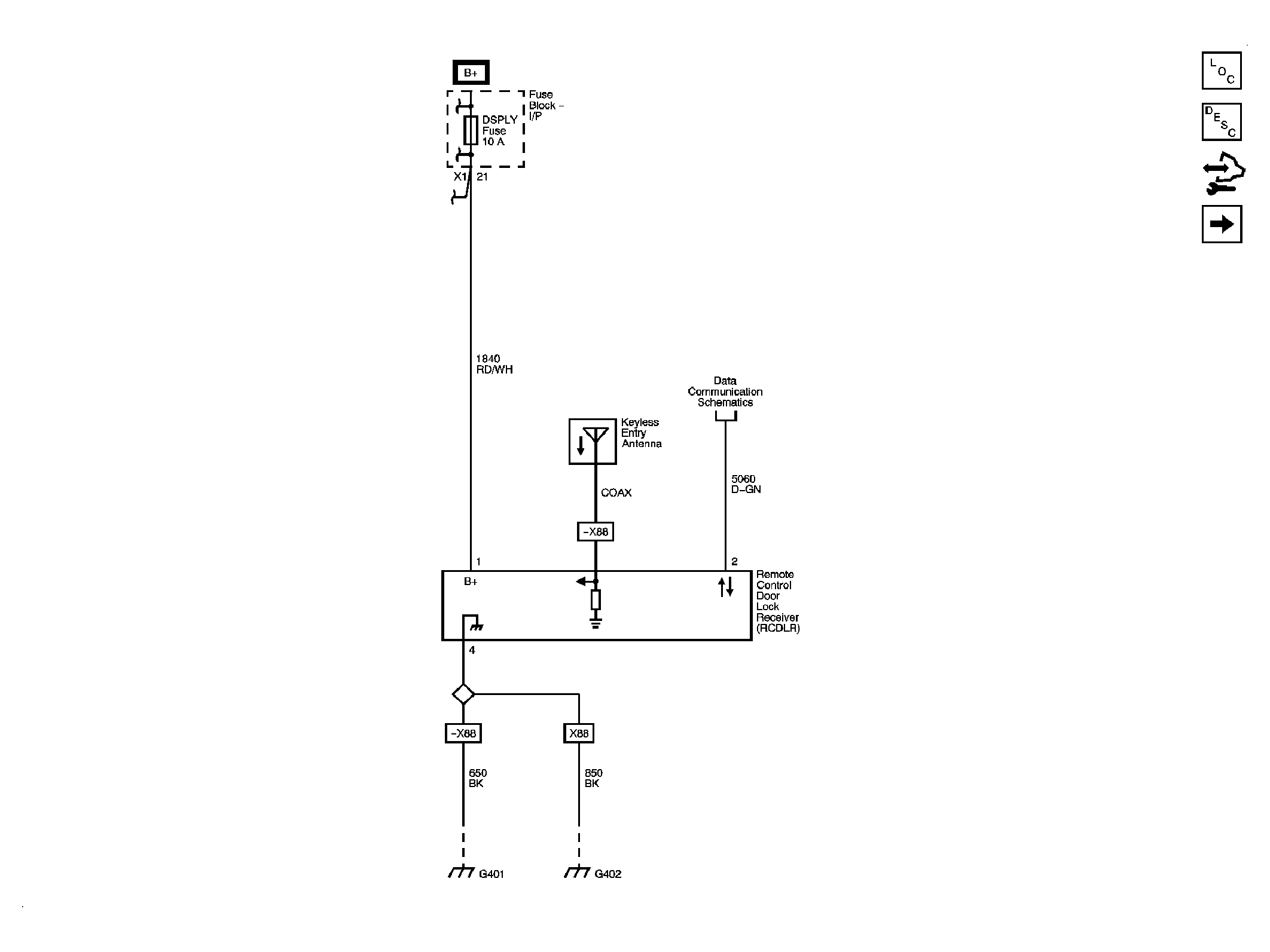
Remote Function Schematics

Fig 1: Keyless Entry Circuit Schematic - AP8
GM2078163Courtesy of GENERAL MOTORS CORP.
Fig 2: Garage Door Opener Circuit Schematic - UG1
GM2078164Courtesy of GENERAL MOTORS CORP.