LEMON Manuals: Even more car manuals for everyone: 1960-2025
Home >> Chevrolet >> 2009 >> Traverse LS, AWD >> Repair and Diagnosis >> External Pages >> Different car >> Section 134 (Power Door Lock System And Release Systems) >> Wiring Schematics >> Liftgate Wiring Schematics >> Module Power, Ground, Serial Data, Instrument Panel Switch, and Actuator
April 5, 2026: LEMON Manuals is launched! Read the announcement.

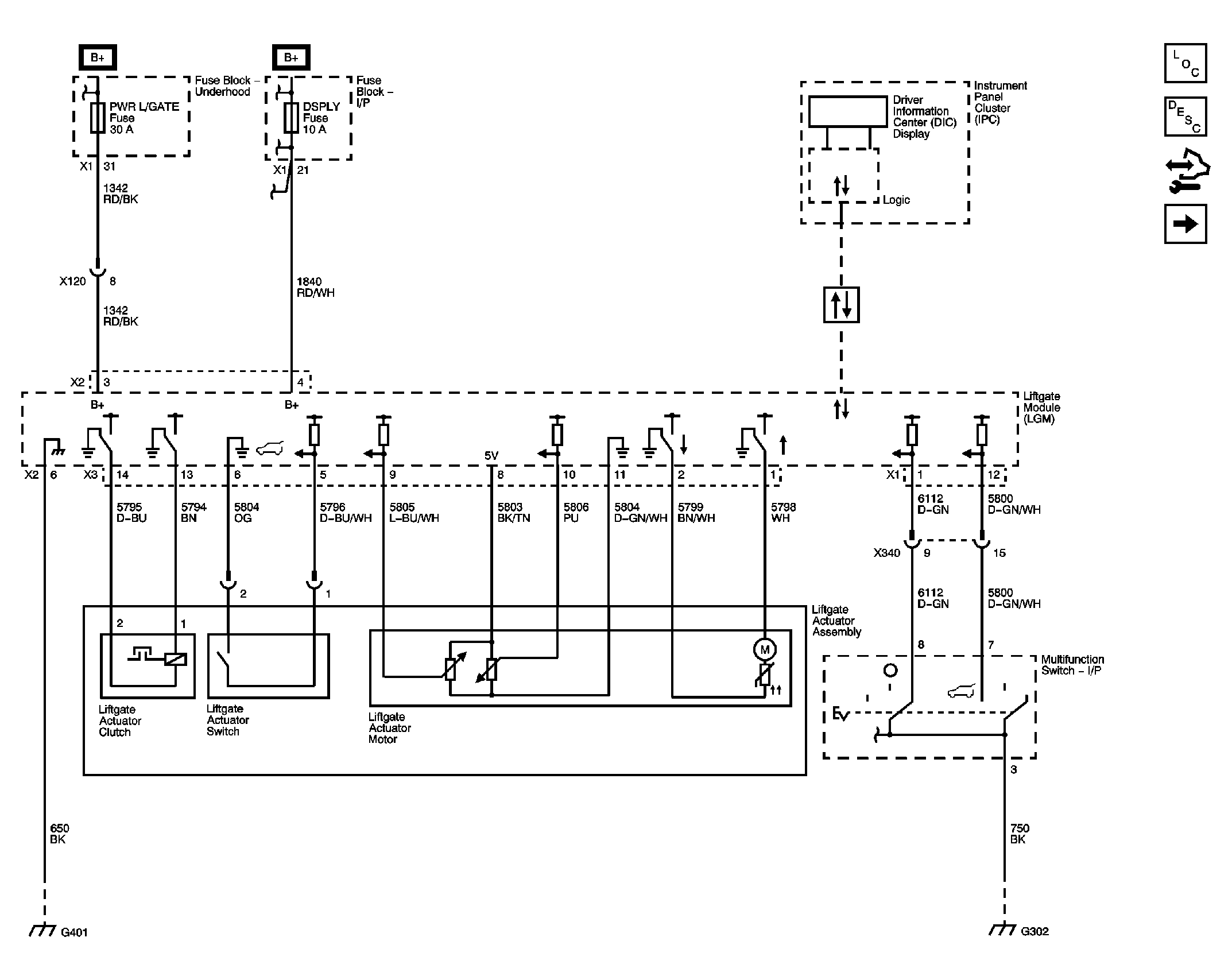
Module Power, Ground, Serial Data, Instrument Panel Switch, and Actuator

WARNING: This page is about a different car, the 2011 GMC Acadia, 2011 Chevrolet Traverse, and 2011 Buick Enclave. However, it is still accessible from the selected car via links, so may be relevant.
Fig 1: Module Power, Ground, Serial Data, Instrument Panel Switch, and Actuator Wiring Schematic
GM2381640Courtesy of GENERAL MOTORS CORP.