LEMON Manuals: Even more car manuals for everyone: 1960-2025
Home >> Chevrolet >> 2010 >> HHR SS, Automatic >> Repair and Diagnosis >> External Pages >> Different car >> Section 17 (Cellular System, Entertainment System, And Navigation System) >> Schematic and Routing Diagrams >> OnStar Schematics
April 5, 2026: LEMON Manuals is launched! Read the announcement.

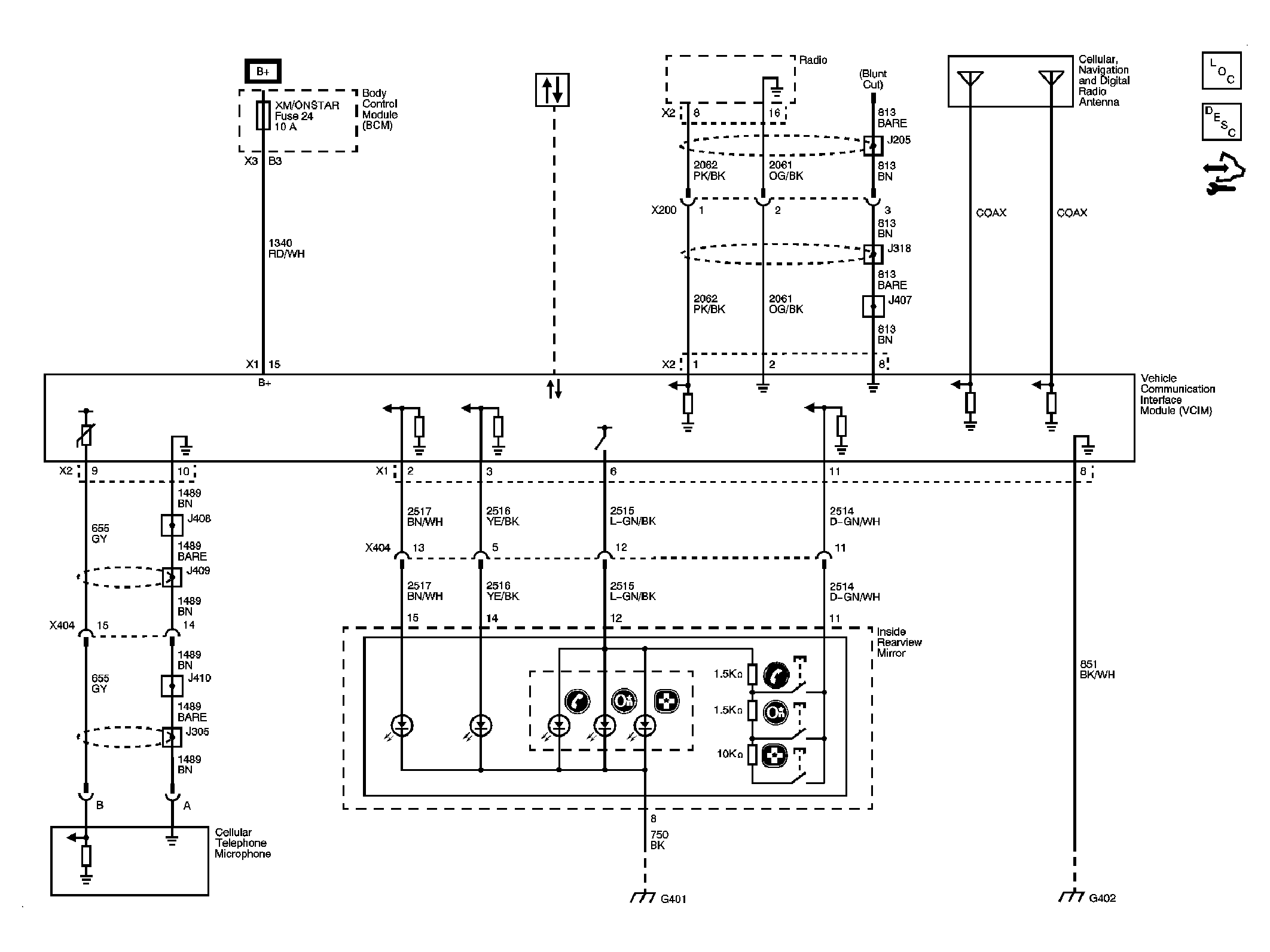
OnStar Schematics

WARNING: This page is about a different car, the 2008 Chevrolet HHR. However, it is still accessible from the selected car via links, so may be relevant.
Fig 1: OnStar - Schematic
GM1887712Courtesy of GENERAL MOTORS CORP.