LEMON Manuals: Even more car manuals for everyone: 1960-2025
Home >> Chevrolet >> 2011 >> Camaro LS, Automatic >> Repair and Diagnosis >> External Pages >> Different car >> Section 148 (Cellular System, Entertainment System, And Navigation System) >> Wiring Schematics >> Radio/Navigation System Wiring Schematics >> Auxiliary Audio Input (USR)
April 5, 2026: LEMON Manuals is launched! Read the announcement.

Auxiliary Audio Input (USR)

WARNING: This page is about a different car, the 2012 Chevrolet Camaro. However, it is still accessible from the selected car via links, so may be relevant.
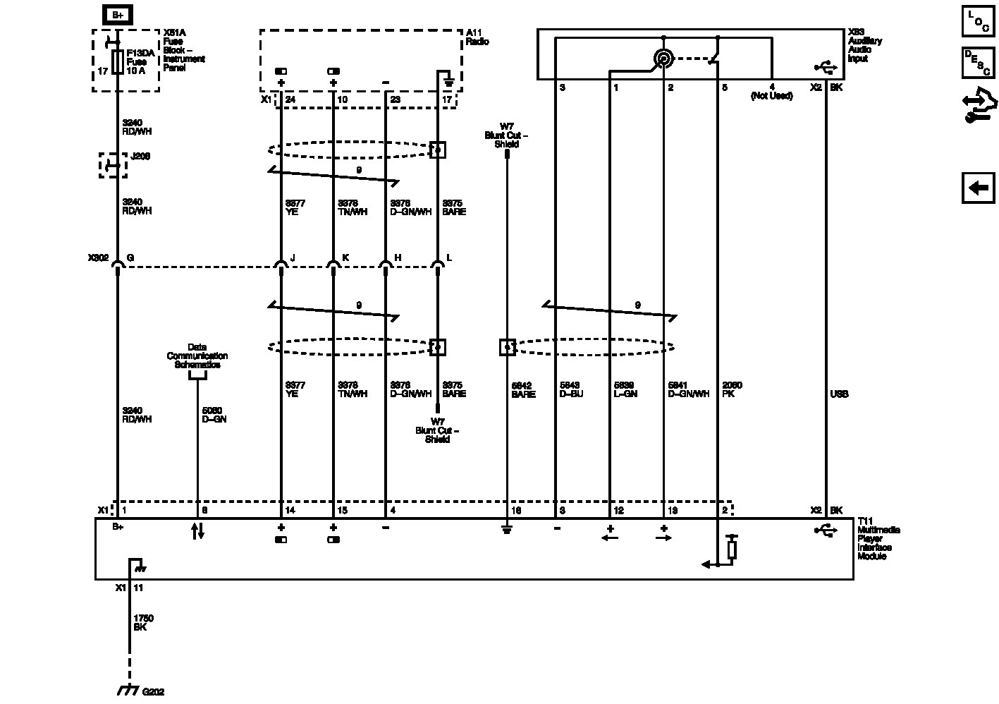
Fig 1: Auxiliary Audio Input Wiring Schematic (USR)
GM2625092Courtesy of GENERAL MOTORS COMPANY