LEMON Manuals: Even more car manuals for everyone: 1960-2025
Home >> Chevrolet >> 2011 >> Caprice >> Repair and Diagnosis >> External Pages >> Different car >> Section 60 (Object Detection System) >> Schematic and Routing Diagrams >> Object Detection Schematics
April 5, 2026: LEMON Manuals is launched! Read the announcement.

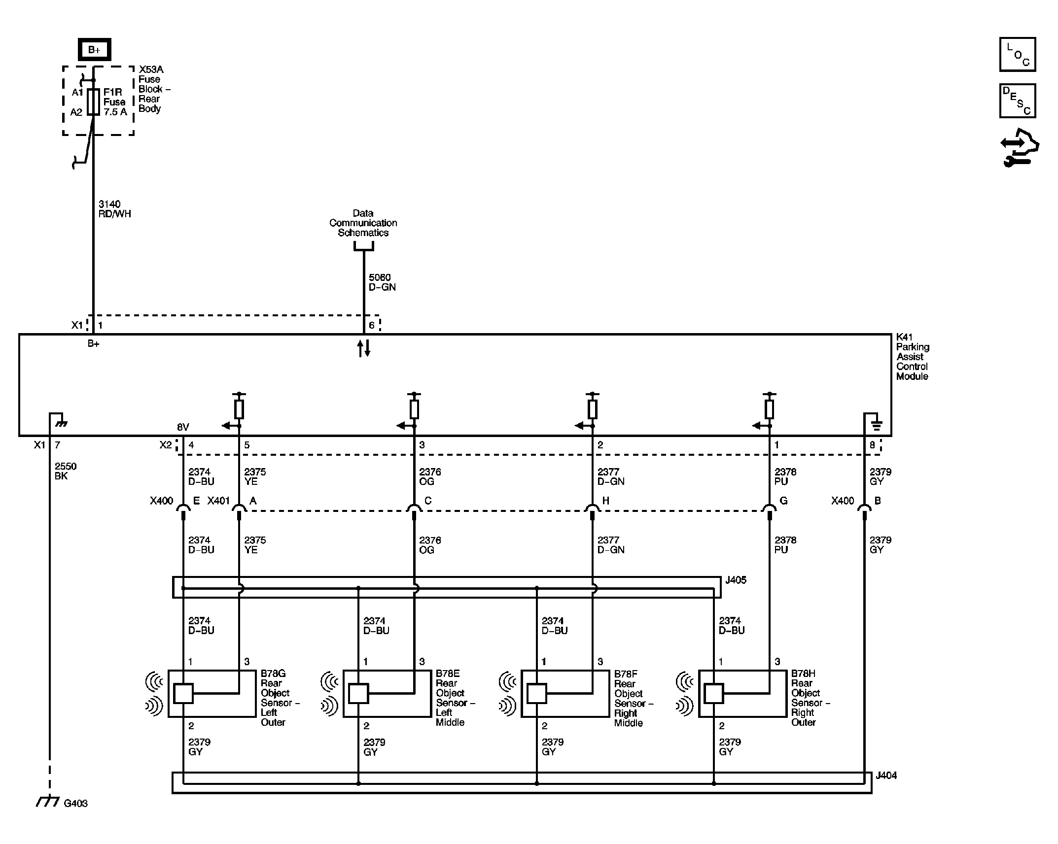
Object Detection Schematics

WARNING: This page is about a different car, the 2010 Chevrolet Camaro. However, it is still accessible from the selected car via links, so may be relevant.
Fig 1: Object Detection
GM2207671Courtesy of GENERAL MOTORS CORP.