LEMON Manuals: Even more car manuals for everyone: 1960-2025
Home >> Chevrolet >> 2012 >> Avalanche 2WD V8-5.3L >> Repair and Diagnosis >> Diagrams >> Electrical Diagrams >> Locks >> System Diagram >> Door Control Module Schematics
April 5, 2026: LEMON Manuals is launched! Read the announcement.

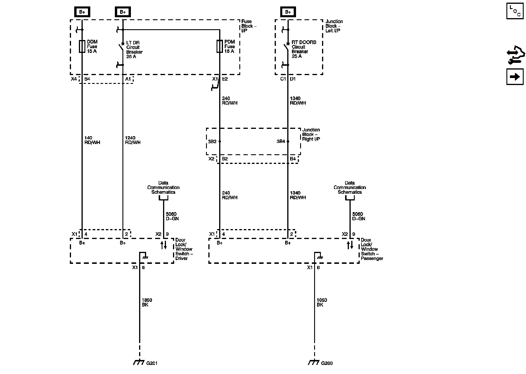
Door Control Module Schematics




Door Control Module Schematics

Power, Ground, and Serial Data





Outside Rearview Mirror References





Door Lock, Window, and Lighting System References





Heated Seat References