LEMON Manuals: Even more car manuals for everyone: 1960-2025
Home >> Chevrolet >> 2012 >> Corvette Base, 2D Convertible, Automatic Trans >> Repair and Diagnosis (Single Page) >> Accessories & Equipment >> Entertainment Systems >> Cellular System, Entertainment System, And Navigation System >> Schematic Wiring Diagrams >> Radio/Navigation System Wiring Schematics >> Power, Ground, Serial Data and Amplifier Inputs (U66) Wiring Schematics
April 5, 2026: LEMON Manuals is launched! Read the announcement.

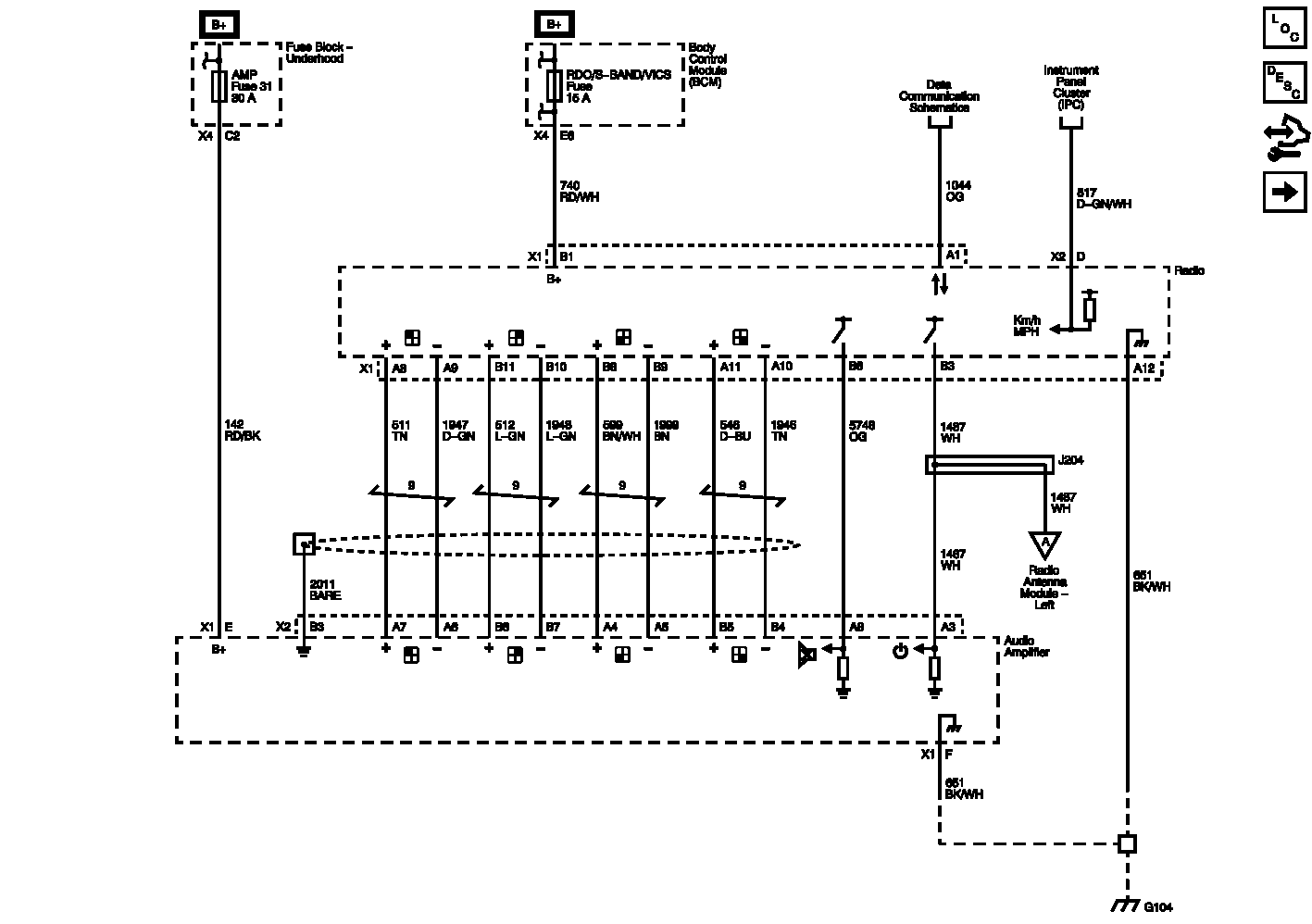
Power, Ground, Serial Data and Amplifier Inputs (U66) Wiring Schematics

Fig 1: Power, Ground, Serial Data and Amplifier Inputs (U66) Wiring Schematics
GM2565612Courtesy of GENERAL MOTORS COMPANY