LEMON Manuals: Even more car manuals for everyone: 1960-2025
Home >> Chevrolet >> 2012 >> Cruze LS, Automatic Trans >> Repair and Diagnosis >> External Pages >> Different car >> Section 311 (Cellular System, Entertainment System, And Navigation System) >> Schematic Wiring Diagrams >> Radio/Navigation System Wiring Schematics >> Navigation System (UEW) Wiring Schematics
April 5, 2026: LEMON Manuals is launched! Read the announcement.

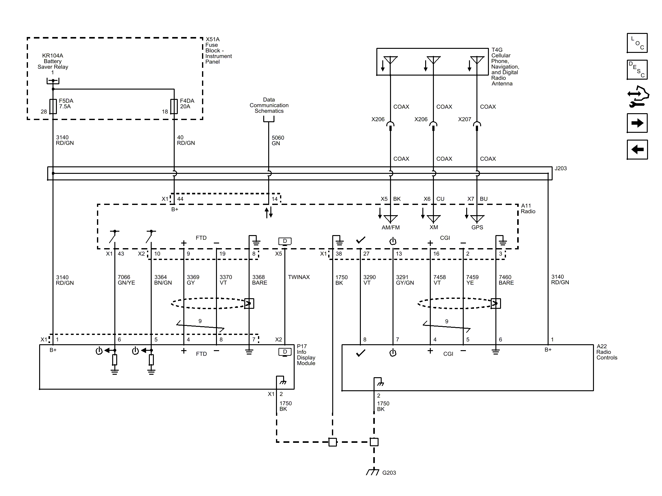
Navigation System (UEW) Wiring Schematics

WARNING: This page is about a different car, the 2014 Chevrolet Cruze. However, it is still accessible from the selected car via links, so may be relevant.
Fig 1: Navigation System (UEW) Wiring Schematic
GM3250286Courtesy of GENERAL MOTORS COMPANY