LEMON Manuals: Even more car manuals for everyone: 1960-2025
Home >> Chevrolet >> 2012 >> Malibu L4-2.4L >> Repair and Diagnosis >> Body and Frame >> Frame >> Subframe >> Front Subframe >> Service and Repair >> Frame Replacement (2.4L)
April 5, 2026: LEMON Manuals is launched! Read the announcement.

Frame Replacement (2.4L)






Frame Replacement (2.4L)

Special Tools

Removal Procedure

1.Install the engine support fixture. Refer to Engine Support Fixture .

2.Support the radiator and condenser from above using the condenser tabs on each side.

3.Raise the vehicle on a hoist. Refer to Lifting and Jacking the Vehicle .

4.Remove the tire and wheel assemblies. Refer to Tire and Wheel Removal and Installation .

5.Remove the front fender liner. Refer to Front Wheelhouse Panel Splash Shield Replacement .

6.LE5 only, remove the front catalytic converter. Refer to Catalytic Converter Replacement .

7.Remove the engine splash shields. Refer to Engine Splash Shield Replacement - Left Side Engine Splash Shield Replacement - Left Side and Engine Splash Shield Replacement - Right Side Engine Splash Shield Replacement - Right Side .





8.Remove the lower ball joints from the steering knuckles. Refer to Lower Control Arm Replacement .

9.Remove the tie rod ends from the steering knuckles.





10.Remove both stabilizer links from the stabilizer bar. Refer to Stabilizer Shaft Link Replacement .

11.Separate the steering gear from the intermediate shaft. Refer to Intermediate Steering Shaft Replacement .





12.Remove the front transmission mount bolt from the frame. Refer to Transmission Front Mount Replacement .

13.Remove the rear transmission mount bracket fasteners from the frame. Refer to Transmission Rear Mount Replacement .





14.Lower the vehicle until the frame contacts the
J 39580 stand.





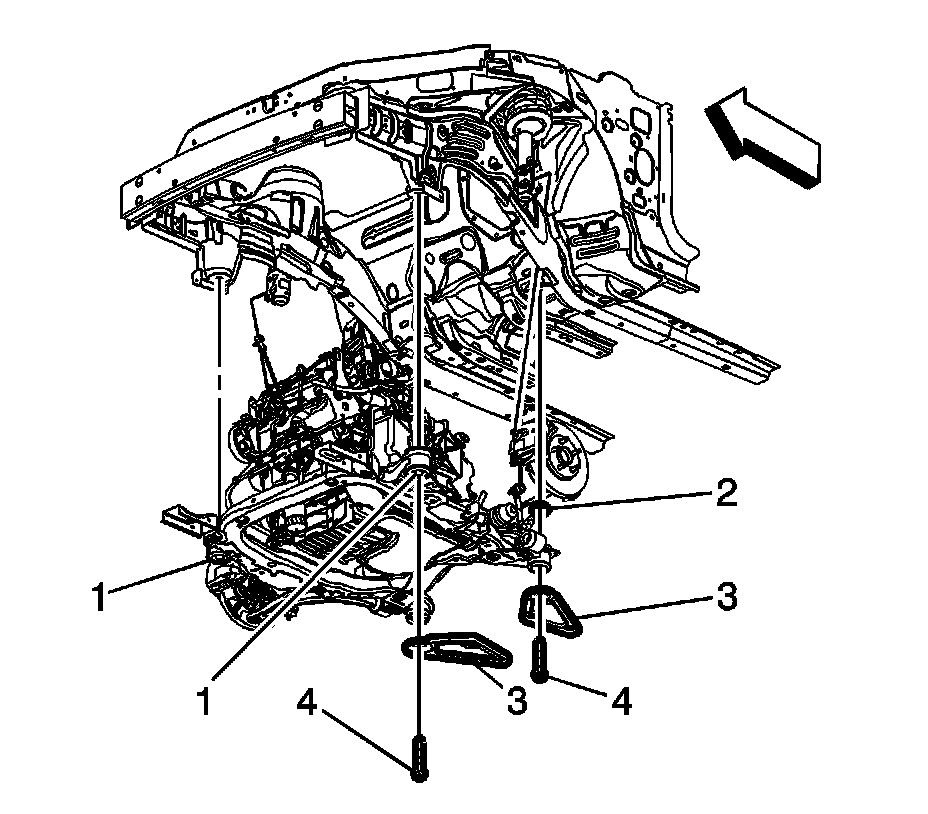
15.Remove the reinforcement bolts (1).





16.Remove the front frame bolts (1).

17.Remove the rear frame bolts (4).

18.Remove the frame reinforcements (3).

19.Raise the vehicle off of the frame.

20.Remove the following components if replacing the frame:

-The steering gear-Refer to Steering Gear Replacement

-The lower control arms-Refer to Lower Control Arm Replacement

-The stabilizer shaft-Refer to Stabilizer Shaft Replacement

-The radiator support brackets

-The vibration dampener, if equipped

Installation Procedure

1.Install the following components on the suspension crossmember if removed:

-The vibration dampener, if equipped

-The radiator support brackets

-The stabilizer shaft-Refer to Stabilizer Shaft Replacement .

-The lower control arms-Refer to Lower Control Arm Replacement .

-The steering gear-Refer to Steering Gear Replacement .





2.Lower the vehicle on to the frame.

3.Install the frame reinforcements (3).

4.Install the front frame bolts. Hand tighten ONLY.

5.Install the reinforcement bolts. Hand tighten ONLY.

Caution:Refer to Fastener Caution .

6.Install the rear frame bolts (4) and tighten to100 N �m (74 lb ft) plus 90 degrees rotation.

7.Tighten the front frame bolts (1) and tighten to100 N �m (74 lb ft) plus 90 degrees rotation.





8.Install the reinforcement bolts (1) and tighten to100 N �m (74 lb ft).

9.Raise the vehicle.

10.Install the rear transmission mount bracket fasteners. Refer to Transmission Rear Mount Replacement .





11.Install the front transmission mount bracket bolt. Refer to Transmission Front Mount Replacement .

12.Install the power steering gear mounting bolts. Refer to Steering Gear Replacement .

13.Connect the steering gear to the intermediate shaft. Refer to Intermediate Steering Shaft Replacement .





14.Install both stabilizer links to the stabilizer bar. Tighten the stabilizer link nut to65 N �m (48 lb ft).

15.Install the tie rod ends to the steering knuckles.





16.Install the lower ball joints to the steering knuckles.

16.1Tighten the ball stud to steering knuckle pinch nut to50 N �m (37 lb ft).

16.2Reverse the nut � of a turn.

16.3Tighten to50 N �m (37 lb ft) plus 60 degrees.

17.Install the front fender liner. Refer to Front Wheelhouse Panel Splash Shield Replacement .

18.Install the engine splash shields. Refer to Engine Splash Shield Replacement - Left Side Engine Splash Shield Replacement - Left Side and Engine Splash Shield Replacement - Right Side Engine Splash Shield Replacement - Right Side .

19.Install the tire and wheel assemblies. Refer to Tire and Wheel Removal and Installation .

20.LE5 only, install the front catalytic converter. Refer to Catalytic Converter Replacement .

21.Remove the engine support fixture.